|
當前位置:首頁->產品展示->功放IC->ACM3108(動態調整升壓CLASS H功能、25W雙聲道/50W單聲道D類音頻功放IC) |
|
|
| 產品名稱: |
ACM3108(動態調整升壓CLASS H功能、25W雙聲道/50W單聲道D類音頻功放IC) |
| 封裝形式: |
TSSOP-28 |
| 兼容型號: |
AD52068/TPA3110 |
| 產品功能: |
2×25W, 1% THD+N, 16V, 4Ω, BTL ;
1×50W, 1% THD+N, 16V, 2Ω, PBTL
|
產品規格書下載: |
|
| 在線客服: |
|
|
| 申請樣品: |
申請樣品 |
|
| |
| |
 |
詳細介紹 |
 |
|
 |
概述
ACM3108在4Ω負載下可以輸出立體聲2X25W,或者單通道2Ω負載下輸出 1X50W。是一款高效率的D類音頻功放。采用新型專利技術動態PWM,降低全輸出段的功耗。
ACM3108 工作電壓范圍在4.5-16V,輸出配置可以立體聲BTL,也可以單通道PBTL。
為降低EMI噪聲,ACM3108提供了兩個頻率的展頻選項(384kHz, 480kHz),在一定條件下可以免電感。ACM3108還提供了全差分輸入,pop音抑制,提供4種增益選擇等功能(20dB,26dB,30dB and 34dB)。
提供功率限制功能選項和喇叭直流保護功能,避免喇叭受到損傷。另外有短路保護功能,過溫保護,過壓,欠壓保護等功能避免器件受到損傷。
特征
單電源供電
PVDD: 4.5V-16V
內置5V LDO
多種輸出配置
- 2×14.5W, 1% THD+N, 12V, 4Ω, BTL
- 1×29W, 1% THD+N, 12V, 2Ω, PBTL
- 2×25W, 1% THD+N, 16V, 4Ω, BTL
- 1×50W, 1% THD+N, 16V, 2Ω, PBTL
優異音頻性能
- THD+N ≤ 0.02% 測試條件 1W, 1kHz,4Ω, PVDD = 12V
- 高階調制全頻段內有著更低的 THD+N指標
- 底噪≤ 63uVrms
- <5mv 輸出直流偏置
高效率ClassD 性能
- >90% 效率使得大部分情況下不用散熱片
- 低靜態電流: <24mA, PVDD=12V, 輸出LC =10uH+0.68uF
- 專利技術全輸出電平降低電感紋波電流
低EMI 技術
- 展頻選擇
- 180˚ PWM 相位移位
增益管理
- 20dB, 26dB, 30dB, 34dB 4個增益檔位選擇
- Mute 靜音功能
- 可調整功率限制
模擬保護
- 短路保護,自恢復功能可選
- 欠壓保護
- 輸出直流檢測保護
- 過溫保護及自恢復
應用
藍牙/WIFI 音箱、聲霸 、監視器、家庭音響設備、液晶電視、筆記本等
管腳和功能描述


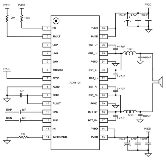
立體聲典型應用圖

單通道典型應用圖

|
|
| |
|
|
| |
| |
 |
您可能對以下產品感興趣 |
 |
|
 |
| 產品型號 |
功能介紹 |
封裝形式 |
工作電壓 |
備注 |
兼容型號 |
| ACM3156 |
2×110W, 1%THD+N, 32V、4Ω、 BTL
1×220W, 1%THD+N, 32V、2Ω 、PBTL
|
TSSOP-32(頂部散熱) |
4.5V-32V |
2×110W立體聲/220W單聲道D類音頻功率放大器 |
TPA3116 |
| ACM3107 |
2×21W, 1% THD+N, 14.5V, 4Ω, BTL;
42W, 1% THD+N, 14.5V, 2Ω, PBTL |
TSSOP-28/ESOP-16 |
4.5V-16V |
超低功耗、具有展頻和Class-H功能21W立體聲/42W單聲道模擬輸入D類音頻功放IC |
TPA3110/AD52068 |
| ACM3106 |
2×21W, 1% THD+N, 14.5V, 4Ω, BTL ;
1×42W, 1% THD+N, 14.5V, 2Ω, PBTL |
TSSOP-28/ESOP-16 |
4.5V-16V |
超低功耗、具有展頻和AGL功能21W立體聲/42W單聲道模擬輸入D類音頻功放IC |
TPA3110/AD52068 |
| ACM8629 |
2×50W,立體聲模式(4Ω, 24V, THD+N = 1%);100W,1×100W單聲道模式(2Ω, 24V, THD+N = 1%)
|
TSSOP-28(散熱片朝上,支持外接散熱器) |
4.5V-26.4V |
50W立體聲/100W單聲道、數字輸入音頻功放芯片,內置DSP多種音頻處理效果 |
|
| ACM8625S |
2×40W, 立體聲輸出 (6Ω, 24V, THD+N = 1%) /82W,單聲道輸出 (3Ω, 24V, THD+N = 1%) |
TSSOP-28 |
4.5V-26.4V |
2×40W立體聲、數字輸入D類音頻功放芯片、 內置DSP音效處理算法 |
TAS5805/ACM8625/ACM8628/ACM8622 |
| ACM8685 |
2×32W, 立體聲輸出(8Ω, 22V, THD+N = 10%) |
TSSOP-28 |
4.5V-26.54 |
2×26W立體聲/52W單聲道、內置DSP虛擬低音等多種音頻處理效果、數字輸入音頻功放芯片 |
ACM8622/ACM8625/ACM8628 |
| ACM3129 |
2×57W, 1% THD+N, 24V, 4Ω, BTL ;
1×110W, 1% THD+N, 24V, 2Ω, PBTL |
TSSOP-28(散熱片在背部,支持外接散熱器) |
4.5V-26.4V |
2×57W/110W高性能D類音頻功放,超低功耗、展頻功能、動態調整升壓Class H |
|
| ACM3108 |
2×25W, 1% THD+N, 16V, 4Ω, BTL ;
1×50W, 1% THD+N, 16V, 2Ω, PBTL
|
TSSOP-28 |
4.5V-16V |
動態調整升壓CLASS H功能、25W雙聲道/50W單聲道D類音頻功放IC |
AD52068/TPA3110 |
| ACM3128 |
2×32.5W, 1% THD+N, 24V, 8, BTL;
1×65W, 1% THD+N, 24V, 4, PBTL;
2×42W, 1% THD+N, 24V, 6, BTL;
1×84W, 1% THD+N, 24V, 3, PBTL;
2X48W, 1% THD+N, 22V, 4, BTL; |
TSSOP-28 |
4.5V-26.4V |
動態調整升壓CLASS H功能、40W立體聲/80W單聲道D類音頻功放IC |
AD52090/TPA3110 |
| ACM8615 |
21W, 單聲道輸出(8Ω, 20V, THD+N = 1%)
26W, 單聲道輸出 (8Ω, 20V, THD+N = 10%)
|
QFN-16 |
4.5V-21V |
內置DSP、I2S數字輸入20W單聲道D類音頻功放IC |
|
| ACM8625P |
2×33W, 立體聲輸出(6Ω, 21V, THD+N = 1%)
51W, 單聲道輸出 (8Ω, 21V, THD+N = 1%)
|
TSSOP-28 |
4.5V-21V |
I2S數字輸入33W立體聲D類音頻功放芯片、內置DSP小音量低頻增強等算法 |
ACM8622/ACM8625M/ACM8628 |
| ACM8622 |
2×14W, 立體聲輸出(4Ω, 12V, THD+N = 1%);
2×10.5W, 立體聲輸出 (6Ω, 12V, THD+N = 1%) |
TSSOP-28 |
4.5V-14.5V |
內置DSP音效處理算法、2×14W立體聲/ 1×23W單聲道、數字輸入D類音頻功放IC |
TAS5805/ACM8625/ACM8628 |
| ACM8625 |
2×26W, 立體聲輸出(8Ω, 22V, THD+N = 1%)
2×32W, 立體聲輸出 (8Ω, 22V, THD+N = 10%) |
TSSOP-28 |
4.5V-26.4V |
I2S數字輸入26W立體聲D類音頻功放芯片、內置DSP小音量低頻增強等算法 |
TAS5805/ACM8628/ACM8622 |
| ACM8628 |
2×41W、立體聲 (6Ω, 24V, THD+N = 1%) ;
2×33W, 立體聲 (4Ω, 18V, THD+N = 1%) ;
1×82W, 單通道 (3Ω, 24V, THD+N = 1%) |
TSSOP-28 |
4.5V-26.4V |
2×41W立體聲 /1×82W單通道數字輸入功放、內置DSP小音量低頻增強等算法 |
TAS5805/ACM8625/ACM8622 |
| HT8793 |
10W/8.5V/4Ω |
SOP-16 |
3V-9V |
10W帶數字音量控制/防破音單聲道D類音頻功放 |
|
|
| |
|
| |
|
|
|
| |
業務洽談:
聯系人:張順平
手機:17727550196(微信同號)
QQ:3003262363
EMAIL:zsp2018@szczkjgs.com
聯系人:鄢先輝
手機:17727552449 (微信同號)
QQ:2850985542
EMAIL:yanxianhui@szczkjgs.com
負責人聯絡方式:
手機:13713728695(微信同號)
QQ:3003207580
EMAIL:panbo@szczkjgs.com
聯系人:潘波
|
|
 |
|
 |
|