|
當前位置:首頁->產品展示->功放IC->CS3850(2x40W立體聲D類功放IC) |
|
|
| 產品名稱: |
CS3850(2x40W立體聲D類功放IC) |
| 封裝形式: |
TSSOP-28 |
| 兼容型號: |
AD52090 |
| 產品功能: |
40W×2 @ 18V、4Ω、THD=10% |
產品規格書下載: |
|
| 在線客服: |
|
|
| 申請樣品: |
申請樣品 |
|
| |
| |
 |
詳細介紹 |
 |
|
 |
概述
CS3850EO 是一款典型輸出功率為40W立體聲的D類音頻功率放大電路,適用于拉桿音箱、高級桌面音響等場合。
特點
● 工作電壓范圍:8V~27V
● 典型輸出功率:
30W×2 @ 20V、8Ω、THD=10%
40W×2 @ 18V、4Ω、THD=10%
50W×2 @ 26.5V、8Ω、THD=10%
● 高工作效率:典型值 90%
● 低失真度:典型值<0.1%
● 支持四種增益倍率(20dB/26dB/32dB/34dB)
● 支持低功耗、高保真兩種工作模式
● 支持單端及差分信號輸入
● 支持 BTL×2 或 PBTL×1 信號輸出
● 支持定頻和擴頻兩種載頻模式
● 內置功率限制功能
● 內置過流保護、過溫保護、欠壓保護、過壓保護、輸入直流保護等保護功能
● 外圍簡單
● 封裝形式:HTSSOP28(散熱片朝下)
引腳排列圖

引腳說明


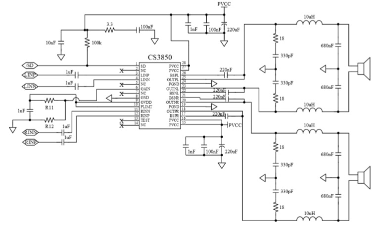
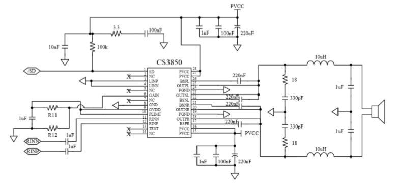
典型應用線路
1、應用線路(BTL×2)

2、應用線路(PBTL×1)

|
|
| |
|
|
| |
| |
 |
您可能對以下產品感興趣 |
 |
|
 |
| 產品型號 |
功能介紹 |
封裝形式 |
工作電壓 |
備注 |
兼容型號 |
| ACM8629 |
2×50W,立體聲模式(4Ω, 24V, THD+N = 1%);100W,1×100W單聲道模式(2Ω, 24V, THD+N = 1%)
|
TSSOP-28(散熱片朝上,支持外接散熱器) |
4.5V-26.4V |
50W立體聲/100W單聲道、數字輸入音頻功放芯片,內置DSP多種音頻處理效果 |
|
| IU8689 |
2X75W/24V/4Ω/THD10%或145W/28V/3Ω/THD10% |
EQA-28(散熱片在背部) |
5V-28V |
低空載電流,AM抑制功能,帶主從模式,145W單聲道、2X75W立體聲D類音頻功放 |
|
| IU5706 |
寬輸入范圍(4.5V-24V)同步升壓控制器,支持高達36V的輸出電壓。 |
EQA-16 |
4.5V-24V |
具有寬輸入范圍的低靜態電流同步升壓DC-DC控制器 |
|
| HT3163 |
40W (VDD=18V, RL=4Ω, THD+N=10%) |
ESOP-10 |
4V-18V |
內置防破音功能、AB/D切換、40W單聲道功放IC |
|
| HT338 |
2×50W (VDD=24V, RL=6Ω, THD+N=10%);
80W (VDD=24V, RL=4Ω, THD+N=10%) |
TSSOP-28 |
4.5V-26V |
2×50W立體聲D類音頻功放IC |
AD52090/CS3850/TPA3110 |
| ACM3129 |
2×57W, 1% THD+N, 24V, 4Ω, BTL ;
1×110W, 1% THD+N, 24V, 2Ω, PBTL |
TSSOP-28(散熱片在背部,支持外接散熱器) |
4.5V-26.4V |
2×57W/110W高性能D類音頻功放,超低功耗、展頻功能、動態調整升壓Class H |
|
| ACM3108 |
2×25W, 1% THD+N, 16V, 4Ω, BTL ;
1×50W, 1% THD+N, 16V, 2Ω, PBTL
|
TSSOP-28 |
4.5V-16V |
動態調整升壓CLASS H功能、25W雙聲道/50W單聲道D類音頻功放IC |
AD52068/TPA3110 |
| ACM3128 |
2×32.5W, 1% THD+N, 24V, 8, BTL;
1×65W, 1% THD+N, 24V, 4, PBTL;
2×42W, 1% THD+N, 24V, 6, BTL;
1×84W, 1% THD+N, 24V, 3, PBTL;
2X48W, 1% THD+N, 22V, 4, BTL; |
TSSOP-28 |
4.5V-26.4V |
動態調整升壓CLASS H功能、40W立體聲/80W單聲道D類音頻功放IC |
AD52090/TPA3110 |
| ACM8615 |
21W, 單聲道輸出(8Ω, 20V, THD+N = 1%)
26W, 單聲道輸出 (8Ω, 20V, THD+N = 10%)
|
QFN-16 |
4.5V-21V |
內置DSP、I2S數字輸入20W單聲道D類音頻功放IC |
|
| ACM8625P |
2×33W, 立體聲輸出(6Ω, 21V, THD+N = 1%)
51W, 單聲道輸出 (8Ω, 21V, THD+N = 1%)
|
TSSOP-28 |
4.5V-21V |
I2S數字輸入33W立體聲D類音頻功放芯片、內置DSP小音量低頻增強等算法 |
ACM8622/ACM8625M/ACM8628 |
| ACM8622 |
2×14W, 立體聲輸出(4Ω, 12V, THD+N = 1%);
2×10.5W, 立體聲輸出 (6Ω, 12V, THD+N = 1%) |
TSSOP-28 |
4.5V-14.5V |
內置DSP音效處理算法、2×14W立體聲/ 1×23W單聲道、數字輸入D類音頻功放IC |
TAS5805/ACM8625/ACM8628 |
| ACM8625 |
2×26W, 立體聲輸出(8Ω, 22V, THD+N = 1%)
2×32W, 立體聲輸出 (8Ω, 22V, THD+N = 10%) |
TSSOP-28 |
4.5V-26.4V |
I2S數字輸入26W立體聲D類音頻功放芯片、內置DSP小音量低頻增強等算法 |
TAS5805/ACM8628/ACM8622 |
| ACM8628 |
2×41W、立體聲 (6Ω, 24V, THD+N = 1%) ;
2×33W, 立體聲 (4Ω, 18V, THD+N = 1%) ;
1×82W, 單通道 (3Ω, 24V, THD+N = 1%) |
TSSOP-28 |
4.5V-26.4V |
2×41W立體聲 /1×82W單通道數字輸入功放、內置DSP小音量低頻增強等算法 |
TAS5805/ACM8625/ACM8622 |
| HT366 |
2×22W(VDD=14V, RL=4Ω, THD+N=10%)或34W (VDD=16V, RL=4Ω, THD+N=10%) |
TSSOP-28 |
4.5V-16V |
具有防破音功能的免電感濾波2×20W D類立體聲音頻功放 |
TPA3110/AD52068/CS3817 |
| CS8685 |
2X75W/24V/4Ω或2X100W/28V/4Ω(峰值) |
EQB-32 |
5V-30V |
低空載電流、AM抑制功能、帶主從模式、80W立體聲大功率D類音頻功放IC |
|
| CS3850 |
40W×2 @ 18V、4Ω、THD=10% |
TSSOP-28 |
8V-27V |
CS3850EO是一款典型輸出功率為40W立體聲的D類音頻功率放大電路 |
AD52090 |
| CS8683 |
130W/30V/4Ω |
EQB-32(散熱片在頂部,支持外接散熱器) |
4.7V-45V |
130W單聲道D類功放IC,具有AM干擾抑制功能 |
|
| HT328 |
2X40W/24V/8Ω或80W/24V/4Ω |
TSSOP-28 |
4.5V-26V |
免電感濾波2×30W D類立體聲音頻功放 |
AD52090/TPA3110 |
| AT8325 |
AT8325是一款包含三路半橋且可獨立控制的驅動芯片,用于
驅動一個三相直流無刷電機,或驅動螺線管等其它負載。 |
QFN-24/QFN-36/TSSOP-28 |
5.5V-20V |
5.5A 三路半橋集成驅動芯片 |
|
|
| |
|
| |
|
|
|
| |
業務洽談:
聯系人:張順平
手機:17727550196(微信同號)
QQ:3003262363
EMAIL:zsp2018@szczkjgs.com
聯系人:鄢先輝
手機:17727552449 (微信同號)
QQ:2850985542
EMAIL:yanxianhui@szczkjgs.com
負責人聯絡方式:
手機:13713728695(微信同號)
QQ:3003207580
EMAIL:panbo@szczkjgs.com
聯系人:潘波
|
|
 |
|
 |
|