|
當前位置:首頁->產品展示->功放IC->ACM8635(內置DSP、40W+2X20W單芯片2.1聲道I2S輸入數字功放IC) |
|
|
| 產品名稱: |
ACM8635(內置DSP、40W+2X20W單芯片2.1聲道I2S輸入數字功放IC) |
| 封裝形式: |
QFN-40 |
| 兼容型號: |
|
| 產品功能: |
2×20W+40W, 2.1通道 (2×6Ω+4Ω, 18V, THD+N =10%) |
產品規格書下載: |
|
| 在線客服: |
|
|
| 申請樣品: |
申請樣品 |
|
| |
| |
 |
詳細介紹 |
 |
|
 |
概述
ACM8635一款2.1通道數字輸入音頻功率放大器。供電電壓范圍在4.5V-21V。在2.1通道工作模式, 2 x 6歐+4歐負載下,輸出功率可以達到2×24W+40W ; 在雙聲道工作模式,2x4歐負載下,輸出功率可以達到2×42W。
ACM8635提供了一個高度集成的解決方案,內部集成先進的音頻處理能力, 例如:輸入混頻器,音量控制,12段EQ用于L&R通道,7段EQ用于低音通道,虛擬低音,低音和語音增強,動態范圍控制(DRC)和自動增益限制器(AGL)等。輸出級可靈活配置成2.1聲道,立體聲或單聲道應用。
ACM8635 Class H控動態升壓功能為電池供電系統提供了提高效率、降低功耗的整機方案。采用QFN-40(6mm x 6mm)封裝。
特征
. 靈活的供電電壓配置
-PVDD: 4.5V到21V
-DVDD和I/O 電壓: 3.3V
.輸出功率
-2×18W+27W, 2.1通道(2×6Ω+4Ω, 16V, THD+N =1%)
-2×24W+34W, 2.1通道(2×6Ω+4Ω, 16V, THD+N =10%)
.出色的音頻性能
-THD+N ≤ 0.03% @1W, 1kHz, PVDD = 12V
-SNR 信噪比114dB (A 加權)
-底噪≤37uV
.數字音頻接口
-I2C可選4個器件通信地址
-I2S, Left-justified, Right-justified, TDM 音頻格式
-3-線數字音頻輸入,無需MCLK
-輸入采樣率支持 32kHz, 44.1kHz/48kHz,88.2kHz/96kHz
-SDOUT數字音頻輸出支持回聲消除– AEC
.先進的音效算法
-支持數字/模擬增益調整
-靈活的左或右通道輸入信號路由混合
-左右通道獨立的2×12個BQs和7段低音BQs支持頻響靈活調整
-3 段DRC,提前能量預測結合后端均衡器,實現平滑的多段音效控制
.保護機制
-FAULT狀態通過I/0和I2C寄存器輸出
-OCP過流保護
-OTP過熱保護
-UVLO過壓和欠壓保護
-數字音頻時鐘錯誤保護
應用
便攜音箱:藍牙音箱,語音助手音箱;家庭音頻:電視,聲霸,STB盒子,家庭影院;筆記本、臺式機等
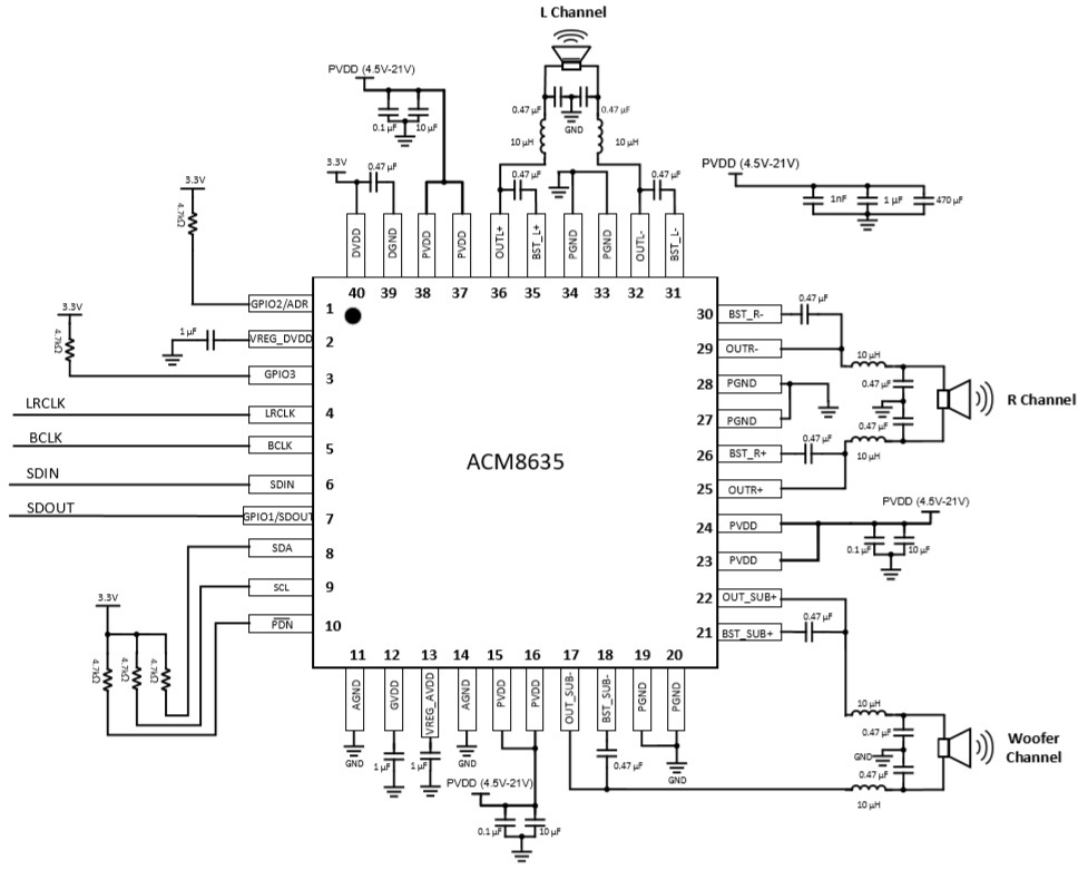
管腳定義



典型應用圖

|
|
| |
|
|
| |
| |
 |
您可能對以下產品感興趣 |
 |
|
 |
| 產品型號 |
功能介紹 |
封裝形式 |
工作電壓 |
備注 |
兼容型號 |
| ACM8852 |
2×145W, BTL輸出(4Ω, 36V, THD+N = 1%) |
UeLQFP-64散熱片在頂部) |
4.5V-38V |
2×145W 雙聲道、數字輸入D音頻功放,內置 DSP 音效處理算法,支持高采樣率以及ClassH動態升壓控制 |
|
| ACM8832 |
2×110W, BTL輸出(4Ω, 32V, THD+N = 1%) |
TQFP-48(散熱片在頂部) |
4.5V-34V |
2×110W 雙聲道、數字輸入 D 類音頻功放 |
|
| ACM8815 |
1×200W,4Ω,36V,THD+N<10% |
QFN-48 |
4.5V-38V |
內置DSP、I2S數字輸入200W大功率單聲道D類功放IC,大功率輸出無需外接散熱器 |
|
| ACM8816 |
1×300W,4Ω,50V,THD+N<1% |
|
4.5V-60V |
內置DSP、I2S數字輸入300W大功率單聲道D類功放IC,國內首款氮化鎵音頻功率放大器,大功率輸出無需外接散熱器 |
|
| ACM8831 |
1×135W, 單聲道輸出 (4Ω, 32V, THD+N = 10%) |
TSSOP-28(散熱片朝上) |
4.5V-34V |
內置DSP、I2S數字輸入135W大功率單聲道D類功放IC |
|
| ACM8636 |
2×30W+40W, 2.1通道 (2×8Ω+4Ω, 24V, THD+N =1%) |
QFP-48 |
4.5V-26.4V |
內置DSP、60W+2X30W大功率I2S輸入2.1聲道數字功放IC |
|
| IU7190 |
3.1W/5V/4Ω(THD+N=10%) |
DFN-10 |
2.5V-5.5V |
I2S數字輸入、3.1W單聲道D類音頻功率放大器 |
|
| ACM8635 |
2×20W+40W, 2.1通道 (2×6Ω+4Ω, 18V, THD+N =10%) |
QFN-40 |
4.5V-21V |
2×21W+1×42W 2.1聲道數字輸入D類音頻功率放大器、具有豐富的DSP音效處理以及ClassH動態升壓功能 |
|
| ACM9634 |
4х25W into 4Ω@14.4V PVDD;
4х45W into 2Ω@14.4V PVDD;
4х75W into 4Ω@25V PVDD |
LQFP-64 |
4.5V-26.4V |
支持負載檢測的4 х 75W、4通道數字輸入車載D類音頻功率放大器 |
FDA801 |
| ACM8687 |
2×41W, 立體聲 (6Ω, 24V, THD+N <1%);
2×33W, 立體聲 (4Ω, 18V, THD+N = 1%) ;
1×82W, 單通道 (3Ω, 24V, THD+N <1%) |
TSSOP-28 |
4.5V-26.4V |
內置虛擬低音/3D環繞音效等算法、41W立體聲/82W單通道數字輸入功放芯片 |
TAS5805/ACM8625/ACM8628/ACM8622/ACM8623 |
| ACM8623 |
2×14W, 立體聲輸出(4Ω, 12V, THD+N = 1%); 2×10.5W, 立體聲輸出 (6Ω, 12V, THD+N = 1%) |
TSSOP-28 |
4.5V-15.5V |
I2S輸入15W雙聲道數字功放IC |
ACM8622/ACM8625M/ACM8625P/ACM8625S/ ACM8685/ACM8628/TAS5805/AD82128 |
| ACM8629 |
2×50W,立體聲模式(4Ω, 24V, THD+N = 1%);100W,1×100W單聲道模式(2Ω, 24V, THD+N = 1%)
|
TSSOP-28(散熱片朝上,支持外接散熱器) |
4.5V-26.4V |
50W立體聲/100W單聲道、數字輸入音頻功放芯片,內置DSP多種音頻處理效果 |
|
| ACM8625S |
2×40W, 立體聲輸出 (6Ω, 24V, THD+N = 1%) /82W,單聲道輸出 (3Ω, 24V, THD+N = 1%) |
TSSOP-28 |
4.5V-26.4V |
2×40W立體聲、數字輸入D類音頻功放芯片、 內置DSP音效處理算法 |
TAS5805/ACM8625/ACM8628/ACM8622 |
| ACM8685 |
2×32W, 立體聲輸出(8Ω, 22V, THD+N = 10%) |
TSSOP-28 |
4.5V-26.54 |
2×26W立體聲/52W單聲道、內置DSP虛擬低音等多種音頻處理效果、數字輸入音頻功放芯片 |
ACM8622/ACM8625/ACM8628 |
| ACM8615 |
21W, 單聲道輸出(8Ω, 20V, THD+N = 1%)
26W, 單聲道輸出 (8Ω, 20V, THD+N = 10%)
|
QFN-16 |
4.5V-21V |
內置DSP、I2S數字輸入20W單聲道D類音頻功放IC |
|
| ACM8625P |
2×33W, 立體聲輸出(6Ω, 21V, THD+N = 1%)
51W, 單聲道輸出 (8Ω, 21V, THD+N = 1%)
|
TSSOP-28 |
4.5V-21V |
I2S數字輸入33W立體聲D類音頻功放芯片、內置DSP小音量低頻增強等算法 |
ACM8622/ACM8625M/ACM8628 |
| ACM8622 |
2×14W, 立體聲輸出(4Ω, 12V, THD+N = 1%);
2×10.5W, 立體聲輸出 (6Ω, 12V, THD+N = 1%) |
TSSOP-28 |
4.5V-14.5V |
內置DSP音效處理算法、2×14W立體聲/ 1×23W單聲道、數字輸入D類音頻功放IC |
TAS5805/ACM8625/ACM8628 |
| ACM8625 |
2×26W, 立體聲輸出(8Ω, 22V, THD+N = 1%)
2×32W, 立體聲輸出 (8Ω, 22V, THD+N = 10%) |
TSSOP-28 |
4.5V-26.4V |
I2S數字輸入26W立體聲D類音頻功放芯片、內置DSP小音量低頻增強等算法 |
TAS5805/ACM8628/ACM8622 |
| ACM8628 |
2×41W、立體聲 (6Ω, 24V, THD+N = 1%) ;
2×33W, 立體聲 (4Ω, 18V, THD+N = 1%) ;
1×82W, 單通道 (3Ω, 24V, THD+N = 1%) |
TSSOP-28 |
4.5V-26.4V |
2×41W立體聲 /1×82W單通道數字輸入功放、內置DSP小音量低頻增強等算法 |
TAS5805/ACM8625/ACM8622 |
| QT1682 |
具備超強抗干擾能力的兩通道觸摸按鍵IC,上電高,觸摸輸出低,環境自動適應,觸摸有效輸出時長限制 |
SOP-8 |
3V-5.5V |
|
|
|
| |
|
| |
|
|
|
| |
業務洽談:
聯系人:張順平
手機:17727550196(微信同號)
QQ:3003262363
EMAIL:zsp2018@szczkjgs.com
聯系人:鄢先輝
手機:17727552449 (微信同號)
QQ:2850985542
EMAIL:yanxianhui@szczkjgs.com
負責人聯絡方式:
手機:13713728695(微信同號)
QQ:3003207580
EMAIL:panbo@szczkjgs.com
聯系人:潘波
|
|
 |
|
 |
|