|
當前位置:首頁->產品展示->數模(DAC)/模數(ADC)轉換芯片->PCM1808/HT91808(具有單端輸入的99dB SNR立體聲ADC) |
|
|
| 產品名稱: |
PCM1808/HT91808(具有單端輸入的99dB SNR立體聲ADC) |
| 封裝形式: |
TSSOP-14 |
| 兼容型號: |
PCM1808 |
| 產品功能: |
HT91808是一款單端模擬輸入24位, 96千赫立體聲A / D轉換器 |
產品規格書下載: HT91808.pdf |
|
| 在線客服: |
|
|
| 申請樣品: |
申請樣品 |
|
| |
| |
 |
詳細介紹 |
 |
|
 |
概述
HT91808是一款高性能、低成本立體聲音頻模數轉換器。其集成了64倍過采樣率Δ-Σ調制器、數字梳狀濾波器、數字高通濾波器。HT91808支持主、從機和兩種串行音頻數據格式。支持掉電和時鐘檢測低功耗模式,封裝形式采用TSSOP14,溫度支持-40°C 到 +85°C。
特點
24bit Δ-Σ立體聲ADC
+5.0 V 模擬電源 (VA)
+3.3 V數字電源 (VDD)
單端電壓輸入:3Vp-p
THD+N:-93dB(典型值)
SNR:99dB(典型值)
動態范圍:99dB(典型值)
過采樣抽取濾波器
過采樣頻率:x64
通帶紋波: ±0.05 dB
片上高通濾波器:0.91 Hz (48 kHz)
PCM 音頻接口
可選主機和從機模式
數據格式: 24-Bit I 2 S, 24-Bit 左對齊
集成模擬低通抗混疊濾波器
采樣率: 8 kHz–96 kHz
系統時鐘:256 fs,384 f S , 512 f S
精度:24bit
封裝:TSSOP14
應用
數字電視、AV放大器/接收器、MD播放器、CD刻錄機、多軌接收器及電子音樂儀器等產品
引腳信息

引腳定義

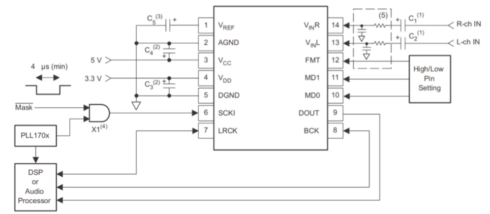
典型應用圖

|
|
| |
|
|
| |
| |
 |
您可能對以下產品感興趣 |
 |
|
 |
| 產品型號 |
功能介紹 |
封裝形式 |
工作電壓 |
備注 |
兼容型號 |
| ACM8629 |
2×50W,立體聲模式(4Ω, 24V, THD+N = 1%);100W,1×100W單聲道模式(2Ω, 24V, THD+N = 1%)
|
TSSOP-28(散熱片朝上,支持外接散熱器) |
4.5V-26.4V |
50W立體聲/100W單聲道、數字輸入音頻功放芯片,內置DSP多種音頻處理效果 |
|
| IU8689 |
2X75W/24V/4Ω/THD10%或145W/28V/3Ω/THD10% |
EQA-28(散熱片在背部) |
5V-28V |
低空載電流,AM抑制功能,帶主從模式,145W單聲道、2X75W立體聲D類音頻功放 |
|
| IU5706 |
寬輸入范圍(4.5V-24V)同步升壓控制器,支持高達36V的輸出電壓。 |
EQA-16 |
4.5V-24V |
具有寬輸入范圍的低靜態電流同步升壓DC-DC控制器 |
|
| ACM8625S |
2×40W, 立體聲輸出 (6Ω, 24V, THD+N = 1%) /82W,單聲道輸出 (3Ω, 24V, THD+N = 1%) |
TSSOP-28 |
4.5V-26.4V |
2×40W立體聲、數字輸入D類音頻功放芯片、 內置DSP音效處理算法 |
TAS5805/ACM8625/ACM8628/ACM8622 |
| ACM8685 |
2×32W, 立體聲輸出(8Ω, 22V, THD+N = 10%) |
TSSOP-28 |
4.5V-26.54 |
2×26W立體聲/52W單聲道、內置DSP虛擬低音等多種音頻處理效果、數字輸入音頻功放芯片 |
ACM8622/ACM8625/ACM8628 |
| ACM8615 |
21W, 單聲道輸出(8Ω, 20V, THD+N = 1%)
26W, 單聲道輸出 (8Ω, 20V, THD+N = 10%)
|
QFN-16 |
4.5V-21V |
內置DSP、I2S數字輸入20W單聲道D類音頻功放IC |
|
| ACM8625P |
2×33W, 立體聲輸出(6Ω, 21V, THD+N = 1%)
51W, 單聲道輸出 (8Ω, 21V, THD+N = 1%)
|
TSSOP-28 |
4.5V-21V |
I2S數字輸入33W立體聲D類音頻功放芯片、內置DSP小音量低頻增強等算法 |
ACM8622/ACM8625M/ACM8628 |
| ACM8622 |
2×14W, 立體聲輸出(4Ω, 12V, THD+N = 1%);
2×10.5W, 立體聲輸出 (6Ω, 12V, THD+N = 1%) |
TSSOP-28 |
4.5V-14.5V |
內置DSP音效處理算法、2×14W立體聲/ 1×23W單聲道、數字輸入D類音頻功放IC |
TAS5805/ACM8625/ACM8628 |
| ACM8625 |
2×26W, 立體聲輸出(8Ω, 22V, THD+N = 1%)
2×32W, 立體聲輸出 (8Ω, 22V, THD+N = 10%) |
TSSOP-28 |
4.5V-26.4V |
I2S數字輸入26W立體聲D類音頻功放芯片、內置DSP小音量低頻增強等算法 |
TAS5805/ACM8628/ACM8622 |
| ACM8628 |
2×41W、立體聲 (6Ω, 24V, THD+N = 1%) ;
2×33W, 立體聲 (4Ω, 18V, THD+N = 1%) ;
1×82W, 單通道 (3Ω, 24V, THD+N = 1%) |
TSSOP-28 |
4.5V-26.4V |
2×41W立體聲 /1×82W單通道數字輸入功放、內置DSP小音量低頻增強等算法 |
TAS5805/ACM8625/ACM8622 |
| HT5943 |
HT5943是一款高性能低功耗89dB SNR立體聲音頻模數轉換器, 可應用于麥克風陣列、音響、數字電視、音頻接口、音頻接收器等場合。 |
QFN-20 |
2.5V-3.6V |
低功耗89dB SNR立體聲ADC數模轉換器 |
ES7243 |
| HT91808 |
HT91808是一款單端模擬輸入24位, 96千赫立體聲A / D轉換器 |
TSSOP-14 |
2.7V-3.3V |
單端輸入的99dB SNR立體聲ADC |
PCM1808 |
| HT5010 |
HT5014/5/8系列產品是一款低成本的立體聲DA轉換
器,內部集成了內插濾波器、DA轉換器和輸出模擬
濾波等電路。其可支持多種音頻數字輸入格式,最大
支持24-bit字節。 |
MSOP-10 |
3.3V |
24-Bit, 192kHz立體聲D/A數模轉換器 |
CS4344/ES7144/MS4344 |
|
| |
|
| |
|
|
|
| |
業務洽談:
聯系人:張順平
手機:17727550196(微信同號)
QQ:3003262363
EMAIL:zsp2018@szczkjgs.com
聯系人:鄢先輝
手機:17727552449 (微信同號)
QQ:2850985542
EMAIL:yanxianhui@szczkjgs.com
負責人聯絡方式:
手機:13713728695(微信同號)
QQ:3003207580
EMAIL:panbo@szczkjgs.com
聯系人:潘波
|
|
 |
|
 |
|