| 當前位置:首頁->技術分享 |
|
| TAS5828M 采用Hybrid-Pro算法的50W立體聲、數字輸入、高效閉環D類放大器 |
|
|
| 文章來源:永阜康科技 更新時間:2022/12/28 17:56:00 |
在線咨詢: |
| |
說明
TAS5828M 是一款立體聲、高性能閉環D類放大器, 具有集成的音頻處理器和高達192kHz的架構。
軟件控制模式啟動后,TAS5828M不僅實現了經典的BQ、3 頻帶DRC和AGL,還實現了Hybrid-Pro專有算法。Hybrid-Pro 算法可檢測即將發生的音頻功率需求,并通過Hybrid-Pro反饋引腳 (HPFB)為前直流/直流轉換器提供PWM格式控制信號。TAS5828M 支持用于可預測的包絡跟蹤、高達4ms的音頻信號延遲緩沖器,這有助于防止因直流/直流電壓調整而導致的音頻削波。
在設置為硬件控制模式時,TAS5828M 通過引腳配置 支持開關頻率、模擬增益、BTL/PBTL 模式和逐周期電 流限制閾值。此模式專為免去終端系統軟件驅動程序集成工作而設計。
特性
• 靈活的音頻 I/O:
– 支持 32kHz、44.1kHz、48kHz、88.2kHz、 96kHz 和 192kHz 采樣速率
– 用于音頻監控、子通道或回聲消除的 I2S、LJ、 RJ、TDM 和 SDOUT
– 支持三線制數字音頻接口(無需 MCLK)
• 高效 D 類調制
– 電源效率高于 90%,RDSon 為 90mΩ • 支持多路輸出配置
– 2 × 50W,2.0 模式 (4Ω, 23 V, THD + N = 1%)
– 2 × 40W,2.0 模式 (6Ω, 24V, THD + N = 1%)
– 1 × 100W,1.0 模式 (2Ω, 23 V, THD + N = 1%)
– 1 × 80W,1.0 模式 (3Ω, 24V, THD + N = 1%) • 優異的音頻性能:
– 1W、1kHz、PVDD = 12V 的條件下,THD + N ≤ 0.03% – SNR ≥ 110dB(A 加權),ICN ≤ 40µVRMS
• 靈活處理特性
– 3 頻帶高級 DRC + 2 個 BQ + AGL + 2 個 BQ
– 每通道 12 個 BQ、電平計
– 96kHz、192kHz 處理器采樣
– 混合器、音量、動態 EQ、輸出交叉開關
– PVDD 檢測和 Hybrid-Pro 算法音頻信號跟蹤
• 靈活的電源配置
– PVDD:4.5V 至 26.4V
– DVDD 和 I/O:1.8V 或 3.3V
• 出色的集成式自保護功能:
– 過流錯誤 (OCE)
– 逐周期電流限制
– 過熱警告 (OTW)
– 過熱錯誤 (OTE)
– 欠壓和過壓鎖定 (UVLO/OVLO)
– PVDD 壓降檢測
• 可輕松進行系統集成
– I2C 軟件或硬件控制模式
– 與開環器件相比,所需的無源器件更少
應用
• 電池供電揚聲器 • 無線、藍牙揚聲器 • 條形音箱和低音炮 • 散熱或效率敏感型音頻系統
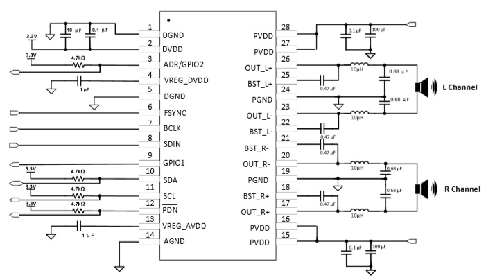
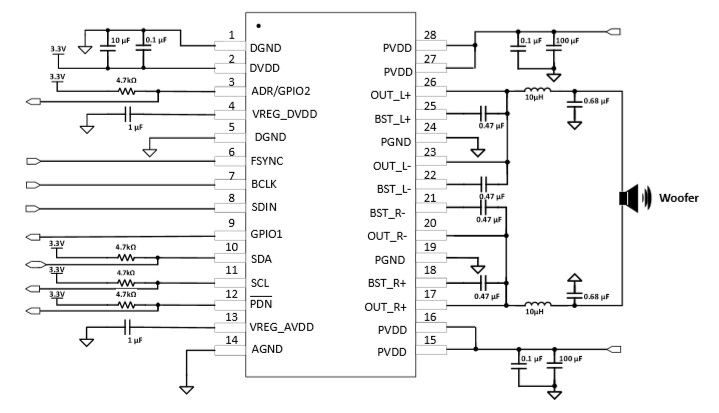
典型應用


|
| |
|
|
|
|
|
| |
| |
| |
 |
您可能對以下產品感興趣 |
 |
|
 |
| 產品型號 |
功能介紹 |
兼容型號 |
封裝形式 |
工作電壓 |
備注 |
| ACM8629 |
2×50W,立體聲模式(4Ω, 24V, THD+N = 1%);100W,1×100W單聲道模式(2Ω, 24V, THD+N = 1%)
|
|
TSSOP-28(散熱片朝上,支持外接散熱器) |
4.5V-26.4V |
50W立體聲/100W單聲道、數字輸入音頻功放芯片,內置DSP多種音頻處理效果 |
| IU8689 |
2X75W/24V/4Ω/THD10%或145W/28V/3Ω/THD10% |
|
EQA-28(散熱片在背部) |
5V-28V |
低空載電流,AM抑制功能,帶主從模式,145W單聲道、2X75W立體聲D類音頻功放 |
| IU5706 |
寬輸入范圍(4.5V-24V)同步升壓控制器,支持高達36V的輸出電壓。 |
|
EQA-16 |
4.5V-24V |
具有寬輸入范圍的低靜態電流同步升壓DC-DC控制器 |
| ACM8625S |
2×40W, 立體聲輸出 (6Ω, 24V, THD+N = 1%) /82W,單聲道輸出 (3Ω, 24V, THD+N = 1%) |
TAS5805/ACM8625/ACM8628/ACM8622 |
TSSOP-28 |
4.5V-26.4V |
2×40W立體聲、數字輸入D類音頻功放芯片、 內置DSP音效處理算法 |
| ACM8685 |
2×32W, 立體聲輸出(8Ω, 22V, THD+N = 10%) |
ACM8622/ACM8625/ACM8628 |
TSSOP-28 |
4.5V-26.54 |
2×26W立體聲/52W單聲道、內置DSP虛擬低音等多種音頻處理效果、數字輸入音頻功放芯片 |
| IU8687 |
VDD = 25V@RL = 8 Ω THD+N=10% PO=2X45W;
VDD = 25V@RL = 4 Ω THD+N=10% PO=88W |
|
EQA-28 |
5V-26V |
低空載電流,AM抑制功能,帶主從模式,2X45W立體聲、88W單聲道D類音頻功放 |
| ACM3129 |
2×57W, 1% THD+N, 24V, 4Ω, BTL ;
1×110W, 1% THD+N, 24V, 2Ω, PBTL |
|
TSSOP-28(散熱片在背部,支持外接散熱器) |
4.5V-26.4V |
2×57W/110W高性能D類音頻功放,超低功耗、展頻功能、動態調整升壓Class H |
| ACM3108 |
2×25W, 1% THD+N, 16V, 4Ω, BTL ;
1×50W, 1% THD+N, 16V, 2Ω, PBTL
|
AD52068/TPA3110 |
TSSOP-28 |
4.5V-16V |
動態調整升壓CLASS H功能、25W雙聲道/50W單聲道D類音頻功放IC |
| ACM3128 |
2×32.5W, 1% THD+N, 24V, 8, BTL;
1×65W, 1% THD+N, 24V, 4, PBTL;
2×42W, 1% THD+N, 24V, 6, BTL;
1×84W, 1% THD+N, 24V, 3, PBTL;
2X48W, 1% THD+N, 22V, 4, BTL; |
AD52090/TPA3110 |
TSSOP-28 |
4.5V-26.4V |
動態調整升壓CLASS H功能、40W立體聲/80W單聲道D類音頻功放IC |
| ACM8615 |
21W, 單聲道輸出(8Ω, 20V, THD+N = 1%)
26W, 單聲道輸出 (8Ω, 20V, THD+N = 10%)
|
|
QFN-16 |
4.5V-21V |
內置DSP、I2S數字輸入20W單聲道D類音頻功放IC |
| ACM8625P |
2×33W, 立體聲輸出(6Ω, 21V, THD+N = 1%)
51W, 單聲道輸出 (8Ω, 21V, THD+N = 1%)
|
ACM8622/ACM8625M/ACM8628 |
TSSOP-28 |
4.5V-21V |
I2S數字輸入33W立體聲D類音頻功放芯片、內置DSP小音量低頻增強等算法 |
| ACM8622 |
2×14W, 立體聲輸出(4Ω, 12V, THD+N = 1%);
2×10.5W, 立體聲輸出 (6Ω, 12V, THD+N = 1%) |
TAS5805/ACM8625/ACM8628 |
TSSOP-28 |
4.5V-14.5V |
內置DSP音效處理算法、2×14W立體聲/ 1×23W單聲道、數字輸入D類音頻功放IC |
| ACM8625 |
2×26W, 立體聲輸出(8Ω, 22V, THD+N = 1%)
2×32W, 立體聲輸出 (8Ω, 22V, THD+N = 10%) |
TAS5805/ACM8628/ACM8622 |
TSSOP-28 |
4.5V-26.4V |
I2S數字輸入26W立體聲D類音頻功放芯片、內置DSP小音量低頻增強等算法 |
| ACM8628 |
2×41W、立體聲 (6Ω, 24V, THD+N = 1%) ;
2×33W, 立體聲 (4Ω, 18V, THD+N = 1%) ;
1×82W, 單通道 (3Ω, 24V, THD+N = 1%) |
TAS5805/ACM8625/ACM8622 |
TSSOP-28 |
4.5V-26.4V |
2×41W立體聲 /1×82W單通道數字輸入功放、內置DSP小音量低頻增強等算法 |
|
| |
|
| |
|
|