|
當前位置:首頁->產品展示->功放IC->CS38S15(具有DSP、DRC、2.1模式的15W立體聲數字音頻功放IC) |
|
|
| 產品名稱: |
CS38S15(具有DSP、DRC、2.1模式的15W立體聲數字音頻功放IC) |
| 封裝形式: |
TSSOP-28 |
| 兼容型號: |
|
| 產品功能: |
PO at 10% 15W(4Ω)+2X8W(4Ω)/12V或4X18(4Ω,SE)/16V或2X15W(4Ω)/12V |
產品規格書下載: CS38S15.pdf |
|
| 在線客服: |
|
|
| 申請樣品: |
申請樣品 |
|
| |
| |
 |
詳細介紹 |
 |
|
 |
概述
CS38S15 是一款支持I2S 輸入的數字音頻功率放大電路,內部集成了數字信號處理器,可以實現強大的音頻、音效功能。串行輸入接口支持包括16bit、20bit、24bit 字長,采樣率44.1kHz、48kHz 的所有I2S格式數字音頻信號。此外CS38S15 作為一個I2C從設備支持I2C 總線控制,可以靈活配置各項功能參數和輸出模式(另附說明)。
CS38S15 具備4 個獨立通道輸出(SE×4),每個通道典型輸出功率為8W,可以組成2.0 聲道模式(BTL×2,典型值15W×2),2.1 聲道模式(BTL×1+SE×2,典型值15W+8W×2),1.0 聲道模式(PBTL×1,典型值30W×1)
特點如下:
音頻輸入
I2S 接口
支持16bit、20bit、24bit 字長數據
支持44.1kHz、48kHz 采樣頻率
音頻輸出
典型值15W(BTL,16V 電壓8負載)
典型值8W(SE,16V 電壓4負載)
典型值30W(PBTL,16V 電壓4負載)
工作電壓(雙電源)
功率電源 6V-26V
數字及模擬電源3.3V
控制接口
I2C 接口
數字音頻處理能力
采樣率自動偵測、濾波器參數自動適配
可編程8 個頻段均衡器(EQ),用以優化音頻性能
獨立通道音量控制功能,音量調節范圍 -96dB~+24dB
獨立通道靜音控制功能
動態范圍控制(DRC)功能,可以用來實現功率限制、改善聽覺效果、保護喇叭
直流濾除器
去加重濾波器
獨特的頻譜再分布算法,可以還原超越喇叭極限的低音
優化的噪聲抑制算法實現了超高的信噪比
其他特性
集成高效率D 類功放,無需額外散熱器
優化的Click & Pop 噪聲抑制能力
內置過熱保護、欠壓保護及過流保護功能
支持2.0 聲道、2.1 聲道、1.0 聲道三種輸出模式
僅需雙電源供電,其中功率電源支持從6V 到26V 的電壓范圍
封裝形式:eTSSOP28
內置鎖相環及簡化的設計,使得CS38S15 比同類電路要求的外圍器件少
應用范圍
電視
高級音響系統、Sound Bar
帶I2S 接口或HDMI 接口的音響設備、便攜設備、藍牙設備
引腳排列圖

引腳說明


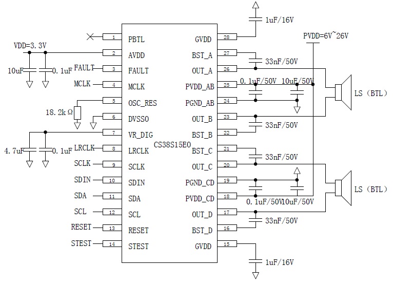
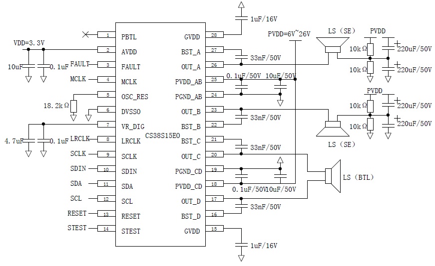
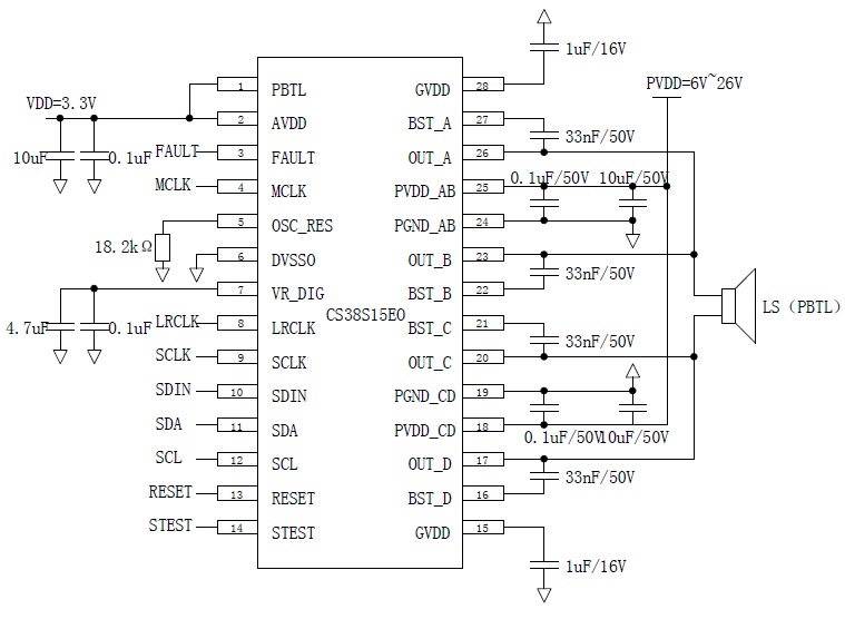
典型應用圖
2.0 模式:

2.1 模式:

1.0 模式:

|
|
| |
|
|
| |
| |
 |
您可能對以下產品感興趣 |
 |
|
 |
| 產品型號 |
功能介紹 |
封裝形式 |
工作電壓 |
備注 |
兼容型號 |
| ACM8687 |
2×41W, 立體聲 (6Ω, 24V, THD+N <1%);
2×33W, 立體聲 (4Ω, 18V, THD+N = 1%) ;
1×82W, 單通道 (3Ω, 24V, THD+N <1%) |
TSSOP-28 |
4.5V-26.4V |
內置虛擬低音/3D環繞音效等算法、41W立體聲/82W單通道數字輸入功放芯片 |
TAS5805/ACM8625/ACM8628/ACM8622/ACM8623 |
| ACM8623 |
2×14W, 立體聲輸出(4Ω, 12V, THD+N = 1%); 2×10.5W, 立體聲輸出 (6Ω, 12V, THD+N = 1%) |
TSSOP-28 |
4.5V-15.5V |
I2S輸入15W雙聲道數字功放IC |
ACM8622/ACM8625M/ACM8625P/ACM8625S/ ACM8685/ACM8628/TAS5805/AD82128 |
| ACM8629 |
2×50W,立體聲模式(4Ω, 24V, THD+N = 1%);100W,1×100W單聲道模式(2Ω, 24V, THD+N = 1%)
|
TSSOP-28(散熱片朝上,支持外接散熱器) |
4.5V-26.4V |
50W立體聲/100W單聲道、數字輸入音頻功放芯片,內置DSP多種音頻處理效果 |
|
| ACM8625S |
2×40W, 立體聲輸出 (6Ω, 24V, THD+N = 1%) /82W,單聲道輸出 (3Ω, 24V, THD+N = 1%) |
TSSOP-28 |
4.5V-26.4V |
2×40W立體聲、數字輸入D類音頻功放芯片、 內置DSP音效處理算法 |
TAS5805/ACM8625/ACM8628/ACM8622 |
| ACM8685 |
2×32W, 立體聲輸出(8Ω, 22V, THD+N = 10%) |
TSSOP-28 |
4.5V-26.54 |
2×26W立體聲/52W單聲道、內置DSP虛擬低音等多種音頻處理效果、數字輸入音頻功放芯片 |
ACM8622/ACM8625/ACM8628 |
| ACM8615 |
21W, 單聲道輸出(8Ω, 20V, THD+N = 1%)
26W, 單聲道輸出 (8Ω, 20V, THD+N = 10%)
|
QFN-16 |
4.5V-21V |
內置DSP、I2S數字輸入20W單聲道D類音頻功放IC |
|
| ACM8625P |
2×33W, 立體聲輸出(6Ω, 21V, THD+N = 1%)
51W, 單聲道輸出 (8Ω, 21V, THD+N = 1%)
|
TSSOP-28 |
4.5V-21V |
I2S數字輸入33W立體聲D類音頻功放芯片、內置DSP小音量低頻增強等算法 |
ACM8622/ACM8625M/ACM8628 |
| ACM8622 |
2×14W, 立體聲輸出(4Ω, 12V, THD+N = 1%);
2×10.5W, 立體聲輸出 (6Ω, 12V, THD+N = 1%) |
TSSOP-28 |
4.5V-14.5V |
內置DSP音效處理算法、2×14W立體聲/ 1×23W單聲道、數字輸入D類音頻功放IC |
TAS5805/ACM8625/ACM8628 |
| ACM8625 |
2×26W, 立體聲輸出(8Ω, 22V, THD+N = 1%)
2×32W, 立體聲輸出 (8Ω, 22V, THD+N = 10%) |
TSSOP-28 |
4.5V-26.4V |
I2S數字輸入26W立體聲D類音頻功放芯片、內置DSP小音量低頻增強等算法 |
TAS5805/ACM8628/ACM8622 |
| ACM8628 |
2×41W、立體聲 (6Ω, 24V, THD+N = 1%) ;
2×33W, 立體聲 (4Ω, 18V, THD+N = 1%) ;
1×82W, 單通道 (3Ω, 24V, THD+N = 1%) |
TSSOP-28 |
4.5V-26.4V |
2×41W立體聲 /1×82W單通道數字輸入功放、內置DSP小音量低頻增強等算法 |
TAS5805/ACM8625/ACM8622 |
|
| |
|
| |
|
|
|
| |
業務洽談:
聯系人:張順平
手機:17727550196(微信同號)
QQ:3003262363
EMAIL:zsp2018@szczkjgs.com
聯系人:鄢先輝
手機:17727552449 (微信同號)
QQ:2850985542
EMAIL:yanxianhui@szczkjgs.com
負責人聯絡方式:
手機:13713728695(微信同號)
QQ:3003207580
EMAIL:panbo@szczkjgs.com
聯系人:潘波
|
|
 |
|
 |
|