|
當前位置:首頁->產品展示->功放IC->HT878/HT878T(可任意限幅、單節鋰電池內置自適應升壓8W雙聲道音頻功放IC) |
|
|
| 產品名稱: |
HT878/HT878T(可任意限幅、單節鋰電池內置自適應升壓8W雙聲道音頻功放IC) |
| 封裝形式: |
TSSOP-24 |
| 兼容型號: |
|
| 產品功能: |
2X8.5W/2.7V-5.5V(內置自適應升壓模塊)/4Ω |
產品規格書下載: HT878_HT878T.pdf |
|
| 在線客服: |
|
|
| 申請樣品: |
申請樣品 |
|
| |
| |
 |
詳細介紹 |
 |
|
 |
|
概述
HT878是一款內置自適應升壓的立體聲D類音頻功率放大器,由鋰電池供電升壓至VPOUT=8V時,THD+N=1%、1kHz信號條件下,能連續輸出2×6W功率(4Ω負載);HT878T升壓至VPOUT=8.5V時,THD+N=1%、1kHz信號條件下,能連續輸出2×7W功率(4Ω負載);另外,其還支持AB類模式。
HT878內置H類升壓,可提供7.5V, 8V,8.5V三種最大輸出電壓選擇;HT878T內置G類升壓,可任意設置最大升壓值,以滿足不同的輸出功率需求。該升壓在小音樂信號時不升壓,僅當功率較大時工作,而HT878更是能提供一個適應輸出功率的電壓給D類功放。其可大幅提高系統效率,延長電池續航時間。
HT878具有可任意配置的限幅(Limiter)功能。限幅功能開啟后,即使輸入信號很大,音樂輸出也能被限制在指定的功率和THD+N之內,滿足不同音質體驗和保護喇叭的需求。
HT878還具有自動限溫控制(TFB)功能,在高功率輸出、高環境溫度、AB類模式低效率等情況下導致芯片片內溫度較高時,芯片能自動降低系統增益,避免芯片進入過溫關斷保護模式,在保證音樂品質的前提下顯著提升音樂峰值功率。
此外,HT878內部集成免濾波器調制技術,能夠直接驅動揚聲器,內置的關斷功能使待機電流最小化,還集成了輸出端過流保護、片內過溫保護和電源欠壓異常保護等功能。

特點
・可任意配置的限幅功能
-自由配置音頻限制幅度,使輸出音頻信號限制在固定失真水平內
・內置自動限溫控制功能
-適應不同散熱條件,避免出現過溫關斷現象
・高效自適應升壓功能
-自適應功放功率的H類升壓軌(HT878),和自適應G類升壓(HT878), 延長播放時間
-可調節最大限流值,有效防止電池拉死
-最大升壓值可調(HT878為3檔固定值;HT878T則外部任意設定)
・支持AB類與D類切換
・THD+N: 0.04%(RL=4Ω, fIN=1kHz, Po=2×1.0W)
・低靜態電流:7mA, 3.7V
・輸出功率(VBAT=4.2V, fIN=1kHz, THD+N= 1%,
RL=4Ω)
2×5.5W (HT878, BST=L, 連續功率)
2×6W (HT878, BST=NC, 連續功率)
2×6.5W (HT878, BST=H, 瞬態功率)
2×7W (HT878T, VPOUT=8.5V, 連續輸出)
2×8.5W (HT878T, VPOUT=8.5V, THD+N =
10%,瞬態輸出)
・VBAT供電范圍:2.8V至5.5V
・三種增益選擇:21dB, 25.5dB, 30dB
・免濾波器數字調制,直接驅動揚聲器
・保護功能:過流/過熱/欠壓異常保護功能
・無鉛無鹵封裝,TSSOP24L-PP
APPLICATIONS
・智能音響 ・無線音響 ・便攜式音箱 ・2.1聲道小音箱 ・拉桿音箱 ・便攜式游戲機
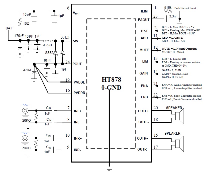
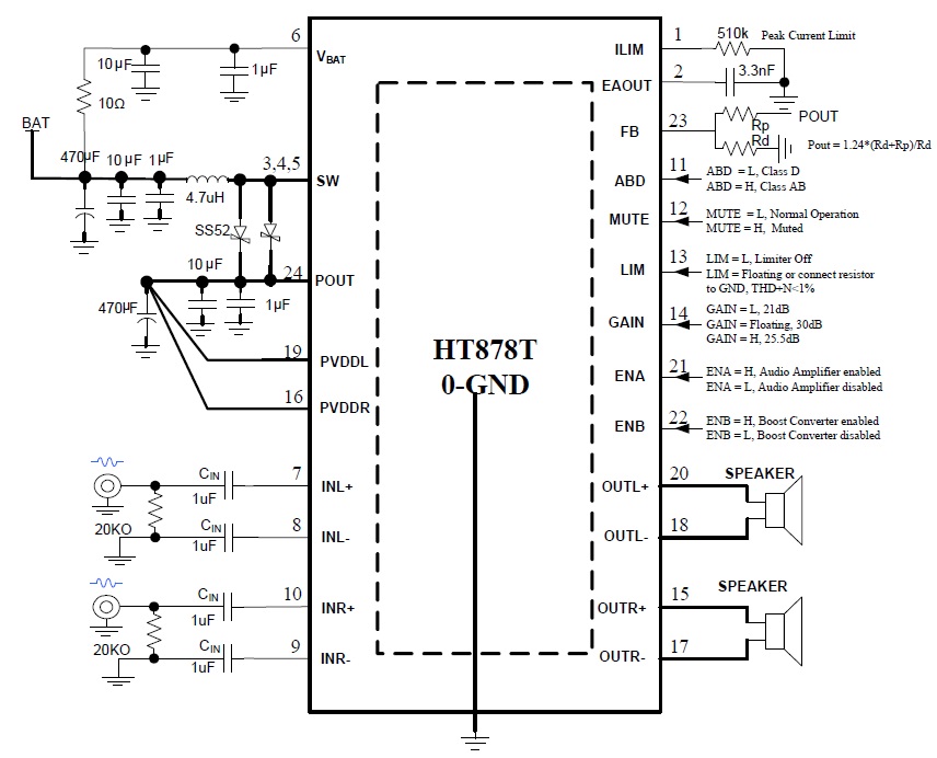
管腳定義及排列特點


典型應用原理圖


DEMO實物圖

|
|
| |
|
|
| |
| |
 |
您可能對以下產品感興趣 |
 |
|
 |
| 產品型號 |
功能介紹 |
封裝形式 |
工作電壓 |
備注 |
兼容型號 |
| ACM8622 |
2×14W, 立體聲輸出(4Ω, 12V, THD+N = 1%);
2×10.5W, 立體聲輸出 (6Ω, 12V, THD+N = 1%) |
TSSOP-28 |
4.5V-14.5V |
內置DSP音效處理算法、2×14W立體聲/ 1×23W單聲道、數字輸入D類音頻功放IC |
TAS5805/ACM8625/ACM8628 |
| HT366 |
2×22W(VDD=14V, RL=4Ω, THD+N=10%)或34W (VDD=16V, RL=4Ω, THD+N=10%) |
TSSOP-28 |
4.5V-16V |
具有防破音功能的免電感濾波2×20W D類立體聲音頻功放 |
TPA3110/AD52068/CS3817 |
| CS8685 |
2X75W/24V/4Ω或2X100W/28V/4Ω(峰值) |
EQB-32 |
5V-30V |
低空載電流、AM抑制功能、帶主從模式、80W立體聲大功率D類音頻功放IC |
|
| FS2105 |
2x30W @1%THD+N into 8Ω BTL at 24V |
TSSOP-28 |
4.5V-26.4V |
I2S數字輸入、集成EQ/DRC/音量控制2x30W立體聲D類音頻功放IC |
TAS5805 |
| HT81696 |
雙鋰電8.4V:2×30W/4歐(VOUT=16V, THD+N= 10%) 或雙鋰電8.4V:52W/3歐(VOUT=17V, THD+N= 10%) |
TSSOP-28 |
2.7V-17V |
內置升壓的30W立體聲D類音頻功放 |
HT81698 |
| HT8313 |
5.5W/2.8V-5.5V(內置電荷泵無電感升壓模塊)/4Ω |
ESOP-10 |
2.7V-5.5V |
內置高效率自適應電荷泵升壓,防削頂失真功能,D/AB切換的5.5W單聲道高保真音頻功率放大器 |
HT8312/HAA9811 |
| HT81293 |
18W/3.0V-12V(內置升壓至12.3V)/4Ω |
ESOP-16 |
3.0V-12V |
3.0V-12V寬泛輸入電壓內置升壓18W單聲道D類音頻功放芯片,涵蓋單節雙節鋰電應用 |
|
| CS83705 |
18W/2.8V-5.5V(內置升壓模塊)/3Ω或26W/7.4V(內置升壓模塊)/2Ω |
EQA-16 |
2.7V-12V |
涵蓋單雙節鋰電和12V適配器雙電源供電應用,適用于2.7V~12V各個供電節點,三種防破音模式,AB/D切換功能,擴頻功能,靜音功能,內置升壓,恒定26W輸出功率R類單聲道音頻功率放大器 |
CS83702 |
| HT328 |
2X40W/24V/8Ω或80W/24V/4Ω |
TSSOP-28 |
4.5V-26V |
免電感濾波2×30W D類立體聲音頻功放 |
AD52090/TPA3110 |
| HT8513 |
5W/2.7V-5.5V(內置升壓模塊)/4Ω |
ESOP-10 |
2.7V-5.5V |
內置自適應同步升壓和防破音功能的3W全頻段D類及AB類音頻功率放大器 |
|
| HT8731 |
15W/2.5V-5.5V(內置升壓模塊)/2Ω |
SSOP-10/QFN-16 |
3.0V-5.5V |
內置自適應H類升壓和防破音功能的6W全頻段D類及AB類音頻功率放大器 |
|
| CS83702 |
PO at 10% THD+N, VIN = 3.7V
RL = 4 Ω 10.1W(D MODE NCN OFF)
或PO at 10% THD+N, VIN = 3.7V
RL = 2Ω+22µH Ω 18W(D MODE NCN OFF)
|
EQA-16 |
2.7V-5.5V |
擴頻模式,靜音功能,三種防破音模式,AB/D切換,內置升壓,18W單聲道音頻功放 |
CS83705 |
| HT566 |
2×20W (VDD=14.5V, RL=4Ω, THD+N=1%) |
QFN-28 |
4.5V-16V |
I2S數字輸入20W立體聲無電感閉環D類音頻功放IC |
|
| HT368 |
2×20W (VDD=14.5V, RL=4Ω, THD+N=1%) 或2×25W (VDD=14.5V, RL=4Ω, THD+N=10%) |
TSSOP-28 |
4.5V-16V |
免電感濾波2*20W D類立體聲音頻功放 |
TPA3110/TPA3138/TPA3136/AD52068 |
| HT4182 |
HT4182是一款5V輸入,升壓模式的充電管理IC, 適用于雙節串聯鋰電池。 |
ESOP-8 |
4V-6V |
5V輸入高效同步升壓型1.2A雙節鋰電池充電IC |
|
| HT360 |
2×20W (VDD=14.5V, RL=4Ω, THD+N=1%)
或2×25W (VDD=14.5V, RL=4Ω, THD+N=10%) |
ESOP-16 |
4.5V-16V |
免電感濾波2*20W D類立體聲音頻功放 |
|
| CS83711 |
PO at 10% THD+N, VIN = 7V ,2X16.5W(BOOST升壓值為11V) |
EQA-28 |
6.0V-9.0V |
兼顧12V適配器供電應用,兩種防破音模式,擴頻模式,內置BOOST升壓模塊 雙節鋰電池串聯供電,恒定2 x 16.5W輸出功率R類立體聲音頻功率放大器 |
CS83785 |
| CS83785 |
PO at 10% THD+N, VIN = 3.7V ,2X10W(BOOST升壓值為8.5V) |
EQA-28 |
3.0V-5.5V |
兼顧12V適配器供電應用,兩種防破音模式,擴頻模式,內置BOOST升壓模塊 單節鋰電池供電,恒定2 x 10W輸出功率R類立體聲音頻功率放大器 |
CS83711 |
| HT8691R |
11W/2.5V-5.5V(內置升壓模塊)/2Ω |
ESOP-8 |
2.5V-5.5V |
內置升壓防破音功能的D/AB類切換背包音箱專用單聲道11W音頻功放IC |
HT8691 |
| HT878 |
2X8.5W/2.7V-5.5V(內置自適應升壓模塊)/4Ω |
TSSOP-24 |
2.5V-5.5V |
可任意限幅、單節鋰電池內置升壓的8W雙聲道音頻功放IC |
|
|
| |
|
| |
|
|
|
| |
業務洽談:
聯系人:張順平
手機:17727550196(微信同號)
QQ:3003262363
EMAIL:zsp2018@szczkjgs.com
聯系人:鄢先輝
手機:17727552449 (微信同號)
QQ:2850985542
EMAIL:yanxianhui@szczkjgs.com
負責人聯絡方式:
手機:13713728695(微信同號)
QQ:3003207580
EMAIL:panbo@szczkjgs.com
聯系人:潘波
|
|
 |
|
 |
|