產品概述
高質量的數字功放系列單片音頻解決方案新增一個數字功率放大器STA510F。新產品能夠向8歐姆立體聲負載輸出最高每聲道100W的功率。這個放大器芯片還能向4歐姆負載輸出4×50W的功率,或者向單聲道負載輸入200W的功率。
STA510F是為配合ST其它系列的采用ST獨有的FFX(全靈活放大)數字調制技術的產品而專門設計的,但是也支持其它品牌的采用任何一種PWM調制方案(如三值增量、相移或二值增量調制技術)的驅動器。這款功放芯片確保全部PWM輸入信號的音質,同時還為家庭影院系統、微型組合音響系統等要求嚴格且注重成本的產品提供了一個成本效益非常高的功率輸出級解決方案。
此外,因為集成了關鍵的邏輯級和功率級的電源關斷順序電路,STA510F還簡化了應用的設計難度,降低了用料成本(BOM);ST的‘簡易啟動’專利技術無需使用外部電路精確控制電源關閉順序,使音響系統廠商能夠更加容易地使用這個產品。此項技術還提高了設計的可靠性。
ST采用最先進的 BiCMOS-DMOS工藝技術制造這款新的放大器芯片,這項技術允許在同一個芯片上集成DMOS功率級、雙極晶體管和CMOS結構。這款功放芯片是ST新推出的采用FFX技術的2.0通道PWM控制器STA330和基于ARM7TDMI內核的高效多功能FFX音頻處理器STA331的最佳搭檔。
FFX系列產品的特色是音質高、功耗低、制造成本低,適合目前流行的快速增長的應用產品,如無線產品、個人和家庭音頻系統。這個單封裝解決方案的高集成度,結合從音源到揚聲器的純數字流,為設計低成本、高效能、外觀緊湊的音響系統提供了可能。
性能參數
The device is particularly designed to make theoutput stage of a stereo all-digital high-efficiency(FFX) amplifier capable of delivering 100 W +100 W output power into 8-Ω loads withTHD = 10% and Vcc = 39 V. In single BTL
configuration the device can deliver 200 W into a4-Ω load with THD = 10% and Vcc = 39 V.The device is fully compatible with the DDX®driver device.The input pins have a threshold proportional to VLpin voltage.
Features
Minimum input/output pulse width distortion
150 mΩ RdsON complementary DMOS output
stage
CMOS compatible logic inputs
Thermal protection
Thermal warning output
Undervoltage protection
No power-on, power-off sequence required
Description
The STA510F is a monolithic, quad, half-bridge
stage in multipower BCD technology. The device
can be used as dual-bridge or reconfigured, by
connecting the CONFIG pin to the Vdd pin, as
single-bridge with double current capability, and
as half-bridge (binary mode) with half current
capability.
管教排列

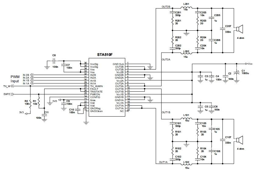
典型應用圖
