同步Silent Switcher®轉換器已經為功能強大、結構緊湊且安靜的
DC-DC轉換設定了黃金標準。在過去5年多的時間里,我們了解到了大量這些低EMI同步降壓和升壓轉換器。這些DC-DC轉換器簡化了在高功率、噪聲敏感環境中的系統級EMC設計,例如冷啟動預升壓、驅動大電流LED串和高壓功率放大器聲音系統。與基于控制器的設計相比,單芯片(集成電源開關)升壓穩壓器提供了一種更緊湊的高效解決方案,通常用于5
V、12 V和24 V源電壓。
集成式同步開關及其在硅芯片1中的獨特布局是Silent
Switcher轉換器“秘訣”的一部分。板載(集成式)開關可以形成非常微小的熱回路,幫助盡可能降低輻射。但是,這可能導致成本增加,而且并非所有應用都需要同步開關。如果只是將單個電源開關集成到硅芯片中,并且可以依賴外部低成本分立式續流二極管來作為第二開關,那么開關轉換器的成本會降低。這種做法在較低成本轉換器中很常見,但是,如果低輻射非常重要,是否仍然可以如此?
帶分立式續流二極管的異步轉換器仍然可以實現低輻射。如果在設計時特別注意熱回路布局和dV/dt開關邊緣速率,那么有可能使用異步轉換器實現低EMI開關應用。在展頻(SSFM)中集成降低輻射的額外措施是必要的。單芯片開關穩壓器,例如
LT3950 60 V、1.5 A異步LED驅動器和 LT8334 40 V、5
A異步升壓轉換器,每個都在器件中集成了單個低端電源開關,但它們依賴外部續流二極管,同時仍然可以實現低輻射!它的工作原理是什么呢?

圖1. (A) 異步單芯片升壓轉換器具有單個熱回路,其中包含一個外部續流二極管。(b) Silent
Switcher轉換器具有兩個(相反)熱回路和全集成開關。
續流二極管與死區時間的關系
在單芯片轉換器中集成一個而不是兩個電源開關,可以使芯片尺寸減小30%到40%。芯片尺寸減小可以直接節省硅芯片成本,當硅芯片能夠集成到更小封裝中時,可以進一步實現二次成本降低。雖然有些PCB空間仍然需要專用于外部分立式續流二極管,但這些二極管數量多、可靠且價格便宜。在升壓轉換器中,具有低VF的肖特基二極管在高輸出電壓和低占空比下具有高效率,可以說性能優于價格昂貴的高壓功率FET。
原因之一可能是因為死區時間。在典型的同步轉換器中,在預設的死區時間內會發生電源開關體二極管導通,以防止潛在的擊穿問題。如果同步開關在主開關能夠完全關閉之前打開,則會發生擊穿,導致輸入或輸出(降壓或升壓)直接對地短路。在高開關頻率及最小和最大占空比限值下,死區時間控制會成為開關設計中的一個限制因素。使用具有低正向電壓的低成本續流二極管之后,無需再在開關中提供死區時間邏輯——非常簡單。在大多數情況下,它們也優于功率開關(在死區時間期間導電)內部固有的體二極管的正電壓壓降。
簡單布局和封裝
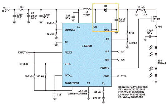
首先,我們可以從簡單的單芯片升壓轉換器著手來展示基本的布局。圖2中的LT3950
60 V、1.5 A
LED驅動器具有簡單的PCB熱回路。這個熱回路(在圖3中突出顯示)只包含小型陶瓷輸出電容和尺寸相似的分立式續流二極管PMEG6010CEH。這些組件與LT3950
16引腳MSE封裝,以及散熱盤的開關引腳和GND面緊密貼合。如此足以實現低輻射嗎?這當然只是公式的一部分。線焊16引腳MSE封裝和緊密的熱回路結合SSFM和受控良好的開關行為(開關電源過渡不會因為非常高的速度和寄生走線電感而振鈴),可以實現低輻射。

圖2.
LT3950 (DC2788A)異步熱回路包括D1續流二極管。盡管如此,續流二極 管和輸出電容仍與LT3950 16引腳MSE封裝緊密貼合。突出顯示的異步開關
節點小且緊湊,但并非不可能。開關節點的布局可能是實現低輻射結果的關鍵。

圖3.
LT3950 LED驅動器是一個異步單芯片1.5 A、60 V升壓轉換器。升壓轉換器熱回路(黃色突出顯示)包含一個分立式續流二極管,不會減弱高頻率輻射。
接下來,可以使用異步轉換器的單個開關來形成SEPIC拓撲(升壓和降壓),以擴展其實用性,不止局限于預期的升壓用途。因為是單開關,所以很容易斷開升壓轉換器的熱回路,并在其中增加SEPIC耦合電容,如圖4和圖5所示。大多數同步升壓轉換器的頂部和底部開關都永久連接至單個開關節點,所以無法轉換成SEPIC。如果能多加關注由耦合電容、續流二極管和輸出電容形成的回路,那么SEPIC熱回路可以保持較小。

圖4.
LT8334 40 V、5
A異步單片式升壓IC被用于SEPIC應用中。SEPIC轉化器熱回路(黃色突出顯示)包含一個分立式續流二極管和一個耦合電容,不會減弱輻射。

圖5.
LT8334單芯片40 V、5 A異步開關,集成到微型4 mm × 3 mm 12引腳散熱增強型DFN封裝中。LT8334 SEPIC
(EVAL-LT8334-AZ)的熱回路布局中包含這個微型DFN、一個陶瓷耦合電容、一個陶瓷輸出電容和一個小型續流二極管。
LT8334異步升壓轉換器中包含一個集成式5 A、40 V開關。這個單芯片升壓轉換器IC適合用于構建12 V輸出SEPIC轉換器。圖4顯示標準型12
V、2 A+
SEPIC轉換器,其中包含耦合電容C1和耦合電感的兩個電感線圈。由于微型PMEG4030ER續流二極管D1不是直接附加在開關節點上,所以可以輕松將4.7 μF
0805陶瓷型隔直耦合電容置于二極管和開關節點之間。在EVAL-LT8334-AZ
SEPIC評估板上,熱回路布局保持較小。開關節點的銅面積盡可能保持較小,并且盡可能接近開關引腳,有助于盡可能降低電磁輻射騷擾。請注意,整個熱回路都布局在1層,且開關節點,或者耦合電容另一側的耦合開關節點上都沒有通孔。這些開關節點應盡量保持較小,且盡量接近,以實現出色結果。LT8334的12引腳DFN封裝有助于熱回路和輻射盡可能保持較小。
受控開關非常有效
單芯片(包括開關)開關轉換器在與SSFM、2
MHz基波開關頻率、出色的PCB布局和受控良好的開關組合使用時,可以有效幫助降低輻射。如果它們足夠有效,那么可能無需利用Silent
Switcher架構在低輻射方面的巨大優勢(Silent
Switcher架構是超低輻射黃金標準,但如果只是為了通過輻射標準,并非在所有情況下都需要用到)。在LT3950和LT8334中,SSFM在基波頻率的基礎上向上擴展約20%,然后以三角形的模式返回。SSFM是低EMI開關穩壓器共有的一個特征。SSFM有多種類型,但是每種類型的總體目標是分散輻射能量,并將峰值輻射和平均輻射降低到要求的限值以下。2
MHz開關頻率的一個目標是將基波開關頻率設置為高于AM射頻頻段(530 kHz至1.8
MHz)限制,使基波本身及其所有諧波產生的輻射不會干擾射頻。當不需要考慮AM頻段時,可以放心使用更低的開關頻率。
內部開關和驅動器不受開關頻率影響,在設計時應謹慎小心,以避免某些不必要的行為,否則可能會降低開關轉換器的EMI性能。超快的振鈴開關波形可能會在100
MHz至400
MHz范圍內產生多余的輻射,在電磁輻射騷擾測量中會非常明顯。IC中受控良好的開關不應表現得像一個輻射錘,而應像是一個開關邊緣被抑制的有效橡皮錘。受控的電源開關能以稍低于可能值的速度讓電壓和電流升高和降低。關于單芯片轉換器中的這種受控開關,圖6b中的2
V/ns開關速率和缺少振鈴就是一個不錯的示例。您可以看到,這個內部開關非常柔和地開啟,并達到0
V,后續也不會出現刺耳的振鈴。這對LT3950的輻射結果做出了很大的貢獻(參考下方的圖9至圖11)。通常,在單芯片開關穩壓器中,開關速度導致最大功率上升,散熱性能下降。但是,如果能精心設計,可以事半功倍。

圖6.
LT3950受控開關的上升擺率為2 V/ns,下降擺率為2 V/ns,有助于在LED驅動器應用中保持高效率和低EMI,且幾乎不會產生開關節點振鈴。
帶柵極速率控制的異步升壓控制器
在有些情況下,要進行大功率DC-DC轉換,需要在IC外部使用控制器和高壓、高電流開關。在這種情況下,外部開關的柵極驅動器仍位于IC內部,但整個開關熱回路會移動到IC外部。有些創意性的熱回路和布局是有可能實現的,但因為分立式MOSFET本身的尺寸,熱回路本身一般會變大。
LT8357
大功率(異步)升壓控制器提供24 V、2 A (48 W),且輻射非 常低。它以低開關頻率為3.5 mm × 3.5 mm
MOSFET供電,以實現高效轉換。除了緊密的熱回路(圖7)之外,它還通過上升和下降柵極控制引腳來實現邊緣速率控制和減少輻射。使用一個簡單的5.1
Ω電阻RP(在GATEP上)就足以降低M1功率MOSFET的開啟邊緣速率,并將電磁輻射騷擾保持在盡可能低的水平。當然,一些輻射濾波器和SSFM也有助于減少輻射。EVAL-LT8357-AZ評估板還額外留出了輻射屏蔽位置,但對于大部分應用,可能沒有必要。這個異步升壓控制器與它的單片式版本非常相似,具有高功率、低EMI升壓和SEPIC應用所需的所有功能。

圖7.
LT8357高壓升壓控制器具有分立式門引腳,用于單獨控制高功率分立式MOSFET開關邊緣的上升沿和下降沿。黃色方框圈出了分立式柵極引腳。

圖8. 圖7中的LT8357升壓控制器具有出色的輻射和效率性能,RP = 5.1 Ω,RN = 0
Ω。單獨的門驅動引腳允許受控開關開啟,同時提供快速關斷。在示意圖中,顏色分別表示:紅色RP = 0,RN = 5.1;黃色RP = 0,RN = 0;綠色RP
= 5.1,RN = 0;藍色RP = 5.1,RN = 5.1。
通過CISPR 25 5類輻射標準
對低EMI評估電路(例如LT3950
DC2788A)進行了大量測試,以評估其電磁輻射和傳導輻射。圖9至圖11顯示成功的輻射測試結果,在測試時,SSFM開啟,采用12 V輸入,330
mA電流流經25 V
LED串。電流探針和電壓方法CE的結果都通過了非常嚴格的限值標準。在開關中,很容易出現FM頻段CE挑戰,但LT3950不受FM頻段影響。

圖9.
DC2788A LT3950通過了(a)平均和(b)峰值CISPR 25 5類傳導輻射測試(電流探針方法)。

圖10. DC2788A LT3950通過了(a)平均和(b)峰值CISPR 25
5類傳導輻射測試(電壓方法)。

圖11. DC2788A LT3950通過了(a)平均和(b)峰值CISPR 25 5類電磁輻射測試。
將開關頻率設置為2 MHz(300 kHz至2 MHz可調范圍),這樣,基波開關輻射可以保持高于AM射頻頻段(530 kHz至1.8
MHz),不會導致問題,且無需在前端上加裝笨重的LC
AM頻段濾波器。取而代之,LT3950使用的EMI濾波器可以是小巧的高頻率鐵氧體磁珠。
雖然熱回路中有額外的耦合電容,耦合電感中有額外的端口(使開關節點的數量翻倍),LT8334
SEPIC還是能保持低輻射。EVAL-LT8334-AZ SEPIC 12 VOUT 評估套件也使用2
MHz和SSFM,能提供低輻射。EVAL-LT8357-AZ升壓控制器可以實現相似的性能。有關這些器件的完整輻射結果、原理圖和測試選項,可以訪問analog.com,查看對應的產品登錄頁面。表1列出了一個新的低EMI異步升壓和SEPIC轉換器系列。單芯片IC和控制器IC結構簡單、成本低,采用多種拓撲,具有大功率功能和低輻射,因此非常實用。當超低輻射成為首要的要求時,也可以使用高電流Silent
Switcher升壓轉換器。


表1.
新型低EMI單芯片升壓轉換器,帶開關邊緣速率控制
結論

|