開關電源作為當下電控系統中的基礎、主流的裝置,被廣泛應用于計算機、通信、電子設備等諸多應用,且由于其不存在替代設備,因此市場規模十分龐大。隨著“低碳時代”的到來,電子設備日趨小型化、輕薄化、節能化,開關電源的市場規模也迎來了進一步的增長。
全球電源市場規模預測
根據Markets
and
Research發布的數據顯示,全球電源市場規模將從2018年的225億美元增長到2023年的349.2億美元,2018-2023年的復合年增長率為6.7%。

圖1(圖源:中商產業研究院)
影響開關電源的因素
眾所周知,開關電源是將功率半導體器件作為開關元件并通過周期性通斷開關,控制開關元件的占空比來調整輸出電壓。
但由于開關電源瞬態響應較差,易產生電磁干擾(EMI)信號,而這些EMI信號經過傳導和輻射,不僅會污染電磁環境,還會對通信設備和電子儀器造成干擾。更重要的是,隨著開關電源的體積越來越小、功率密度越來越大,EMI控制問題愈發成為限制其使用的關鍵因素。
EMI為何如此重要?
EMI全稱為Electro
Magnetic
lnterference,是一種電子系統或分系統受非預期的電磁擾動造成的性能損害,其產生的條件和傳播途徑主要由干擾源、耦合途徑、敏感設備三個基本要素組成。
何為干擾源?顧名思義就是產生電磁干擾的源頭。一般分為內部干擾源和外部干擾源,其中內部干擾源包括開關電路、整流電路的整流二極管、雜散參數,外部干擾源包括電源干擾和雷電干擾。
那干擾源又是如何產生的?以開關電路為例,開關電路是開關電源的核心,同時也是主要干擾源之一,由開關管和高頻變壓器組成。
簡單地說,由于開關管及其散熱片與外殼和電源內部的引線間存在分布電容,其產生的du/dt具有較大幅度的脈沖,頻帶較寬且諧波豐富。當開關管負載為高頻變壓器初級線圈時屬于感性負載,此時原來導通的開關管關斷,高頻變壓器的漏感產生了反電勢E=-Ldi/dt,其值與集電極的電流變化率成正比,與漏感成正比,迭加在關斷電壓上,形成關斷電壓尖峰,從而形成傳導干擾。當然不止開關電路,上述提到的整流電路的整流二極管、雜散參數等都是導致EMI的重要原因。
EMI問題說大不大,但如果不能及時發現并解決,后期想整改就要額外耗費大量時間和資金成本。特別對于部分中小型企業來說,異常繁瑣的EMI整改可能會帶來BOM成本等不菲的開銷,更甚者會阻礙后期的設計進度。
因此,我們必須提高對EMI問題的重視程度,在設計之初就考慮EMI問題,而這關鍵之處就在于必須從源頭入手解決,本篇文章就教你如何搞定開關電源EMI。
四招搞定開關電源EMI
1.
優化布局布線中的電流回路
在開關電源設計中,PCB設計是關鍵一步,它對電源的性能、EMC要求、可靠性、可生產性都會產生很大影響。
一般來說,EMI線性正比于電流、電流回路面積以及頻率的平方即:EMI=K*I*S*F2。I是電流,S是回路面積,F是頻率,K是與電路板材料和其他因素有關的一個常數。該關系式表明減小通路面積是減小輻射騷擾的關鍵,換句話說,就是開關電源的元器件要彼此緊密排列。
因此,在PCB設計過程中,如果使用短而寬的PCB走線,就可以降低壓降并極大限度地降低電感;同時通過使用高頻開關優化元件布局。而對電源線執行此操作的一種好方法是將電源線和返回路徑彼此重疊放置在PCB的相鄰層上。
2.
控制器件開關速度
在開關電源設計中為提高功率密度,通常會選擇開關頻率更高的MOSFET,通過提高開關速度顯著減小輸出濾波器體積,從而在單位體積內實現更高的功率等級。
但隨著開關速度的提高,功率開關管通/斷時的du/dt也會隨之升高,而這恰恰就是導致EMI的主要原因之一。不僅如此,高du/dt還會對電機繞組的絕緣產生不利影響,加速漆包線、絕緣環等絕緣件的老化,對電機的絕緣設計帶來了新的挑戰。因此,控制器件開關速度進而減小功率開關管通/斷的du/dt也成為了抑制開關電源干擾的一項重要措施。

圖2:MOSFET等效電路(圖源:Mouser)
由此來看,如何選擇MOSFET也是關鍵一步,貿澤電子在售的來自安森美(onsemi)的SuperFET® V
MOSFET就是很好的選擇。
SuperFET是由Fairchild
Semiconductor(2015年已被安森美收購)開發的一項針對RDS(ON)降低而增加額外制造步驟的技術,SuperFET
器件可在小晶片尺寸,甚至在擊穿電壓達到600V的情況下,實現理想的低RDS(ON)。換句話說,采用SupeRFET技術的器件封裝尺寸能實現大幅減小。
2016年,Fairchild
Semiconductor就推出了SuperFET III MOSFET系列。此次推薦的SuperFET V
是安森美專屬的新一代高電壓MOSFET,采用先進的電荷平衡機制,實現了出色的低導通電阻和更低門極電荷性能。作為第五代高壓超級結(SJ)MOSFET,安森美的這款MOSFET具有出色的品質因數(FOM),不僅提高了重負載效率,還提高了輕負載效率。

圖3:onsemi SuperFET V MOSFET(圖源:Mouser)
據了解,該系列器件有三個產品組,分別是FAST、Easy
Drive和FRFET,可在各種不同的應用和拓撲結構中提供優于同類的性能,其中:
FAST
FAST版本在硬開關拓撲結構(如高端PFC)中提供極高能效,并經過優化以提供更低的門極電荷(Qg)和EOSS損耗,實現快速開關。
Easy
Drive
Easy
Drive版本適用于硬開關和軟開關拓撲結構,包含一個內置門極電阻(Rg)及經優化的內置電容。
FRFET
FRFET版本的優勢是快速體二極管,并提供降低的Qrr和Trr,適用于軟開關拓撲結構,如移相全橋(PSFB)和LLC。
以Easy
Drive來說,其可以利用電荷平衡技術實現低導通電阻,以及更低門極電荷方面的出色性能。而這項技術專用于極大程度降低導通損耗,提供出色的開關性能,并且可以承受極端dv/dt速率,進而有助于管理EMI問題,實現更輕松的電源設計。
除了SuperFET
V系列外,貿澤電子在售的還有安森美的另一款名叫M3S 1200V SiC
MOSFET。該系列MOSFET以碳化硅為材料,優化用于快速開關應用。同時M3S具有低開關損耗,采用TO247-4LD封裝,可實現低公共源電感。

圖4:M3S 1200V SiC MOSFET(圖源:Mouser)
該系列在使用18V柵極驅動器驅動時具有極優良的性能,但也適用于15V柵極驅動器,在提高功率密度的同時還能減少EON損失,可以應用于交直流轉換、直流-交流轉換、DC-DC轉換等多個方面。
減少寄生參數影響
在EMI的頻率范圍內,常用的無源器件都不再被認為是理想的,它們的寄生參數嚴重影響著其高頻特性。
從理論上來講,寄生參數的提取精確度是通過仿真有效預測EMI水平的關鍵。雖然這對于結構簡單的元件來說是很容易計算的,但是對于某些結構復雜的元件,例如多層板和直流母線等來說,并不能輕易得到。
因此,在選取元件時需要盡量選取寄生參數影響小的元件,比如電容的ESR和ESL、電感的寄生電容等要盡量小。此外,在設計濾波器的時候,也要考慮到PCB寄生參數對濾波器阻抗的影響,畢竟其本質也是增大對干擾的阻抗,使干擾無法通過傳播路徑。
對敏感電路進行保護
開關電源的主要電路是由輸入電磁干擾濾波器(EMI)、整流濾波電路、功率變換電路、PWM控制器電路、輸出整流濾波電路組成,而輔助電路包括了輸入過欠壓保護電路、輸出過欠壓保護電路、輸出過流保護電路、輸出短路保護電路等。
常見的電源保護方法包括防浪涌軟啟動電路;過壓、欠壓及過熱保護電路;缺相保護電路;短路保護。下圖就是典型的輸入EMI抑制電路。當電網受到雷擊時,產生高壓經輸入線導入開關電源設備時,由FS1、ZNR1、RTH1組成防雷浪涌電路進行保護。

圖5:輸入EMI濾波電路圖(圖源:Mouser)
R1、R2、C2、C4、LF1、LF2組成的π型濾波電路,是輸入濾波電路,主要是對電網串入的電磁噪聲進行抑制,防止對開關電源干擾,同時也抑制開關電源內部產生的高頻噪聲干擾電網,弱化電網的電磁污染。
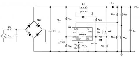
由此可見,對敏感電路的保護也是解決EMI問題的不二選擇,而這就對器件的保護功能提出了要求。以Monolithic
Power Systems(MPS)的單片電源系統MP44019
CrM/DCM多模式PFC控制器為例,這款控制器使用極少的外部組件提供簡化的高性能有源功率因數校正,并且提供非常低的電源電流,可實現低于50mW的低待機功耗。

圖6:MP44019 CrM/DCM多模式PFC控制器(圖源:MPS官網)
更重要的是,MP44019集多重保護功能于一體,包括過壓保護(OVP)、二次過壓保護(OVP2)、過流限制(OCL)、過流保護(OCP)、欠壓保護(UVP)、
in(BI)和掉電(BO)、VCC欠壓鎖定(UVLO)和過熱保護(OTP)。
該器件通常可應用于AC-DC轉換、DC-AC轉換以及DC-DC轉換等方面,并能在輕負荷下使用死區擴展技術來降低開關頻率。此外,其在非連續傳導模式(DCM)中,與傳統的恒定準時控制(COT)相比,更是采用了可變準時控制來降低總諧波失真(THD)。

圖7:MP44019控制器典型應用電路圖(圖源:Mouser)
EMI問題不可小覷
當前技術日新月異,隨著人工智能、醫療、新能源、汽車電子等新型行業的快速發展,開關電源的需求也將呈現快速增長勢頭。迅猛增勢背后是下游企業對開關電源提出的更為苛刻的技術要求。高效率、高功率密度,以及模塊及整體系統工作的可靠性及穩定性都將會成為開關電源的關鍵要素,在此背景下,解決EMI控制問題勢在必行,而上述四招技巧就是“制勝法寶”。
|