概述
M12219P 是一款面向單電芯30W移動電源應用的專用 SOC,集成了同步開關升壓變換器、電池充放電 管理模塊、顯示模塊、電量計算模塊,支持 PD3.0、QC3.0、AFC、FCP、SCP、BC1.2 DCP 等主流快充協議,并提供輸入/輸出的過壓/欠壓、電池過充/過放、NTC 過溫、放電過流、輸出短路保護等完備的保護功能。配合極簡的外圍電路,即可組成支持188-屏顯示功能的30W多口移動電源。
特點
充放電管理
高效雙向電壓變換器(開關頻率:最大1MHz)
額定功率 30W,最高充/放電效率97%
電芯規格:4.2V/4.3V/4.35V/4.4V
電芯串數:單串
支持充電電流自適應,最大充電電流3A
放電電壓精度:10mV,充電電流精度:5mA
支持線損補償功能
支持 ABCL 口的各種組合,支持雙路C口
支持帶多充電線的充電寶應用
快充協議
PD3.0 / PPS、PD2.0 ;QC3.0、QC2.0 ;AFC、FCP、SCP ;BC1.2 DCP,APPLE 2.4A ;UFCS等
高度集成
內置環路補償電路
內置 16-bit 高精度 ADC
內置雙路 USB Type-C 接口
集成 IIC 接口,可擴展 MCU
集成 188 屏電量顯示和快充指示
安全保護機制
20V管腳耐壓,支持軟起動功能
過壓/欠壓、過充/過放、過流、過溫、短路保護
封裝形式
QFN-40(5.0×5.0mm,0.4mm pitch)
管腳配置圖


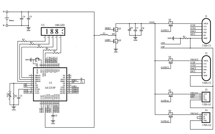
典型應用原理圖
單串 CCAA 多口移動電源
