概述
HT81698是一款內置升壓的立體聲D類音頻功率放大器,其支持單節鋰電、雙節鋰電串聯、 5V、12V等多種輸入,升壓后的電壓提供給功放供電,功放支持雙通道立體聲BTL輸出以及并聯PBTL單聲道輸出。
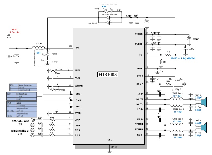
HT81698內置的升壓電路,可通過FB腳設置升壓值,以滿足不同的輸出功率需求。其還可通過外置電阻調節開關峰值電流限值。
此外,HT81698內部集成免濾波器調制技術, 能夠直接驅動揚聲器,內置的關斷功能使待機 電流最小化,還集成了輸出端過流保護、片內 過溫保護、輸入電源欠壓異常保護、升壓電壓 過壓保護等功能。
特性
・輸出功率(fIN=1kHz, RL=4Ω, BTL)
雙鋰電7.2V:2×25W (VOUT=14.8V, THD+N= 10%)
單鋰電3.7V:2×10W (VOUT=9V, THD+N = 10%)
・輸出功率(fIN=1kHz, RL=2Ω, PBTL)
雙鋰電7.2V:50W (VOUT=14.8V, THD+N= 10%)
單鋰電3.7V:20W (VOUT=9V, THD+N = 10%)
・輸出功率(fIN=1kHz, RL=4Ω, PBTL)
單鋰電3.7V:20W (VOUT=12V, THD+N = 10%)
雙鋰電6.5V, 35W (VOUT=16V, THD+N = 10%)
・VBAT供電范圍:2.7V至VOUT
・內置升壓電路:可調節的升壓值和升壓限流
・保護功能:過流/過熱/欠壓異常/過壓保護功能
・無鉛無鹵封裝,ETSSOP28
應用
・智能音響 ・無線音響 ・便攜式音箱 ・2.1聲道小音箱・拉桿音箱 ・便攜式游戲機
管腳排列及定義



典型應用圖
