描述
LGS55182是一款高度集成的同步升壓充電器,適用于 兩節串聯的鋰離子電池(QFN 封裝可達到 1.5A、 ESSOP10 封裝可達到 2A)。對于不同的便攜式應用, 可以使用外部電阻器對充電電流進行編程。
LGS55182具有短路(SC)、涓流(TC)、恒流(CC) 和恒壓(CV)四種充電過程:短路充電(SC)可對0V 的電池充電;涓流充電(TC)可涓流充電恢復完全放電的 電池;恒流充電(CC)可快速的對電池充滿;恒壓充電(CV)可確保安全的充滿電池。支持喚醒深度放電的電 池。
LGS55182充電截止電壓可通過外置電阻調整,充電電 流也可通過外部電阻進行設置。當充電電流降至設定值 的1/10時,LGS55182將自動結束充電過程,持續檢 測電池電壓,下降到一定閾值時自動再充電。當輸入電 壓(USB源或AC適配器)拿掉后,電池端漏電在25uA。
LGS55182集成充電和充滿提示,以及異常指示。 保護功能包括輸入過壓保護 (OVP)、電池OVP、電池 短路保護、熱關斷、電池溫度監控器、可配置的定時器, 以防止對沒電的電池進行長時間充電。
特性
■ 高達2A的可調充電電流(受實際散熱和輸入功率 限制)
■ 支持8.4V、8.6V、8.7V、8.8V的充滿電壓
■ 高達28V的輸入耐壓保護
■ 高達28V的電池端耐壓保護
■ 寬輸入工作電壓范圍:3.0V~6.5V
■ 峰值效率可達96%、重載效率高達90%
■ 外部關斷EN功能
■ 支持最大110℃/130℃(需定制)充電電流熱調節
■ 完整的充電狀態指示,單雙燈選擇
■ 超低熱阻的ESSOP10封裝(θJC=3.9℃/W)
■ 可編程的自適應輸入限流,通過輸入電壓限制實現 最大功率跟蹤,適用于各類適配器
■ 電池電量不足時提供指示和控制后級負載關閉
■ 輸入端保護功能:輸入欠壓鎖定、輸入過壓保護、
■ 電池端保護功能:充電超時保護、短路保護、過壓 保護
■ 160℃的過溫保護
■ 支持集成NTC電阻的電池包充電熱插拔
應用
移動電源 、手機、MP3播放器、MP4播放器、 PSP游戲機、NDS游戲機 、智能門鎖等
引腳排列

引腳功能描述

典型應用圖

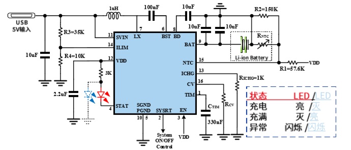
圖1. LGS55182 QFN版本典型應用 1A充電(適應4.5V USB;電池充電溫度為0℃~60℃;)

圖2..LGS55182 ESSOP10版本 2A充電(適應4.5V USB;電池充電溫度為0℃~60℃)
NOTE:
■ 升壓輸出引腳BD。10μF穩壓陶瓷電容需盡量靠近芯片,并且從BD到PGND的回路盡量短,此電容優先級最高,可參考PCB布局舉例。
■ NTC電阻一般位于電池內部,為方便展示,虛線框內為電池包。NTC典型應用中需使用B值為4250K的100K阻值的NTC電阻與R2(150K)電 阻器并聯再與R1(57.6K)電阻器串聯接于VDD引腳,這種搭配可保證電池在0℃~60℃區間正常充電。如使用其他搭配,請參照第13頁NTC功 能解釋中的給出的各溫度閾值區間的NTC電壓進行設計或可咨詢我司FAE。
■ 對底部ePad GND引腳,應使用較大覆銅區域連接到PCB地平面,這有助于最大限度的減小PCB傳導損耗和熱應力,防止因芯片溫度過高導致 的充電電流下降。
■ LED指示燈使用時需接限流電阻到VDD,推薦3K。如需使用雙燈方案,必須按照圖中LED燈顏色配置,請購買對應顏色LED燈進行實驗,保 證兩個燈導通電壓不在一個電壓下,充電時紅燈亮,藍燈滅;充滿時藍燈亮,紅燈滅;異常時紅燈藍燈交替閃爍。