|
當前位置:首頁->產品展示->功放IC->HT97230(帶3D環繞音效、低音增強的免電容高保真G類耳放IC) |
|
|
| 產品名稱: |
HT97230(帶3D環繞音效、低音增強的免電容高保真G類耳放IC) |
| 封裝形式: |
QFN-24 |
| 兼容型號: |
|
| 產品功能: |
2X125mW/5.0V/32Ω |
產品規格書下載: HT97230.pdf |
|
| 在線客服: |
|
|
| 申請樣品: |
申請樣品 |
|
| |
| |
 |
詳細介紹 |
 |
|
 |
概述
HT97230為差分輸入、可直接輸出的線路驅動器/耳機放大器。5V供電時,器件為1kΩ負載提供3VRMS輸出驅動;3.3V供電時,為600Ω負載提供2VRMS輸出驅動。5V供電時,器件為32Ω耳機負載提供125mW驅動。IC具有6dB內部固定增益,也可利用外部電阻設置增益(目前僅提供外部電阻設置增益版本,其他版本需預定)。IC在整個音頻頻帶內提供優異的THD+N。
HT97230有兩個不同開啟時間(tON)版本,版本A、C和E的導通時間tON為5.5ms,用于耳機驅動;B和D則具有130ms的tON,用于機頂盒設計(目前僅提供A版本,其他版本需預定)。內部電荷泵對輸入電源反相,產生負電源。放大器的輸出級由輸入正電源和電荷泵輸出負電源供電,雙極性供電使得輸出偏置在零電位,省去了大尺寸、容易引入失真的輸出耦合電容。ICSD開關時沒有咔嗒/噼噗聲。
HT97230具有3D環繞模式,能夠在立體聲耳機上創造3D環繞聲的感覺。HT97230還有具有低音增強模式,可依據耳機頻響特性,對某個頻段的低音進行不同程度的提升增強,達到低音增強的效果。HT97230提供無鉛無鹵QFN24L-PP封裝,提供QFN20L-PP封裝的定制需求。
特點
・3D 環繞可調
・低音增強可調
・耳機輸出無需隔直電容,節省空間和成本,并保證
完整低音
・卓越的低頻保真度
・業界首次消除開關SD 的click-pop 聲
・非凡的失真水平,THD+N 最低至0.001%
・出眾的噪聲信噪比,VN: 7uV, SNR:112dB
・支持全差分輸入和單端輸入
・輸出能力:125mW (fIN = 1kHz, VDD=5V,
RL=32Ω, THD+N=1%);
3Vrms (fIN = 1kHz, VDD=5V, RL=1kΩ,
THD+N<0.1%);
2Vrms (fIN = 1kHz, VDD=5V, RL=600Ω,
THD+N<0.1%);
・極度精簡外圍,QFN24L-PP 4mm*4mm 封裝
應用
・藍牙耳機 ・智能手機
・音響,DVD ・平板/筆記本電腦
・機頂盒 ・便攜式游戲機
引腳排列

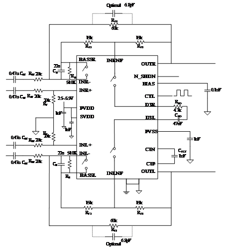
典型應用原理圖

|
|
| |
|
|
| |
| |
 |
您可能對以下產品感興趣 |
 |
|
 |
| 產品型號 |
功能介紹 |
封裝形式 |
工作電壓 |
備注 |
兼容型號 |
| IU8202 |
PVDD=3.6V: PO=200mW/RL=16Ω; PO=180mW/RL=32Ω |
DFN-8(1.6*1.6) |
2.5V-5.5V |
差分輸入、支持大動態信號輸出、超低靜態功耗5μVRMS超低底噪, 400mW單聲道高性能音頻驅動芯片 |
|
| HT97226 |
輸出功率: 80mW (fIN = 1kHz, VDD=3.6V, RL=32Ω,
THD+N=1%) ;
160mW (PVDD = 5V, fIN = 1kHz, RL=32Ω,
THD+N=0.1%) |
QFN-16 |
2.5V-6V |
160mW免輸出耦合電容的立體聲耳機放大器 |
MAX97220/SGM4917/HT97220/HT97180 |
| HT4822 |
2*80mW (PVDD=3.6V, RL=32Ω, THD+N=1%) |
QFN-16 |
2.5V-6.0V |
80mW免輸出電容立體聲耳機放大器 |
HT4832/PAM8908/TPA6132A2 |
| HT97180 |
2X125mW/4.2V/32Ω |
QFN-16 |
1.65V-4.8V |
1.6V超低工作電壓、無POP聲、免電容差分輸入125mW立體聲G類耳機放大IC |
SGM4917/MAX97220 |
| HT5010 |
HT5014/5/8系列產品是一款低成本的立體聲DA轉換
器,內部集成了內插濾波器、DA轉換器和輸出模擬
濾波等電路。其可支持多種音頻數字輸入格式,最大
支持24-bit字節。 |
MSOP-10 |
3.3V |
24-Bit, 192kHz立體聲D/A數模轉換器 |
CS4344/ES7144/MS4344 |
| HT876 |
2X10.9W/8.5V/4Ω或18W/8.4V/2Ω |
TSSOP-20 |
2.5V-9.8V |
帶任意限幅的高保真D類/AB類切換10W立體聲功放IC,適用于兩節鋰電池串聯8.4V供電的音頻產品 |
|
| HT560 |
2X40W/18V/4Ω或75W/24V/4Ω |
QFN-36 |
4.5V-26V |
30W立體聲D類I2S輸入音頻功放 |
|
| HT7178 |
輸入電壓范圍:2.7V -14 V;輸出電壓范圍:4.5V-20V
;可編程峰值電流: 14A
|
DFN-20 |
2.7V-14V |
20V 14A帶輸出關斷的全集成同步升壓IC |
TPS61088/HT7167 |
| HT317 |
2X42W/18V/4Ω或75W/24V/4Ω |
TSSOP-28 |
5V-26V |
42W立體聲/75W單聲道D類功放IC,,工作電壓5-26V,極限耐壓32V! |
|
| HT97220 |
2X125mW/5.0V/32Ω |
QFN-16 |
2.5V-5.5V |
免電容高保真差分輸入125mW立體聲G類耳機放大IC,管腳兼容MAX97220/MAX9722/LM4817/SGM4917 |
MAX97220/MAX9722/LM4917/SGM4917 |
| HT4832 |
2X.0.033W/3.6V/32Ω |
QFN-16 |
2.3V- 5.5V |
具有雜音抑制功能的25mW DirectPath™ 立體聲耳機放大器 |
PAM8908 |
| CS4420 |
2X130mW/3.6V/16Ω |
TSSOP-16 |
1.8V-5.5V |
帶關斷功能130mW無輸出電容立體聲G類耳機放大器IC) |
|
| CS4410 |
2X.130mW/3.6V/16Ω |
TSSOP-14 |
1.8V-5.5V |
帶關斷功能130mW無輸出電容立體聲G類耳機放大器IC |
MAX4410 |
|
| |
|
| |
|
|
|
| |
業務洽談:
聯系人:張順平
手機:17727550196(微信同號)
QQ:3003262363
EMAIL:zsp2018@szczkjgs.com
聯系人:鄢先輝
手機:17727552449 (微信同號)
QQ:2850985542
EMAIL:yanxianhui@szczkjgs.com
負責人聯絡方式:
手機:13713728695(微信同號)
QQ:3003207580
EMAIL:panbo@szczkjgs.com
聯系人:潘波
|
|
 |
|
 |
|