|
當前位置:首頁->產品展示->音量控制IC->BD37534/BD37534FV/CSC37534(汽車音響用3波段音頻信號處理IC) |
|
|
| 產品名稱: |
BD37534/BD37534FV/CSC37534(汽車音響用3波段音頻信號處理IC) |
| 封裝形式: |
SSOP-28 |
| 兼容型號: |
BD37534 |
| 產品功能: |
包括立體聲輸入端選擇模塊,準差分輸入選擇模式及全差分輸入選擇模式;內置輸入增益控制模塊,主音量控制模塊,響度控制,5 通道音量調節器,為重低音通道設置低通濾波器,內置混合信號輸入端。優化的開關控制特性,可以大大減少開關噪聲,很容易被微機控制,保證了高質量的汽車音響系統。 |
產品規格書下載: CSC37534.pdf |
|
| 在線客服: |
|
|
| 申請樣品: |
申請樣品 |
|
| |
| |
 |
詳細介紹 |
 |
|
 |
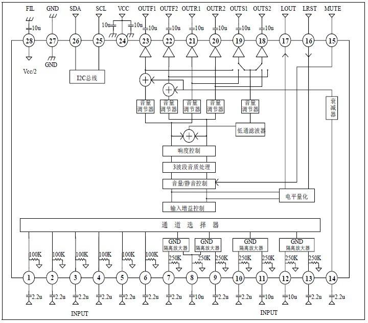
產品概述
CSC37534是一款汽車音響用3 波段音頻信號處理電路。其中包括立體聲輸入端選擇模塊,準差分輸入選擇模式及全差分輸入選擇模式;內置輸入增益控制模塊,主音量控制模塊,響度控制,5 通道音量調節器,為重低音通道設置低通濾波器,內置混合信號輸入端。優化的開關控制特性,可以大大減少開關噪聲,很容易被微機控制,保證了高質量的汽車音響系統。管教兼容BD37534
主要特點
SE、準差分、全差分輸入選擇;
通過優化的開關控制電路大大減少輸入增益控制、靜音、主音量控制、輸出音量調節、低音、中音、高音、響度調節產生的開關噪聲;
輸入級增益控制;可以減少便攜式音頻設備調節音量產生的噪聲;
全集成低音,中音,高音,響度濾波器,無需外圍元件;為重低音通道設置低通濾波器并且GV、Q、fc 受控于I2C 總線,數據控制簡單;
低音,中音,高音的增益控制范圍為20dB,調整步距為1dB;
內含混合信號輸入及混合信號衰減器;
3.3V/5V 均可使用的I2C 總線接口;
設置重低音輸出端,信號輸入可以通過I2C 總線選擇是:前、后及LPF;
SSOP-B28 封裝。
典型應用
汽車音響音頻處理系統;
MINI 音響;
電腦音響;
電視機音頻系統。
引出端排列

引出端功能

典型應用圖

|
|
| |
|
|
| |
| |
 |
您可能對以下產品感興趣 |
 |
|
 |
| 產品型號 |
功能介紹 |
封裝形式 |
工作電壓 |
備注 |
兼容型號 |
| CS5082 |
CS5082E是一款5V輸入,支持雙節鋰電池串聯應用,鋰離 子電池的升壓充電管理IC.CS5082E集成功率MOS,采用異步開關架構,使其在應用 時僅需極少的外圍器件,可有效減少整體方案尺寸,降低BOM成本。 CS5082E的升壓開關充電轉換器的工作頻率為600KHz最大2A輸入充 電,轉換效率為90%。
|
ESOP-8 |
3.44V-7.0V |
帶NTC功能、5V USB輸入、雙節鋰電池串聯應用、升壓充電管理IC,管腳兼容CS5080 |
CS5080 |
| CS8623 |
32W/16V/4Ω |
ESOP-16 |
5.7V-17V |
可使用單面PCB、免濾波、30W單聲道D類音頻功放IC,管腳兼容CS8622 |
CS8622 |
| HT560 |
2X40W/18V/4Ω或75W/24V/4Ω |
QFN-36 |
4.5V-26V |
30W立體聲D類I2S輸入音頻功放 |
|
| 雙節鋰電池7.4V供電實現2X20W音頻放大/升壓/USB充電組合解決方案 |
PO at 1% THD+N, VIN = 7.4V ,2X18W((BOOST升壓值為15V)) |
|
6V-8.4V |
|
|
| HT7178 |
輸入電壓范圍:2.7V -14 V;輸出電壓范圍:4.5V-20V
;可編程峰值電流: 14A
|
DFN-20 |
2.7V-14V |
20V 14A帶輸出關斷的全集成同步升壓IC |
TPS61088/HT7167 |
| HT317 |
2X42W/18V/4Ω或75W/24V/4Ω |
TSSOP-28 |
5V-26V |
42W立體聲/75W單聲道D類功放IC,,工作電壓5-26V,極限耐壓32V! |
|
| AX3005 |
2X10W/12V/8Ω |
QFP-48/HSOP-28 |
8V-18V |
兼容TPA3005,10W雙聲道D類功放IC |
TPA3005 |
|
| |
|
| |
|
|
|
| |
業務洽談:
聯系人:張順平
手機:17727550196(微信同號)
QQ:3003262363
EMAIL:zsp2018@szczkjgs.com
聯系人:鄢先輝
手機:17727552449 (微信同號)
QQ:2850985542
EMAIL:yanxianhui@szczkjgs.com
負責人聯絡方式:
手機:13713728695(微信同號)
QQ:3003207580
EMAIL:panbo@szczkjgs.com
聯系人:潘波
|
|
 |
|
 |
|