產品介紹
ACM6763是一款全集成、三相無刷直流電機驅動芯片,操作電壓4.5V-32V,5A峰值相電流能力,耐壓45V. 內部集成三相無刷電機驅動算法、功率管以及電流/電壓檢測. 能夠在極簡外圍(只需要6個阻容器 件+1個電阻)的情況下驅動三相無刷直流電機。
無傳感器驅動模式下(推薦),ACM6763不需要外置霍爾傳感器便可以啟動三相電機并實現180度的 正弦波驅動。電機旋轉過程安靜,高效,特別適用于對靜音要求高的風機和水泵應用場景。 ACM6763支持多種閉環轉速曲線;支持水泵空載停轉檢測;支持多種調速方式,如外部模擬電壓調速、 外部PWM調速、外部Clock調速、I2C命令調速.
在控制方式上,ACM6763支持:
1)控制方式1, 直接的I2C寄存器控制。 利用系統上的MCU 對ACM6763進行初始化( 配置電機的參數, 如相電阻, Ke ,換相提前角,啟動加速度,閉環加速度,初始速度等 )或者其他控制( 調速,正反轉,剎車等 )。 2)控制方式2, 硬件pin控制。SPEED pin支持外部的電壓,PWM占空比,PWM頻率等調速方式;DIR pin控制電機的正反轉;BRAKE pin支持剎車。
在硬件控制模式下,ACM6763內部的控制參數通過I2C編 程燒寫。可以先利用USB轉I2C的調試小工具通過控制方式1(I2C)把參數調試好,然后燒錄進去。燒錄 好的ACM6763下次上電可以直接由外部管腳控制。可以支持多次燒寫(燒寫次數無限制)
軟件調試界面

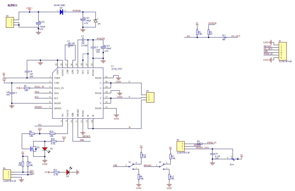
評估板原理圖

PCB截圖

BOM表

評估板實物圖

詳細的產品資料及銷售聯絡信息請參看:http://m.lbxn.com.cn/products_6075.htm
|