隨著全球家用電器變頻化的加速滲透,5G、AI以及數據計算等終端系統復雜度的提升,也為智能功率模塊市場帶來大量增長。IPM智能功率模塊不僅可以簡化電路設計,減少在電路中的占用空間,還可以提高電路的運行可靠性,廣泛應用于消費電子、家電、汽車、軌道交通、工業設備、新能源、智能電網等眾多領域。

為響應市場需求,森國科推出一款緊湊型全塑封SOP-23H封裝的IPM智能功率模塊KG05AS05B1M1(500V,5A) ,這是一款高集成、高可靠性的三相無刷直流電機驅動電路模塊,目前可為風扇類、廚房煙機、高速風筒、風機、泵類等小功率電機驅動產品提供經濟高效的解決方案。
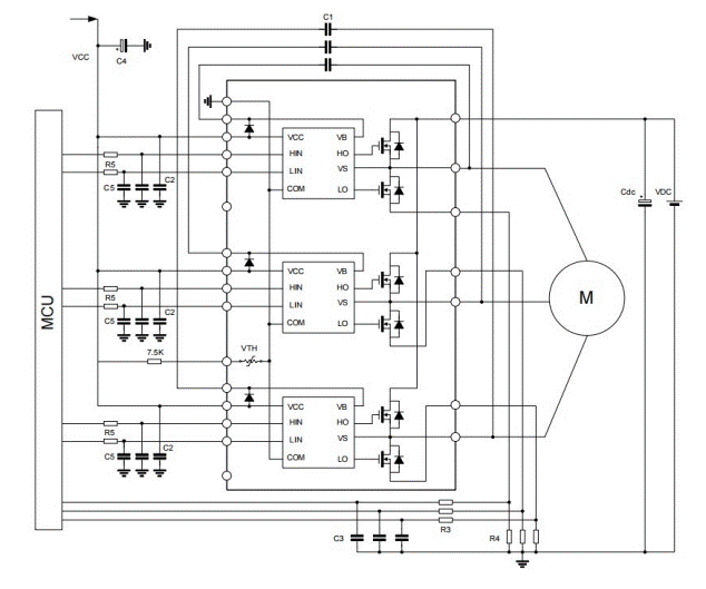
森國科IPM智能功率模塊KG05AS05B1M1集成了6個MOS管和3個半橋高壓柵極驅動電路,具備欠壓保護和失效保護功能,以保證電子設備的安全和可靠性。由于每一相都有一個獨立的負直流端,其電流可以分別單獨檢測。KG05AS05B1M1封裝采用了高絕緣、易導熱和低電磁干擾的設計,使其具備開關速度快、功耗低、抗干擾能力強和高可靠性等優點,有利于近一步降低系統成本。
性能特點
• 開關頻率10kHz以上
• 三相500V快恢復功率MOS管,內置保護功能柵極驅動
• 內置自舉二極管
• 獨立的負直流端便于三相變頻器電流檢測的應用
• 完全兼容 3.3V 和 5V 的 MCU 的接口,高電平有效
• 優化并采用了低電磁干擾設計
• 內置負溫度系數電阻用于溫度檢測
• 內置欠壓保護高壓柵極驅動電路
• 1500Vrms/min絕緣級別
應用電路

IPM智能功率模塊因其高效穩定、多重保護、靈活可調和應用廣泛等特點受到了汽車、工業設備、新能源等產業等多個領域的需求驅動。預計未來IPM市場將繼續保持增長,并呈現出更多的應用領域。森國科也將會加大技術創新與探索,推出更多系列新品,敬請期待!
關于森國科
深圳市森國科科技股份有限公司是一家專業從事功率器件、模塊,功率IC的高新科技企業。功率器件主要包括碳化硅二極管、碳化硅MOSFET、IGBT,功率芯片主要包括功率器件驅動芯片、無刷電機驅動芯片兩大類。公司總部在深圳市南山區,在深圳、成都、蘇州設有研發及運營中心。公司研發人員占比超過70%,研究生以上學歷占比50%,來自聯發科、海思、比亞迪微電子、羅姆、華潤上華等機構,囊括清華大學、電子科技大學、西安電子科技大學、西北工業大學等微電子專業知名院校。
森國科碳化硅產品線為650V和1200V 碳化硅二極管、碳化硅MOSFET、SiC二極管模塊、SiC MOSFET 模塊,該產品系列廣泛應用于新能源汽車、光伏逆變器、充電樁電源模塊、礦機電源、通信設備電源、5G微基站電源、服務器電源、工業電源、快充電源、軌道交通電源等。森國科碳化硅產品采用6寸車規級晶圓,具有高耐溫,高頻,高效,高壓特性,已穩步進入國內汽車三電、主流大功率電源、光風儲逆變器、充電樁電源模塊等上市公司供應鏈。森國科功率IC采用先進的高壓特色工藝,包括功率管及模塊的驅動、BLDC及FOC電機的驅動。經過5年的發展,該產品線的團隊在BCD工藝,UHV工藝、數模混合、電機驅動算法方面有深厚的積累。功率器件驅動芯片,已經大規模量產中低壓系列,即將推出高壓系列。在電機驅動芯片方面,已經推出單相BLDC散熱風扇電機系列,即將推出三相BLDC電機驅動系列。森國科在中金資本、北汽產投、藍思科技、凌霄股份、中科海創等股東的助力下,以低成本創新為己任,努力為客戶提供高性價比的綠色“芯”動力,成為全球領先的功率半導體公司! |