什么是地面彈跳?
地彈是一種噪聲,當PCB接地和芯片封裝接地電壓不同時,晶體管開關期間會出現這種噪聲。
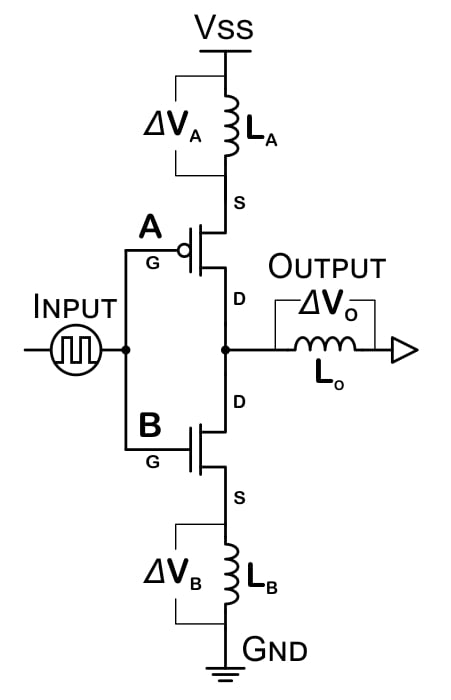
為了幫助解釋接地彈跳的概念,請以下面的推挽電路為例,該電路可以提供邏輯低或邏輯高輸出。

圖 1. 推挽電路
該電路由兩個 MOSFET 組成:上方的 p 溝道 MOSFET 的源極連接到 Vss,漏極連接到輸出引腳。下部 n 溝道 MOSFET 的漏極連接到輸出引腳,源極接地。
這兩種 MOSFET 類型對 MOSFET 柵極電壓具有相反的響應。MOSFET 柵極處的輸入邏輯低信號將導致 p 溝道 MOSFET 將 Vss 連接到輸出,并導致 n 溝道 MOSFET 將輸出與 Gnd 斷開。MOSFET 柵極處的輸入邏輯高信號將導致 p 溝道 MOSFET 將其 Vss 與輸出斷開,并導致 n 溝道 MOSFET 將輸出連接到 Gnd。
將 IC 芯片上的焊盤連接到 IC 封裝的引腳上的是微小的鍵合線。這些機械必需品具有少量電感,由上面的簡化電路建模。電路中當然也存在一定量的電阻和電容,這些電阻和電容沒有建模,也不一定需要理解以下概述。
全橋開關的等效電路中顯示了三個電感器。電感符號代表封裝電感(IC封裝設計固有的電感),電路輸出連接到一些元件(不允許懸空)。
想象一下輸入在很長一段時間后保持在邏輯低電平后遇到這個電路。這種狀態會導致上部晶體管通過上部 MOSFET 將電路的輸出連接到 Vss。經過適當長的時間后,L O和L A中將存在穩定的磁場,并且ΔV O、ΔV A和ΔV B的電勢差為0伏。跡線中將存儲少量電荷。
一旦輸入邏輯切換到低電平,上部 MOSFET 就會斷開 Vss 與輸出的連接,下部柵極將觸發下部 MOSFET 將電路的輸出連接到 GND。
這就是有趣的事情發生的地方——此時輸入邏輯發生變化,結果在整個系統中移動。
地面彈跳的原因
輸出和接地之間的電位差導致電流從輸出通過下部 MOSFET 向下移動到接地。電感器利用存儲在磁場中的能量在 ΔV O和 ΔV B之間建立電勢差,試圖抵抗磁場的變化。
即使它們是電氣連接的,輸出和接地之間的電位差也不會立即處于 0 V。請記住,輸出之前處于 Vss,而 MOSFET B 的源極之前處于 0 V 電位。當輸出線放電時,先前的電位差將導致電流流動。
在電流開始從輸出流向接地的同時,封裝的電感特性在 ΔV B和 ΔV O之間產生電勢差,以嘗試維持先前建立的磁場。
電感器 L B和 L O改變 MOSFET 源極和漏極電勢。這是一個問題,因為 MOSFET 柵極電壓以芯片封裝上的地為參考。當電路在柵極觸發閾值附近振蕩時,輸入電壓可能不再足以保持柵極打開或導致其多次打開。
當電路再次切換時,一組類似的情況將導致在 ΔVA 上建立電勢,從而將 MOSFET A 的源極電壓降低到觸發閾值以下。
為什么地面彈跳不好?
當輸入改變狀態時,輸出和 MOSFET 不再處于定義的狀態——它們介于兩者之間。結果可能是錯誤切換或雙重切換。此外,IC 芯片上共享相同 Gnd 和 Vss 連接的任何其他部件都將受到開關事件的影響。
但地彈的影響不僅限于 IC 芯片。正如 ΔVB 迫使 MOSFET 源極電勢高于 0V 一樣,它也迫使電路 Gnd 電勢低于 0V。您看到的大多數描述反彈的圖像都顯示了外部影響。
如果同時切換多個門,則效果會更加復雜,并可能完全破壞您的電路。
您可以在下面的示例中看到反彈。
圖 2 顯示了連接并激活 LightCrafter Cape 的 BeagleBone Black 計算機的信號線中的顯著 Gnd 和 Vss 反彈。
這 里,開關期間在 3.3V 線路上產生約 1V 的噪聲,該噪聲在終落入背景線路噪聲之前繼續在信號線路中明顯諧振。

圖 2.連接并激活 LightCrafter 帽的 BeagleBone Black 信號線。
噪聲不僅限于正在開關的門。開關門連接到 IC 電源引腳,而 PCB 通常共享公共電源和接地軌。這意味著噪聲可以通過芯片上的 Vss 和接地的直接電氣連接或 PCB 上走線的耦合輕松傳遞到電路中的其他位置。

圖 3.該圖像是從附有 LightCrafter 斗篷的 BeagleBone Black 捕獲的。
在圖 3 中,通道 2(上面以青色顯示)顯示無阻尼信號線中的接地和 Vss 反彈。該問題非常嚴重,以至于它會傳送到通道 1 上的另一條信號線(以黃色顯示)。
減少接地彈跳的方法:PCB 設計技巧
方法#1:使用去耦電容器來定位接地彈跳
減少地彈的解決方案是在每個電源軌和地之間安裝 SMD 去耦電容器,并盡可能靠近 IC。遠處的去耦電容器具有很長的走線,會增加電感,因此將它們安裝在遠離 IC 的地方對自己沒有任何好處。當 IC 芯片上的晶體管切換狀態時,它們將改變芯片上晶體管和本地電源軌的電位。
去耦電容器為 IC 提供臨時、低阻抗、穩定的電位,并限制反彈效應,以防止其擴散到電路的其余部分。通過使電容器靠近 IC,可以限度地減少 PCB 走線中的電感環路面積并減少干擾。
給新設計師的注意事項:去耦電容器并不總是顯示在原理圖上,有時也不會在數據表中提及。這并不意味著設計不需要它們。去耦電容器被認為是成功設計的基礎,以至于作者會假設您知道需要它們,有時會從原理圖中刪除它們以減少混亂。選擇 100 nf (0.1 uF) X7R 或 NP0 陶瓷,除非數據表另有指示。
混合信號 IC 通常具有獨立的模擬和數字電源引腳。您應該在每個電源輸入引腳上安裝去耦電容器。 電容器應位于 IC 和連接到 PCB 上相關電源層的多個過孔之間。

去耦電容器應通過過孔連接到電源層。
多個過孔是,但由于電路板尺寸要求,通常是不可能的。如果可以的話,使用銅澆注或淚滴來連接過孔;如果鉆頭稍微偏離中心,額外的銅有助于將過孔連接到走線。

上圖所示為 IC (U1) 和四個電容器(C1、C2、C3、C4)的銅焊盤。C1和C2是用于高頻干擾的去耦電容器。根據數據表建議將 C3 和 C4 添加到電路中。由于其他平面的限制,過孔放置并不理想。
有時,在物理上不可能將去耦電容器放置在靠近 IC 的位置。但是,如果將其放置在遠離 IC 的地方,則會產生電感環路,從而使地彈問題變得更糟。幸運的是,這個問題有解決方案。
去耦電容器可以放置在 IC 下方電路板的另一側。
而且,在絕望的情況下,您可以使用相鄰層上的銅在板內制造自己的電容器。這些電容器被稱為嵌入式平面電容器,由 PCB 中由非常小的介電層隔開的平行銅澆注組成。這種類型電容器的額外好處之一是的成本是設計人員的時間。
方法#2:使用電阻器限制電流
使用串聯限流電阻來防止過量電流流入和流出 IC。
這不僅有助于降低功耗并防止設備過熱,而且還能限制從輸出線通過 MOSFET 流向 Vss 和 Gnd 軌的電流,從而減少接地反彈。
方法#3:使用布線來降低電感
保留在相鄰走線或相鄰層上。由于存在厚芯材料,電路板上第 1 層和第 3 層之間的距離通常是第 1 層和第 2 層之間距離的幾倍。信號和返回路徑之間任何不必要的分離都會增加該信號線的電感以及隨后的地彈效應。
讓我們評估一個現實世界中的電路板示例。在下圖中,您可以看到 Arduino Uno 的 PCB 布局。

模擬和數字 接地 分別以白色和黃色突出顯示。
正如您所看到的,該板具有單獨的模擬和數字接地返回引腳,這很好。然而,電路板的布局抵消了將它們分開的任何積極影響。IC 的數字接地引腳與接頭排上的接地引腳之間沒有清晰且直接的路徑。
信號將通過 IC 的迂回路徑到達接頭引腳,并通過接地引腳返回迂回路徑。由于 Arduino Uno 是的電路板之一,因此這是“如何布局電路板并不重要”的示例。
通過編程和設計考慮來減少接地彈跳
隨著開關門數量的增加,地彈干擾也會增加。如果在您的設計中可能的話,請以短延遲偏移開關門。
例如,您的設計可能會以不同的時間間隔(1 秒、2 秒、3 秒等)閃爍各種 LED,以指示設計的狀態。當所有三個 LED 同時切換時,地彈效應對電路的影響。
在此示例中,您可以通過稍微偏移 LED 來減輕地彈的影響,使它們不完全同步。在 LED 之間引入 1 毫秒的偏移對于用戶來說是感覺不到的,但會將地面反彈效應降低約 3 倍。 |