隨著無刷電機的需求增加,和產品新能的要求不同,很多朋友對有感和無感三相電機的看法不同,不管高壓還是低壓,有感無感三相正弦波電機都需要驅動。三相正弦波空氣凈化驅動,三相正弦波落地扇驅動,三相正弦波水泵驅動,三相正弦波吊扇驅動。都會有有感和無感的。那我個人來談談自己的看法。
對于有感的
1.需要一個霍爾板,如果是內置驅動還好,驅動和霍爾板都在一個板子上,只要霍爾定位做好就好。
2.有霍爾感應好,反應快,起停效果好,順暢。
3.基本可以用專用芯片搞定,不需要MCU,不需要算法,也不需要關鍵工程(這樣的工程師好貴的)
4.針對功能相對簡單的三相電機驅動。
5.成本低,門檻低,硬件調試快
6.內置驅動基本會選擇有感。
對于這樣的有霍爾的三相正弦波電機驅動方案我會推薦幾個上海晶豐明源電機驅動方案,低成本高性價比:
低壓的:BP6308AP

實際電機圖應用圖片:



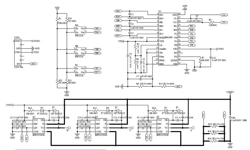
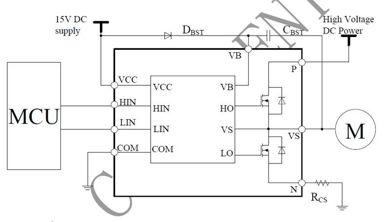
高壓的:BP6309P+BPP10450,
BP6309P+BPP1N5004D,
BP6309P+BP6901A+MOS
如果需要供電,可以加一個非隔離低成本電源管理芯片BP6513G




對于無感的
1.不管內置外置都不需要霍爾板。但是長期重載突然輕載或者空載會引起死機或者不良。
2.啟動時有個反向轉動,利用程序模擬出UVW三相,如果是風扇,吊扇會有不好的體驗感,畢竟目相正弦波或者方波的風扇,吊扇能看到負載的一些產品都不便宜。
3.需要MCU,需要些程序,需要軟件工程師,對算法有一定要求,軟件調試費時間。
4.針對功能比較復雜的需要實現功能較多的三相電機驅動。
5.門檻高,成本相對較高。
6.一般一些看不到起停,看不到負載的應用。
針對這樣的不帶霍爾的的三相正弦波電機驅動方案我會推薦幾個電機驅動方案
低壓的:MCU+BP6901A系列(Diriver)+BPM0405CG有一系列的低壓mos
高壓的:MCU+BPP1N5004D(DIP8功率模塊)+BP6513G非隔離電源管理芯片
MCU+BPP10450DS(功率模塊)+BP6513G非隔離電源管理芯片





|