你知道“凌波微步”嗎?它是武俠小說中一種精妙絕倫的輕功,想要修煉這種輕功的前提是必須擁有深厚的內力。練習武功如此,電子半導體亦是如此,只有積累大量的經驗和技術沉淀,才能做出一款經久耐用的產品。
東芝在電機驅動這方面就下足了功夫,將步進電機驅動芯片做了創新,新增了高級動態混合衰減(ADMD)技術,給步進電機賦予了“凌波微步”的能力,它就是TB67S109AFTG!該芯片的另一個優勢是體積較小,效率高,而且附加功能較多,為廣大工程師后續的電機驅動選型和應用提供了更靈活的選擇。
01 電氣特性分析
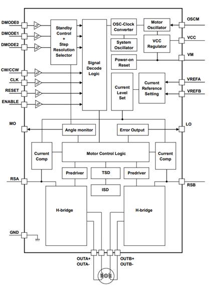
東芝TB67S109AFTG是一種配備了PWM斬波器的2相雙極步進電機驅動器。其內置時鐘解碼器,同時采用BiCD工藝制造,能提供大電流能力,其工作狀態下的額定值為50V/4A;同時TB67S109AFTG具有高精確度驅動能力,最高32細分,采用東芝高級動態混合衰減(ADMD)技術,可以適應高速電機驅動需求。另外,TB67S109AFTG內部集成的5V穩壓器,可滿足單電源供電要求。
具體參數如下:
• BiCD工藝集成式單片IC。
• 具有內置時鐘解碼器。
• 能夠控制1臺雙極步進電機。
• 由PWM控制的恒流驅動。
• 允許全步,半步,1/4,1/8,1/16,1/32步運行。
• 低導通電阻(高邊+低邊=0.49Ω(典型值))MOSFET輸出級。
• 采用高級動態混合衰減(ADMD)技術。
• 具有50V高電壓與4A大電流平穩輸出。
• 錯誤檢測(TSD/ISD)信號輸出功能。
• 內置錯誤檢測電路(熱關斷(TSD),過流關斷(ISD),以及上電復位(POR))。
• 內置VCC調節器供內部電路使用。
• 可通過外電阻與電容自定義電機的斬波頻率。
• 多封裝產品線:
TB67S109AFTG:P-WQFN48-0707-0.50-003;
TB67S109AFNG:HTSSOP48-P-300-0.50。
注:在使用期間,請注意散熱條件。

02 功能特性分析
采用高級動態混合衰減(ADMD)技術,動態調整混合衰減比例,優化步進電機高速電流驅動。如下圖所示,在高速電流驅動狀態下,傳統的方式可能會發生失步現象(圖左),而ADMD則可以實現精準的控制(圖右)。采用ADMD技術能夠實現更緊密的輸入電流跟蹤,從而進一步強化了高轉速條件下的高效電機控制。

采用BiCD工藝制造有助于降低電路內部的功耗。驅動MOSFET低導通電阻(高邊+低邊典型值0.49Ω(典型值)),能夠有效降低驅動IC的發熱,與此同時采用QFN48封裝還可以縮減驅動電路的PCB面積,降低生產成本。
錯誤檢測標識輸出功能:TB67S109AFTG具有錯誤檢測功能,當驅動芯片檢測到發生熱關斷(TSD)、過流(ISD)時就會觸發錯誤檢測標識輸出功能,從LO引腳將低電平信號輸出到外圍模塊,實現快速處理故障操作。

03 應用場景
TB67S109AFTG因其優異的驅動性能和技術被廣泛應用于辦公自動化設備,商業及工業設備,包括機器人和打印機等。
東芝半導體在電機驅動IC有著非常豐富的研發經驗,經過對技術的不斷積累與沉淀,在電機驅動IC上不斷地“修煉”,讓電機驅動IC的性能能夠“驚艷群芳”。在未來電機驅動方面的產品選型和參考中,東芝也會持續為您提供更多服務與產品~ |