隨著鋰電池技術發展,鋰電池在能量密度、循環壽命、充電速率等方面的優勢愈發明顯,加之鋰電池不含有害重金屬,鋰電池在消費電子、工業、汽車等市場得以廣泛應用。然而由于材料特性,鋰電池雖然很強大但也很“嬌氣”,需要用專門保護電路來保證其安全工作。
針對多節鋰電池應用,南芯推出可堆疊的2~5串鋰電池保護IC SC5550系列產品,為多串移動電源、戶外電源、儲能、無繩電動工具、掃地機、手持吸塵器、電動滑板車等產品鋰電安全保駕護航。
SC5550 產品介紹

SC5550支持充電過壓保護OVP(保護點從3.0 V 到4.575V可選)、放電欠壓保護UVP(保護點從1.2V到3.0V可選),涵蓋磷酸鐵鋰、鋰離子/鋰聚合物等多種鋰電池。此外,SC5550的OVP和UVP保護檢測延時可以通過專用管腳RDP電阻進行配置,支持用戶靈活配置保護延時參數。

圖2. SC5550支持外部電阻調節OVP和UVP延時
SC5550 產品優勢
SC5550支持兩級放電過流保護、短路保護及充電過流保護;支持充電和放電雙方向的高溫和低溫保護,避免電池在高溫或低溫下充電放電影響電池使用壽命。
由于振動或其它機械應力等原因,在多串電池包里電芯連接線及NTC連線有可能斷開,一旦斷開會導致電芯電壓和溫度檢測異常。SC5550支持電芯斷線檢測功能,支持溫度檢測NTC斷線檢測。當檢測到電芯連接線斷開或者NTC連接線斷開,SC5550將關斷充電及放電通路,直到錯誤狀態恢復。
隨著大家對鋰電池安全更加重視,很多電池安全標準要求電池要做二級保護。
SC5550在上述保護的基礎上,集成OV二級保護,當二級過壓保護觸發時,OVP2 管腳將從芯片內部被拉高,該信號可用來控制一個三端保險絲實現電路熔斷,即使充放電MOS管失效不能斷開通路也能通過三端保險絲對電池進行保護。此外,也可以將該信號用作告警信號輸出或指示。

圖3. SC5550集成二級保護
如有高壓高功率需求,需要用到6節以上串聯電池,SC5550支持可堆疊設計,單顆SC5550支持2~5串電池,通過2~3顆SC5550 堆疊,將可支持的串數拓展到6~15S。

圖4. SC5550通過堆疊可支持6~15串電池
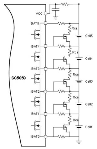
多串電池在使用中容易產生電芯不均衡問題,影響電池的使用壽命。與SC5550 同系列的SC5650, 在支持SC5550的基礎上,集成了100mA 的均衡功能。如需更高均衡電流,也可通過外加MOSFET拓展外部均衡電路。

圖5. SC5650支持內部和外部均衡
結 語
南芯SC5550系列鋰電保護IC,既有全面的一級保護(過充、過放、充電過流、放電過流、短路、高溫、低溫),又有二級保護;既有電芯保護(電芯電壓、電流、溫度檢測),又有保護板系統保護(電芯連接斷線、NTC連接斷線);既可以堆疊,又可以均衡,功能全面且具有低功耗特點,休眠狀態下5uA的工作電流,使產品有更長的待機時間。 |