分段DAC
當我們需要設計一個具有特定性能的DAC時,很可能沒有任何一種架構是理想的。這種情況下,可以將兩個或更多DAC組合成一個更高分辨率的DAC,以獲得所需的性能。這些DAC可以是同一類型,也可以是不同類型,各DAC的分辨率無需相同。
原則上,一個DAC處理MSB,另一個DAC處理LSB,其輸出以某種方式相加。這一過程稱為“分段”,這些更復雜的結構稱為“分段DAC”。有許多不同類型的分段DAC,本指南不可能逐一說明,但會介紹其中的幾種。
圖1顯示了兩類分段電壓輸出DAC。圖1A中的架構有時稱為Kelvin-Varley分壓器,由兩個或更多“串DAC”組成。第一級與第二級之間存在緩沖器,因此第二個串DAC不會加載第一個串DAC,該串中的電阻值無需與另一個串中的電阻值相同。然而,各串中的所有電阻必須彼此相等,否則DAC將不是線性的。示例的第一級和第二級均為3位,但為了具有普遍意義,我們稱第一(MSB)級的分辨率為M位,第二(LSB)級的分辨率為K位,總分辨率為N
= M + K位。MSB DAC具有2M個等值電阻,LSB DAC具有2K個等值電阻。

圖1:分段式電壓-輸出DAC
當然,緩沖放大器具有失調,這可能會在緩沖分段串DAC中造成非單調性。在緩沖Kelvin-Varley分壓器緩沖器的更簡單配置中(圖1A),緩沖器A總是“低于”(電位低于)緩沖器B,LSB串DAC上標“A”的額外抽頭是不必要的。數據解碼電路僅為兩個優先級編碼器。然而,在此配置中,緩沖器失調可能會造成非單調性。
但是,如果將MSB串DAC的解碼電路做得更復雜一點,使得緩沖器A只能連接到MSB串DAC標“A”的抽頭,緩沖器B只能連接到標“B”的抽頭,則緩沖器失調將無法造成非單調性。當然,LSB串DAC解碼必須改變方向,
緩沖器需要跳躍連接到另一端,LSB串DAC的抽頭A和B不需要交替,但這需要略微復雜一點的邏輯,而性能的提高證明這樣做是值得的。
也可以不使用第二個電阻串,而是使用一個二進制DAC來產生三個LSB,如圖1B所示。制造極高分辨率的R-2R梯形電阻網絡非常困難,更確切地說,很難將其調整為單調性。因此,常見的情況是LSB使用由梯形電阻網絡,2到5個MSB則使用其它結構來合成高分辨率DAC。圖1B所示的電壓輸出DAC由一個3位串DAC和一個3位緩沖電壓模式梯形電阻網絡組成。

圖2:分段無緩沖串DAC使用專利架構
無緩沖的分段串DAC架構如圖2所示。在原理上,這種形式更巧妙,并且可以通過CMOS工藝制造(它能制造電阻和開關,但不能制造放大器),因此也更便宜。這種架構本身即具備單調性。
本例中,兩個串中的電阻必須等值,唯一的例外是MSB串中的頂端電阻必須較小(其它電阻值的1/2K),此外LSB串具有2K
–
1個電阻,而不是2K個。由于沒有緩沖器,LSB串看起來像是與它切換并加載的MSB串中的電阻并聯,這就使得該MSB電阻上的電壓降低LSB串
DAC的1
LSB,而這正是所需要的結果。由于無緩沖,此DAC的輸出阻抗隨著數字代碼的改變而變化。
為了更好地了解這一巧妙的原理,對于圖2所示的由兩個3位串DAC組成的6位分段DAC,我們計算并標示出了各抽頭的實際電壓。建議讀者將第二個串DAC連接到第一個串DAC中的任何其它電阻兩端,完成這一簡單的分析過程并驗證結果。關于無緩沖分段串DAC的詳細數學分析,請參閱ADI公司的Dennis
Dempsey和Christopher
Gorman于1997年申請的相關專利(參考文獻1)。
適合視頻、通信和其它高頻重構應用的極高速DAC常常采用完全解碼電流源陣列來構建,兩或三個LSB可以使用二進制加權電流源。此類DAC在高頻時的失真非常低,這一點極其重要,而且設計中還有幾個重要問題需要考慮。
首先,電流不是接通或關閉,而是被導向一個地方或另一個地方。在高速運行時,關閉電流常常會引起感性尖峰,由于電容充電,它一般需要比電流導向更長的時間。
其次,芯片上開關電流所需的電壓變化應盡可能小。電壓變化會導致更多電荷流入雜散電容,電荷耦合的毛刺也會更大。
最后,解碼必須在新數據應用到DAC之前完成,使得所有數據均已就緒,可以同時應用到DAC中的所有開關。其實現方式一般是對一個完全解碼陣列中的各個開關使用獨立的并聯鎖存器。如果所有開關瞬間同時改變狀態,就不會有偏斜毛刺。只要精心設計芯片周圍的傳播延遲以及開關電阻和雜散電容的時間常數,就能非常好地實現更新同步機制,因而毛刺相關的失真將非常小。
圖3顯示了分段電流輸出DAC結構的兩個例子。圖3A所示為利用電阻方法實現7位DAC,其中3個MSB通過完全解碼獲得,4個LSB來自一個R-2R網絡。圖3B所示為使用電流源的類似實現方案。對于當今的高速重構DAC,電流源方案是目前最受歡迎的實現方法。

圖3:分段電流輸出DAC: (A)電阻方案;(B)電流源方案
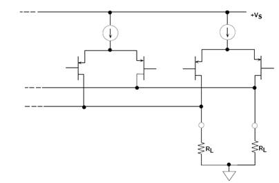
此外,常常也需要利用多個完全解碼DAC來構成整個DAC。圖4所示的6位DAC由兩個完全解碼3位DAC構成。如前所述,為使輸出毛刺最小,必須利用并聯鎖存器同時驅動這些電流開關。

圖4:基于兩個3位溫度計DAC的6位電流輸出分段DAC
AD977514位160 MSPS(輸入)/400
MSPS(輸出)TxDAC®使用三段,如圖5所示。AD977x系列的其它產品和AD985x系列也使用同樣的基本內核。

圖5:AD9775 TxDAC® 14位CMOS DAC內核
前5位(MSB)為完全解碼型,驅動31個同等權重的電流開關,各開關提供512
LSB的電流。后續4位解碼為15條線,驅動15個電流開關,各開關提供32
LSB的電流。最后5個LSB位被鎖存,并驅動一個傳統二進制加權DAC,該DAC針對每個輸出電平提供1
LSB。為了實現這種超低毛刺架構,總共需要51個電流開關和鎖存器。
TxDAC系列中的基本電流開關單元由圖6所示的差分PMOS晶體管對組成。這些差分對通過低電平邏輯驅動,以便最大程度地降低開關瞬變和時間偏斜。DAC輸出為對稱的差分電流,有助于減少偶數階失真產物(特別是驅動變壓器或運放差分電流電壓轉換器等差分輸出時)。
AD977x
TxDAC®系列和AD985x-DDS系列的總體架構實現了功耗與性能的出色平衡,通過標準CMOS工藝就可以實現完整的DAC功能,無需薄膜電阻。

圖6:PMOS晶體管電流開關
參考文獻:
1.Dennis Dempsey and Christopher Gorman,
"Digital-to-Analog Converter," U.S. Patent 5,969,657, filed July 27, 1997,
issued October 19, 1999.(描述一款出色的分段無緩沖串DAC解決方案)。
2.John A. Schoeff, "An
Inherently Monotonic 12 Bit DAC," IEEE Journal of Solid State Circuits, Vol.
SC-14, No. 6, December 1979, pp. 904-911.(描述首個使用分段的一款單調DAC)。
3.Walt
Kester, Analog-Digital Conversion, Analog Devices, 2004, ISBN 0-916550-27-3,
Chapter 3.另見The Data Conversion Handbook, Elsevier/Newnes, 2005, ISBN
0-7506-7841-0, Chapter 3.
|