概述
HT91808是一款高性能、低成本、帶有采樣速率 8kHz ~ 96kHz 的立體聲音頻模數轉換器。其集成了64倍過采樣率Δ-Σ調制器、數字梳狀濾波器、數字高通濾波器;HT91808支持主、從機和兩種串行音頻數據格式。支持掉電和時鐘檢測低功耗模式;通過使用增強型雙位∆Σ技術來實現其高精度的特點;HT91808 是單端的模擬輸入所以不需要外部器件。音頻接口有兩種類型(最高有效位左對齊,I2S)適合用于像 DTV,DVR 和 AV接收器的系統。
封裝形式采用TSSOP14,溫度支持-40°C 到 +85°C。適合于面向消費者的專業音頻系統。
特點
24bit Δ-Σ立體聲ADC
+5.0 V 模擬電源 (VA)
+3.3 V數字電源 (VDD)
單端電壓輸入:3Vp-p
THD+N:-93dB(典型值)
SNR:99dB(典型值)
動態范圍:99dB(典型值)
過采樣抽取濾波器
過采樣頻率:x64
通帶紋波: ±0.05 dB
片上高通濾波器:0.91 Hz (48 kHz)
音頻接口:24 位最高有效位左對齊/I2S
可選主機和從機模式
數據格式: 24-Bit I 2 S, 24-Bit 左對齊
集成模擬低通抗混疊濾波器
采樣率: 8 kHz–96 kHz
系統時鐘:256 fs,384 f S , 512 f S
精度:24bit
封裝:TSSOP14
應用
數字電視、AV放大器/接收器、MD播放器、CD刻錄機、多軌接收器及電子音樂儀器等產品
引腳信息

引腳定義

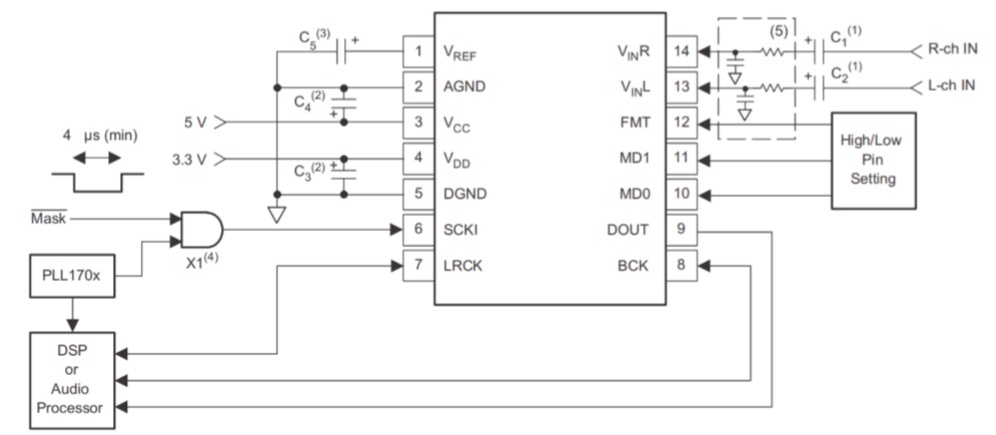
典型應用圖

1. C1,C2:10uF 的交流耦合電容
2. C3,C4:10uF 的電解電容和 0.1uF 的陶瓷電容
3. C5:2.2uF 電容
4. 可選擇的外部抗混疊濾波器
地和電源退耦
HT91808需要特別小心電源和地的排布。另外如果 VCC和VDD 分開,它們的上電順序并不是關鍵。
HT91808的AGND和DGND一定要連接在同一個模擬地上。系統的模擬地和數字地應該被連在一起,并且要靠近印刷電路板地的供電處。退耦電容應該盡可能的靠近HT91808,小的陶瓷電容應該靠最近。
電源基準
模擬電壓輸入范圍是由VCC設置,VREF是50%的VCC。一個2.2uF電容貼在VREF引腳。為了避免帶入HT91808不需要的耦合,所有信號特別是時鐘應該遠離VREF引腳。
模擬輸入
ADC輸入是單端而且內部通過20kΩ電阻偏置在共模電壓(50%*VCC)(典型@fs=48kHz)。輸入信號范圍隨著電源電壓擴張,正常情況為 0.6*VCC Vpp(典型)。ADC 輸出數據格式是二進制的補碼。內部高通濾波器消除直流失調電壓。
產品資料及銷售聯絡信息請參考看:http://m.lbxn.com.cn/products_4899.htm