| 當前位置:首頁->方案設計 |
|
| ADPD188BI煙霧檢測光模塊解決方案 |
|
|
| 文章來源:永阜康科技 更新時間:2018/7/13 9:44:00 |
在線咨詢: |
| |
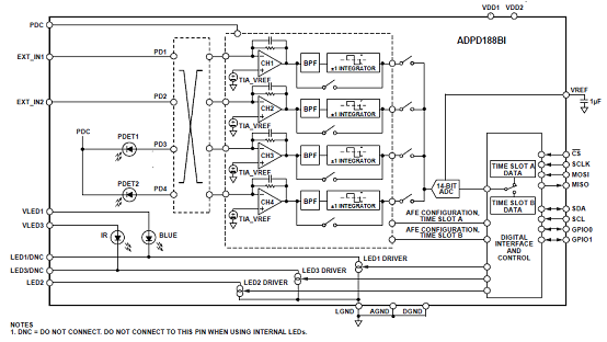
ADI公司的ADPD188BI是用于煙霧檢測的集成光模塊,采用光學雙波長技術,組成完整的光測量系統.模塊集成了高效光測量前端,兩個LED和兩個光電二極管(PD),而前端采用專用集成電路(ASIC),包括控制區塊,帶20位突發累加器的14位ADC和三個靈活單獨可配置的370mA LED驅動器,I2C或SPI接口,主要用在煙霧檢測.本文介紹了DPD188BI主要特性,功能框圖,I2C和SPI模式連接圖表,以及評估板EVAL-ADPD188BIZ-SK主要特性和電路圖.
The ADPD188BI is a complete photometric system for smokedetection using optical dual wavelength technology. The module integrates a highly efficient photometric front end, two lightemitting diodes (LEDs), and two photodiodes (PDs). Theseitems are housed in a custom package that prevents light from going directly from the LED to the photodiode without first entering the smoke detection chamber. The front end of the application specific integrated circuit(ASIC) consists of a control block, a 14-bit analog-to-digital converter (ADC) with a 20-bit burst accumulator, and three flexible, independently configurable LED drivers. The controlcircuitry includes flexible LED signaling and synchronous detection. The analog front end (AFE) features best-in-class rejection of signal offset and corruption due to modulatedinterference commonly caused by ambient light. The dataoutput and functional configuration occur over a 1.8 V I2C interface or serial peripheral interface (SPI) port.
DPD188BI主要特性:
3.8 mm×5.0 mm×0.9 mm module with integrated optical components
1 blue LED, 1 IR LED, and 2 photodiodes
2 external inputs for other sensors (for example,CO and temperature)
Three 370 mA LED drivers
20-bit burst accumulator enabling 20 bits per sample period
On-board sample to sample accumulator enabling up to 27 bits per data read
Optimized SNR for signal limited cases
I2C or SPI communications
DPD188BI應用:
Smoke detection

圖1.DPD188BI功能框圖

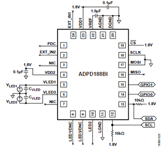
圖2.DPD188BI I2C模式連接圖

圖3.DPD188BI SPI模式連接圖
評估板EVAL-ADPD188BIZ-SK
The EVAL-ADPD188BIZ-SK evaluation board provides users with a simple means of evaluating the ADPD188BI optical module for smoke and aerosol detection applications. The evaluation system includes the Applications WaveTool graphical user interface (GUI), providing users with low level and high level configurability, real-time frequency and time domain analysis, and user datagram protocol (UDP) transfer capability so that the evaluation board can easily interface to the user development system. The EVAL-ADPD188BIZ-SK is powered through the ribbon cable from the EVAL-ADPDUCZ microcontroller board, obtained separately.
評估板EVAL-ADPD188BIZ-SK主要特性:
Supports the detection of UART
UDP transfer capability
Full configuration of the ADPD188BI
Register level
High level
Graph view
Time graph
Frequency graph
評估板EVAL-ADPD188BIZ-SK包括:
EVAL-ADPD188BIZ-SK evaluation board
Ribbon cable

圖4.評估板EVAL-ADPD188BIZ-SK外形圖

圖5.EVAL-ADPDUCZ和評估板EVAL-ADPD188BIZ-SK連接圖

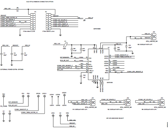
圖6.評估板EVAL-ADPD188BIZ-SK電路圖(1)

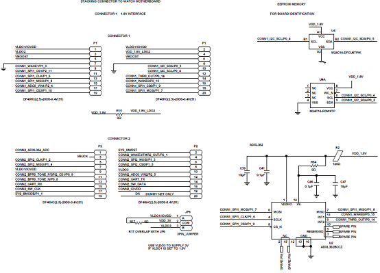
圖7.評估板EVAL-ADPD188BIZ-SK電路圖(2) |
| |
|
|
|
|
|
| |
| |
| |
 |
您可能對以下產品感興趣 |
 |
|
 |
| 產品型號 |
功能介紹 |
兼容型號 |
封裝形式 |
工作電壓 |
備注 |
| HT7178 |
輸入電壓范圍:2.7V -14 V;輸出電壓范圍:4.5V-20V
;可編程峰值電流: 14A
|
TPS61088/HT7167 |
DFN-20 |
2.7V-14V |
20V 14A帶輸出關斷的全集成同步升壓IC |
| FP6296 |
工作電壓範圍2.7V~12V;可調輸出電壓最高13V;內置10A的MOS |
|
ESOP-8 |
2.7V-12V |
內置MOS的10A大電流DC-DC異步升壓IC |
| HT97230 |
2X125mW/5.0V/32Ω |
|
QFN-24 |
2.5V-5.5V |
帶3D環繞音效、低音增強的免電容高保真G類耳機IC |
| HT97220 |
2X125mW/5.0V/32Ω |
MAX97220/MAX9722/LM4917/SGM4917 |
QFN-16 |
2.5V-5.5V |
免電容高保真差分輸入125mW立體聲G類耳機放大IC,管腳兼容MAX97220/MAX9722/LM4817/SGM4917 |
| NS4168 |
2.5W/5V/4Ω |
|
ESOP-8 |
2.8V-5.5V |
I2S數字輸入、防失真、2.5W單聲道D類音頻功放IC |
|
| |
|
| |
|
|