|
當前位置:首頁->產品展示->音量控制IC->CSC2322(兼容PT2322) |
|
|
| 產品名稱: |
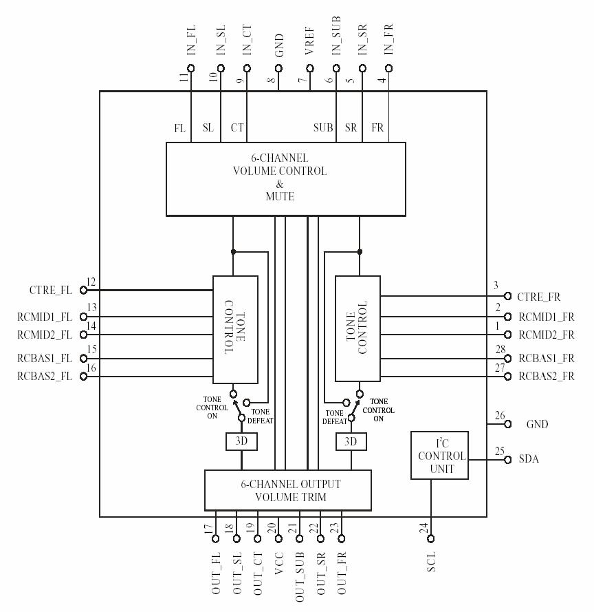
CSC2322(兼容PT2322) |
| 封裝形式: |
SOP-28/DIP-28 |
| 兼容型號: |
PT2322 |
| 產品功能: |
六聲道獨立輸入音質處理器,IIC控制,3波段音質控制(低音,中音,高音) |
產品規格書下載: CSC2322完整.pdf |
|
| 在線客服: |
|
|
| 申請樣品: |
申請樣品 |
|
| |
| |
 |
您可能對以下產品感興趣 |
 |
|
 |
| 產品型號 |
功能介紹 |
封裝形式 |
工作電壓 |
備注 |
兼容型號 |
| HT560 |
2X40W/18V/4Ω或75W/24V/4Ω |
QFN-36 |
4.5V-26V |
30W立體聲D類I2S輸入音頻功放 |
|
| 雙節鋰電池7.4V供電實現2X20W音頻放大/升壓/USB充電組合解決方案 |
PO at 1% THD+N, VIN = 7.4V ,2X18W((BOOST升壓值為15V)) |
|
6V-8.4V |
|
|
| HT7178 |
輸入電壓范圍:2.7V -14 V;輸出電壓范圍:4.5V-20V
;可編程峰值電流: 14A
|
DFN-20 |
2.7V-14V |
20V 14A帶輸出關斷的全集成同步升壓IC |
TPS61088/HT7167 |
| HT317 |
2X42W/18V/4Ω或75W/24V/4Ω |
TSSOP-28 |
5V-26V |
42W立體聲/75W單聲道D類功放IC,,工作電壓5-26V,極限耐壓32V! |
|
|
| |
|
| |
|
|
|
| |
業務洽談:
聯系人:張順平
手機:17727550196(微信同號)
QQ:3003262363
EMAIL:zsp2018@szczkjgs.com
聯系人:鄢先輝
手機:17727552449 (微信同號)
QQ:2850985542
EMAIL:yanxianhui@szczkjgs.com
負責人聯絡方式:
手機:13713728695(微信同號)
QQ:3003207580
EMAIL:panbo@szczkjgs.com
聯系人:潘波
|
|
 |
|
 |
|