前言
在追求高效能與高功率密度的現代電力電子領域,氮化鎵(GaN)技術正引領著一場深刻的變革。為應對快速充電、數據中心能源、綠色照明及工業電源等應用對開關頻率、效率與可靠性的嚴苛要求,集成化、智能化的功率半導體解決方案已成為行業發展的關鍵。值此之際,氮矽科技正式推出其新一代高壓GaN功率集成芯片 DXC650S1K2H。
產品概述
DXC650S1K2H 是一款高度集成的氮化鎵驅動芯片,其核心價值在于有效解決了傳統分立方案中存在的驅動匹配困難、布局復雜以及可靠性不足等關鍵痛點。該芯片內部不僅集成了耐壓700V,導阻1.2Ω (Max),連續電流可達1.6A的 GaN HEMT,更包含了氮化鎵專用驅動、欠壓鎖定(UVLO)及 Brown-in/out 功能,構成了一個完整的高壓開關解決方案。

技術優勢詳解
-
高集成度與易用性:DXC650S1K2H采用SOP10封裝,具有低寄生電感和電阻,用戶無需設計復雜的負壓驅動電路,也無需擔心多個器件并聯時的閾值不一致問題,大幅降低了設計難度與系統成本。
-
強健的電壓耐受能力:DXC650S1K2H在瞬態和浪涌條件下可耐受更高電壓(如瞬態峰值750V、浪涌峰值850V),適用于電網波動、雷擊等嚴苛環境。
-
優異的熱管理與可靠性:芯片結殼熱阻低至8.9°C/W,支持在-40°C至125°C的環境溫度下穩定工作,符合MSL3回流焊標準,適用于自動化貼片生產。
-
低驅動損耗,提升能效:超低輸入電容使柵極電壓的建立和關斷速度越快,縮短器件的開通關斷時間;且對驅動電路的驅動能力要求更低,柵極回路的寄生參數影響更小,高頻工作時的穩定性更高。
-
開通關斷時間可調:通過在柵極與OUTH(上拉端)、OUTL(下拉端)分別連接電阻,能單獨控制開通關斷時間,精準匹配不同拓撲結構對脈沖特性的差異化要求。
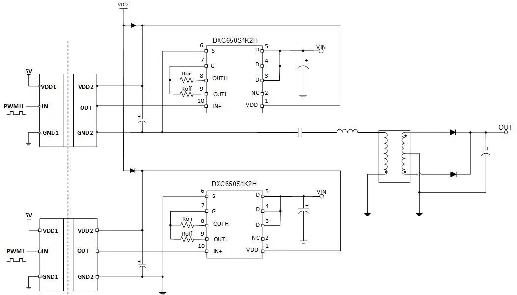
典型應用圖
下述產品應用框圖清晰展示了DXC650S1K2H在典型功率系統中的核心位置與連接關系,有助于工程師快速理解其接口定義、信號流向,為系統架構設計與外圍電路配置提供直觀參考。

廣泛的應用前景
-
高頻高壓脈沖模塊電源
-
AC/DC適配器與充電器
-
LED驅動電源
-
功率因數校正(PFC)電路
-
LLC諧振轉換器
-
無線電力傳輸系統
-
D類音頻功率放大器
5MHz高頻高壓脈沖電源的設計方案與實現
氮矽科技已成功開發并驗證了基于DXC650S1K2H的5MHz高頻高壓脈沖電源設計方案。該方案充分展示了芯片在高頻高壓應用中的卓越性能,其核心實測參數包括:在12VDC輸入條件下,可穩定輸出200V方波,工作頻率達5MHz,脈沖上升與下降時間均小于15納秒。在滿功率連續工作狀態下,芯片結溫控制在110°C以內。
-
驅動與開關一體化設計:采用單芯片集成方案,省去了負壓驅動與電平轉換電路。這種設計將驅動回路縮至最短,有效避免了因驅動阻抗不匹配和寄生電感引起的開關振蕩問題,使設計重點能夠集中于功率主回路的優化。
-
優化的熱設計與功率密度:借助芯片自身低損耗與低熱阻(8.9°C/W)特性,該設計在緊湊空間內實現了有效溫升控制。系統在無額外散熱的自然對流條件下,仍可穩定輸出5MHz/200V的滿功率脈沖,為設備小型化奠定基礎。
-
波形質量的可控性與一致性:通過外置電阻獨立調節芯片開通與關斷速度,可實現對脈沖邊沿的精準控制(可調范圍5ns-20ns)。該特性使工程師能依據負載需求,在開關速度、損耗和EMI之間取得最佳平衡,從而確保波形的一致性與可靠性。
該應用方案表明,DXC650S1K2H能夠有效解決高頻高壓脈沖電源的關鍵設計難題,為醫療成像、工業檢測等對脈沖質量與可靠性要求嚴苛的領域,提供了一個性能卓越、易于實施的電源解決方案。

高頻高壓脈沖模塊電源
總結
隨著快充、服務器電源及新能源等領域對高功率密度與高能效電源的需求日益增長,GaN技術正成為主流選擇。氮矽科技推出的DXC650S1K2H高壓GaN功率芯片,進一步完善了其從中壓至高壓的全場景解決方案,可廣泛適用于傳統電源升級,以及智能家電、工業電源、通信設備等對高效率、小體積設計有更高要求的場景。
該芯片集高集成度、高性能與高可靠性于一體,為電源設計提供了更靈活、高效的方案選擇。目前DXC650S1K2H已開放樣品申請與批量供應,更多技術資料與應用支持可通過氮矽科技官網獲取。 |