你是否曾為高能耗、高噪聲、高成本的小功率電機設計而煩惱?
當傳統方案在效率與穩定性間艱難平衡時——
XZ06GCA60C2DMT以600V/6A全集成IPM架構 ,重新定義性能邊界!
高集成·零妥協·易驅動,讓小功率電機驅動高效如風,穩如磐石!
01 產品型號

XZ06GCA60C2DMT
02 產品概述:專為小功率家電而生
芯達茂推出的XZ06GCA60C2DMT是新一代高度集成的600V/6A三相全橋智能功率模塊(IPM),專為低功率電機驅動場景優化設計。其融合6顆低損耗IGBT功率器件與3路半橋高壓柵極驅動電路(HVIC),為白色家電和小型電動工具提供“高能效、低EMI、強保護”的一體化驅動解決方案,徹底簡化電機控制系統設計。
03 六大技術亮點:性能與安全的雙重突破

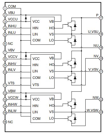
△內部框圖
1. 三相全橋智能驅動架構內置6顆600V/6A低損耗IGBT及匹配的快速恢復二極管(FRD),實現高效電能轉換,降低開關損耗。
2. 多重防護機制
- 欠壓保護:實時監測供電電壓,異常時自動關斷驅動信號,防止器件損壞;
- 溫度實時反饋:內置熱敏電阻輸出溫度信號,支持系統過熱預警(如125℃臨界保護)。
3. 低EMI優化設計通過門極驅動優化與布局創新,顯著降低電磁干擾。
4. 即插即用型接口
- 兼容3.3V/5V MCU 高電平控制信號,無需電平轉換電路;
- 集成帶限流電阻的自舉二極管,簡化外圍電路設計。
5. 精準電流檢測能力每相獨立配置負直流端(N端),支持三相電流分時檢測,提升變頻控制精度。
6. 工業級安全絕緣模塊絕緣耐壓達1500Vrms/min,滿足嚴苛安規要求。
04 實測表現:高溫環境穩定運行
在嚴苛測試中展現卓越可靠性:
環境溫度 55℃
環境濕度 48% RH
IPM外殼溫度 125.9℃(持續穩定)
開關循環測試 10次通斷無失效
結論:在高溫狀況下,模塊仍保持穩定運行,驗證了其熱管理能力與穩定性。

△溫升測試結果

△溫度測試點
05 應用:賦能千行百業
憑借小巧封裝與高集成度,XZ06GCA60C2DMT 可靈活嵌入各類緊湊設備:
XZ06GCA60C2DMT 以 “高集成、高可靠、易設計” 為核心,解決了小功率電機驅動的能效、成本的痛點,助力客戶快速開發下一代智能家電產品。 |