一、前言
在我們設計的電路中,不同芯片的引腳使用的電壓不同,比如常見的 1.8V、3.3V、5V 等,我們需要對不同通信電平的設備進行通信就需要使用電平轉換進行電平匹配,本文介紹常見的電平轉換方法。
二、二極管電平轉換
典型應用:上拉電阻加二極管方案

圖1 二極管轉換電路
• 適用范圍:輸入信號電平大于輸出信號的轉換電路上
• 優點:成本低,使用元件少
• 缺點:只能單向傳輸,且輸入信號電平大于輸出信號,二極管會產生較大的壓降
此處二極管的選擇盡量選擇低壓降的肖特基二極管,以保證信號傳輸不會因為二極管的壓降過大導致電平讀取出錯。
工作過程分析:
當 3.3V 器件輸出高電平信號,由于上拉 5V 作用,信號輸入器件被上拉為 5V 電平。
當 3.3V 器件輸出低電平信號,使 OUTPUT 信號被拉低,從而信號輸入器件信號被拉低。
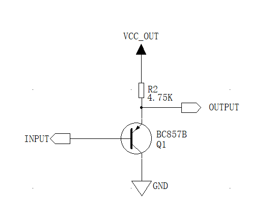
三、三極管電平轉換
三極管電路基本應用如下:

圖2 三極管轉換電路
• 適用范圍:輸入信號電平大于輸出信號的轉換電路上
• 優點:成本低,使用元件少,相較于二極管不同的是,三極管信號輸入端可以用更小的電流驅動,此處可能在某些外設驅動能力較弱的情況下更具優勢
• 缺點:只能單向傳輸,且輸入信號電平大于輸出信號
作用范圍和優缺點和二極管電路類似,三極管也會因為 PN 結產生一定的壓降,從而在三極管的選型上,可以選擇導通壓降較低的三極管。
工作過程分析:
• 當 3.3V 器件輸出高電平信號,由于上拉 5V 作用,信號輸入器件被上拉為 5V 電平。
• 當 3.3V 器件輸出低電平信號,導致 PNP 二極管導通,從而信號輸入器件信號被拉低。
四、MOS 電平轉換:
• 適用范圍:適用于大部分需要電平轉換的應用場景
• 優點:可以雙向傳輸,導通壓降一般較小,且傳輸頻率可以達到很高
下面以 I2C 的其中一條信號線進行工作過程分析:

圖3 MOS 管轉換電路
當 SDA1 輸出高電平時:MOS 管 Q1 的 Vgs = 0,MOS 管關閉,SDA2 被電阻 R3 上拉到 5V。
當 SDA1 輸出低電平時:MOS 管 Q1 的 Vgs = 3.3V,大于導通電壓,MOS 管導通,SDA2 通過 MOS 管被拉到低電平。
當 SDA2 輸出高電平時:MOS 管 Q1 的 Vgs 不變,MOS 維持關閉狀態,SDA1 被電阻 R2 上拉到 3.3V。
當 SDA2 輸出低電平時:MOS 管不導通,但是它有體二極管,MOS 管里的體二極管把 SDA1 拉低到低電平,此時 Vgs 約等于 3.3V,MOS 管導通,進一步拉低了 SDA1 的電壓。
五、電平轉換芯片
如果信號的轉換頻率要求較高,而且不希望產生較大的電壓壓降,很多廠家都有設計專門的電平轉換芯片.
下面是某廠電平轉換芯片介紹,芯片特性如下:
• 電平轉換范圍廣:VCC(A): 1.65 V to 3.6 V and VCC(B): 2.3 V to 5.5 V
• 最大數據速率:50 Mbps
• 多種封裝
• 轉換通道數:4
• 主要適用于:I2C,UART,GPIO 等

圖4 NTS0104 典型應用
六、結語
電平轉換的方式和電路較多,可以根據實際需要選擇合適的方案,目前電平轉換芯片已經很成熟,建議選擇電平轉換芯片會更適用于絕大多數情況。 |