2022年6月,歐盟議會批準了一項新指令,要求下一代便攜式設備必須支持USB Type-C充電連接器。制造商必須在 2024 年秋季之前為其產品增加USB Type-C 接口,以兼容USB Type-C電纜。這項指令為眾多行業帶來影響,包括手機、數碼相機、手持視頻游戲機、便攜式揚聲器、鍵盤、便攜式導航設備、耳塞、鼠標、電子書、耳麥和耳機等。
常見的多串鋰電池供電便攜式電子設備如吸塵器、電動工具、音箱等,因其電源電壓不盡相同,即內部采用的鋰電池串數不同,按照傳統的降壓型充電方式,都需要使用專用的適配器充電,使用無數不同的充電器為其購買的每臺獨特設備供電,從而進一步加劇了電子垃圾的激增。
目前Type-C正在成為為單節和多節電池供電設備充電的標準端口。 移動藍牙、移動電源、電動工具等應用已經從專有充電端口、傳統USB A口和桶形插孔端口過渡到標準化 Type-C接口。 那如何通過Type-c輸入、實現給多節鋰電池快速充電呢?
Type-C輸入給多節鋰電池充電原理說明
取電協議芯片與充電頭(Source) 進行協商,Type-C通過控制信號輸出協商電壓,然后充電管理多串鋰電池或其它類型電池充電。深圳市永阜康科技有限公司現在大力推廣內置PD3.0/QC3.0等主流快充協議2-4節100W升降壓鋰電充電管理芯片M12028,可支持2-4串鋰電池快速充電,滿足多串大容量鋰電池組應用場合。高度集成的芯片設計,外圍元件少,應用簡單,直接使用Type-C充電,無需專用充電器、避免資源浪費。
M12028 快充充電管理芯片快充申請流程示意圖

1、概述
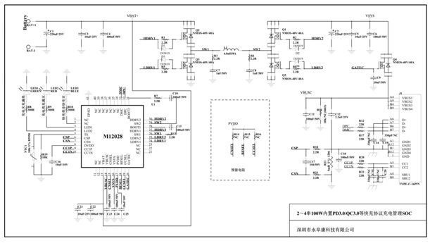
M12028是一款面向小家電、電動工具、戶外藍牙音箱等充電的快充管理SOC,集成了同步開關電壓變換器、快充協議控制器、電池充放電管理、電池電量計算等功能模塊,支持PD3.0、PD2.0、QC3.0、QC2.0、BC1.2 DCP、UFCS快充充電協議,額定充電功率100W,并提供輸入過壓/欠壓、電池過充、過溫、過流等完備的保護功能。搭載極簡的外圍電路,即可組成2-4節電池的快充充電解決方案。
充電管理
高效 Buck-Boost 變換器(開關頻率:最大 1MHz)
最高充電效率:98% 高度集成
充電輸入電壓 4.5~20V,額定充電功率 100W
電芯串數可配置,支持2-4節鋰電池、磷酸鐵鋰電池等
電池充滿電壓可配置
充電電流可配置,最大充電電流 5A
充電電流精度 5mA、電壓檢測精度 10mV
支持的快充協議
PD3.0、PD2.0;QC3.0、QC2.0;BC1.2 DCP;UFCS等
2、M12028腳位圖

3、M12028管腳說明

4、M12028 DEMO板原理圖

5、M12028 DEMO板PCB頂層設計圖

6、M12028 DEMO板PCB底層設計圖

7、M12028 DEMO板貼片圖
8、M12028 DEMO板物料清單

9、M12028 DEMO板實物圖

詳細的產品資料及銷售聯絡信息請參看:http://m.lbxn.com.cn/products_6043.htm |