更大容量電池需具備相同或更快充電時間的趨勢正在加速USB-C PD采用更大的功率及更高的輸出電壓, USB PD組織發布了最新的USB PD3.1 EPR規范,使得最大的輸出達到48V 5A, 240W的功率。在設計USB PD適配器和充電器時,要滿足COC V5 Tier2 等最新的能效標準,并考慮小型化設計以配合移動便攜式設備等輕薄短小但功能豐富多樣的趨勢。安森美(onsemi)最新推出的240 W圖騰柱PFC配合最新的高頻準諧振 (QR)控制器所構成的雙管反激變換器 USB PD3.1 EPR適配器和快充參考設計,模擬協議控制板支持所有PD 3.1 EPR固定輸出,在230Vac和48V輸出條件下,四點平均能效達到95.4%,在230Vac和48V5A時,效率高達96.2%, 待機功耗在100mW以下,遠超COC V5 Tier2標準,且PCBA尺寸僅89mm x 51mm x 21.5 mm,功率密度為40W/立方英寸,并且采用低成本的雙層PCB設計,是下一代PD3.1 EPR智能手機快充、筆記本電腦適配器,電動工具快充等的理想選擇方案。

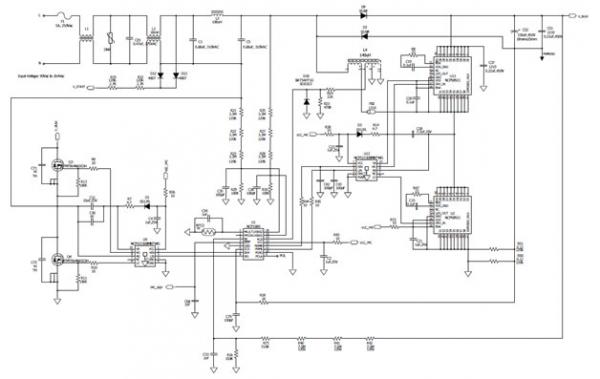
圖1:240W圖騰柱PFC配合高頻QR雙管反激 USB PD3.1 EPR適配器和快充方案
該方案的PFC使用NCP1680 CRM模式,具有谷底同步頻率反走的圖騰柱PFC控制器,配合2只65mohm的SJ FET和2只50mohm的iGaN組成高效的PFC電路,在90Vac和滿載情況下PFC的效率高達97%。 在輕載模式下由后級電路產生skip脈沖信號輸入到NCP1680,使得PFC進入強制skip待機模式,輸出電壓在額定值的94%和100%之間波動來降低開關損耗提高輕載效率。

圖2:240W圖騰柱PFC電路原理圖
PWM部分使用安森美的NCP1345高頻QR反激式脈寬調制 (PWM) 控制器,一只半橋驅動控制器NCP51530和2只iGaN組成雙管反激拓撲架構,使得變壓器可以采用大匝比,電源能近似工作在ZVS狀態并且漏感能量能被完全回饋到電源輸入端而達到非常高的轉換效率。同步整流控制器NCP4307支持高低電壓供電且外圍電路非常簡單,輸出整流采用120V,4hohm的SJ FET FDMS4D0N12C。
提高工作頻率可縮小電源尺寸,該設計在PFC工作,輸出為390V、滿載的情況下,頻率達130~150 KHz,NCP1345 QR反激式拓撲,采用專有的谷底鎖定電路,確保穩定的谷底開關,直至第6個谷底,隨著負載的進一步降低,在空載和輕載時,NCP1345進入Quiet Skip和反激式非連續導通模式(DCM),然后過渡到頻率反走模式,以減少開關損耗,提高空載和輕載能效。谷底鎖定和Quiet Skip實現領先市場的噪聲性能,且由于波形的諧波含量降低,電磁干擾(EMI)性能也得以改善,這可減少所需的EMI濾波器,從而降低成本。NCP1345固有的初級恒流控制使得能很方便的設計最大的恒流點即OCP保護值,這個OCP值在所有的輸入及輸出電壓范圍內幾乎是固定值。另外NCP1345也提供高低電壓雙供電VCC端子以簡化VCC電路的設計。

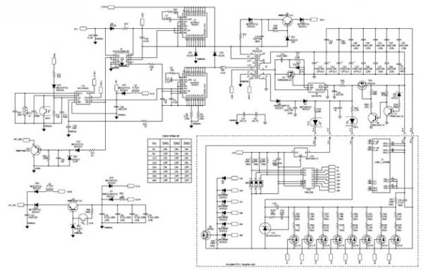
圖3:240W雙管反激同步整流和模擬協議控制電路原理圖
雙管反激變換器要求N*Vo的設計必須小于輸入電壓,否則會自動限制占空比導致OCP保護,所以在變壓器的匝比的設計上確保5V,9V,12V時N*Vo小于90Vac時的最低輸入直流電壓,這樣在5V,9V,12V時可以關斷PFC來提高效率,在15V及以上輸出電壓時PFC一直工作以確保雙管拓撲能正常工作。
由于沒有合適的48V的協議控制器,所以用了431參考基準配合DIP開關分立電路來產生輸出電壓控制采樣反饋及PFC控制電路來模擬PD3.1 EPR的工作狀態,所有這些電路都設計在一個子板卡上以便未來更換PD子卡,模擬PD協議板的界面完全兼容當前的協議界面。本參考設計目前只支持PD3.1 EPR固定的輸出電壓,暫不支持PD3.1 EPR AVS輸出,所以未來只要設計一個PD3.1 EPR協議子卡裝上就能支持完整的PD3.1 EPR輸出。
能效測試
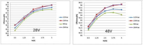
該方案在230Vac和5V輸出沒接負載的情況下,輸入功率小于100mW, 待機功耗及48V下PF曲線如下圖。在5V小負載下的效率及各個輸出下0.25W的效率也很好。在115 VAC(藍色曲線)和230 VAC (紅色曲線)輸入電壓的平均能效和輕載(10%負載)能效,從下面曲線圖可看到都遠高于COC V5 Tier 2平均能效標準和COC V5 Tier 2輕載能效標準,由于PFC在5V,9V,12V時停止工作,所以可以看到這幾個電壓下效率較高,28V和48V滿載下的效率也非常高。

圖4:待機功耗和能效曲線

圖5:28V和48V的負載效率曲線
安全保護功能和恒流控制
該高頻QR USB PD方案集成豐富的安全和保護功能,包括:精密的瞬時過壓保護(OVP)、過流保護(OCP)、短路保護(SCP)、開環保護、X2電容放電等。
OVP保護可以通過ZCD腳外部的電阻來精確設定。OCP可以通過變壓器匝比,初級電流感應電阻及NCP1345內部的恒流電壓參考來設定精密的恒流輸出值得到。具體設計可以參考規格書。
熱性能測試
由于非常高的效率,該方案在沒有加任何導熱材料及主動散熱的情況下,靠自然散熱得到下列的熱成像圖,該熱成像圖是在滿載工作30分鐘后測得。

圖6:240W高頻QR USB PD3.1 EPR適配器參考設計熱成像
|