今天的電動汽車正在慢慢接管汽車行業,并將取代傳統的燃油汽車。這種變化的驅動因素是對節約化石燃料和保護環境的需求不斷增加。如今,傳統燃油汽車造成的溫室氣體排放量占總排放量的 17%。電動汽車不僅通過利用可再生能源有助于減少化石燃料的使用,而且還有助于保護環境,因為它們幾乎沒有排放。它們提供高能效和清潔能源,從而為不斷發展的電動汽車行業鋪平了道路。
盡管電動汽車是一個很好的選擇,但重要的是要考慮到它們面臨的潛在障礙,例如有限的行駛里程和更長的充電時間。與傳統車輛相比,較低的續航里程意味著行駛距離的限制。這對不斷增長的用戶數量構成了一個主要問題,因為當前的基礎設施和電網不足以跟上這一激增的步伐。
即使所有的加油站都換成電動汽車充電站,也能部分解決問題。雖然加油大約需要幾分鐘,但為電動汽車充電的等待時間可能從 15 分鐘到幾個小時不等,具體取決于充電器的技術和功率水平。作為解決方案,需要顯著減少充電時間。
快速充電的電池優化
由于電池是快速充電系統的主要組成部分,因此了解電池在快速充電下的性能對于提高效率非常重要。國家可再生能源實驗室給出了一些鋰離子電池的電化學模型,以優化電極和電池設計。這些先進的電化學模型加快了下一代電池的開發速度,這些電池將能夠提供快速充電、高能量、低成本和更長的使用壽命。
宏觀均質模型測試鋰在電池中的運動,并分析其在電極厚度方向上的反應速率。這些模型用于捕獲速率限制并確定實現快速充電的新方法。
• 微觀結構模型基于活性材料顆粒的 3D 幾何結構。它們提供有關顆粒如何填充到電極中的信息。微觀結構模型描述了離子必須行進的距離以及它們在電極周圍移動時所面臨的障礙物。
• 退化模型用于測量鋰電鍍或陰極開裂等退化方法如何影響電池的整體性能。他們比較電池中的各種反應,以評估新電池材料的性能改進。
提高功率密度的電路

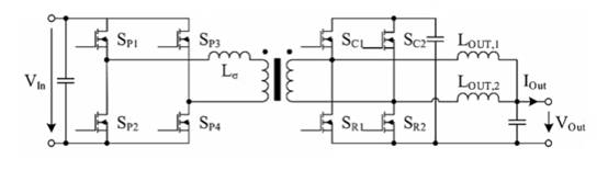
GaN有源鉗位移相全橋電路圖(:IEEE)
該電路描述了 GaN 有源鉗位相移全橋架構,這是一種 DC/DC 轉換器,能夠從 EV 中的 400V 車輛牽引電池傳輸能量,為 12V 電氣系統供電。其軟開關與 GaN 晶體管相結合,可將開關頻率顯著提高至 500 kHz。這反過來又有助于提高功率密度。
在這個電路中,低導通和低開關能量是通過使用遠優于硅器件的 SiC 或 GaN 晶體管實現的。該電路還能夠提供顯著增加的功率密度水平,同時保持現有的高效率。其原型實現了超過 95% 的效率以及 12.5 kW/L 的功率密度。
增強快充機制
雖然直流快速充電器能夠顯著縮短充電時間,但直流充電站的安裝成本非常高。此外,由于電力需求高,它們給電網帶來了壓力。
一個潛在的解決方案是將直流充電器與電池儲能系統 (BESS) 集成在一起。將 BESS 與直流充電器集成的目的是能夠從電網和電池存儲系統供電。當未連接 EV 時,BESS 從電網充電并存儲能量。然后,一旦連接了 EV,就會同時從電網和電池系統供電,以承受快速充電,同時減少電網的負載。

考慮到直流快速充電的主要問題之一是距離短,因此迫切需要縮短充電時間并增加兼容的基礎設施。因此,BESS 與直流充電器的集成顯著降低了電網基礎設施成本。此外,電池新技術的發展、大規模生產(尤其是鋰離子電池)和電池成本的降低使得固定式 BESS 的實施更加可行。
快速充電的廣泛采用
隨著電動汽車的普及,有很多公司采用這種方法,包括 EVgo 和特斯拉。
EVgo提供方便且價格合理的 EV 充電網絡。該公司在“電動汽車快速充電基礎設施的成本和快速擴大規模的經濟效益”一文中進行了廣泛的研究,表明其支持為其電動汽車充電器部署直流快速充電機制。 |