| 德州儀器 (TI) 的新型 BQ25790 和 BQ25792 降壓-升壓電池充電器集成電路解決方案可提供最大功率密度和高達 97% 的通用快速充電效率。這些 IC 支持低靜態電流,可靈活地 為 1 至 4 節串聯電池充電,并在整個輸入電壓范圍(3.6 V 至 24 V)內為 USB Type-C、USB Type 提供高達 5A 的充電電流-C Power Delivery (USB PD) 和無線應用。這些新解決方案將用于小型個人電子設備、便攜式醫療設備和樓宇自動化應用。
德州儀器 (TI) 電池管理解決方案產品線經理 Samuel Wong 表示:“USB-Type-C/PD 適配器越來越受歡迎,并正在成為一種通用充電標準!癇Q25790 和 BQ25792 的高功率密度性能可以幫助設計工程師利用 USB-PD 增加的輸入功率,并為不同(1S 到 4S)電池配置提供靈活性。”
快速充電
有限的電池壽命損害了智能手機用戶的自主性。無論最新的智能手機電池多么出色,它們的尺寸仍然有限。制造商試圖讓手機越來越節能,但這些手機一直被用于越來越耗電的應用。結果是,如果只充電一次,您的電池通常無法使用到晚上。
快速充電允許您 使用一些技術技巧快速恢復設備的 電池壽命。用于快速充電的電池充電器也會作用于電壓值,從而顯著增加功率輸出。
充電標準是化學和物理的復雜組合,并且由于每個標準都有其局限性,因此不兼容本身可能是一個問題。智能手機電池在電流流過時充電。更高的電流和更高的電壓可以更快地為電池充電,但它們所能承受的容量是有限的。充電調節器 (IC) 通過調節進出電池的總電流來防止危險的電流浪涌。
USB PD 為各種應用中的快速高效充電提供了一種有用的替代方案。USB PD 的輸出電壓范圍可針對不同電池配置的不同電池供電設備進行調整,以利用 USB PD 的 5-W 至 100-W (20-V/5-A) 功率譜。
TI 的降壓-升壓 IC
通用充電允許從汽車適配器或 USB PD 適配器充電,為各種設備帶來了新的靈活性和便利性,尤其是在醫療領域。雙向充電支持移動 (OTG) 充電。
為滿足消費者的期望,設計人員正在尋找能夠延長電池運行時間并利用最大電池容量,同時有效充電并減少散熱以最大限度減少充電器 IC 內功率損耗的解決方案。
新的 TI 集成降壓-升壓充電器 IC 系列(包括 BQ25790 和 BQ25792)使用 USB PD 輸入在 3.6-V 至 24-V 輸入電壓范圍內為 1S-4S 電池充電時具有更大的靈活性。這些設備使用功耗極低的充電 IC 來延長運行期間的電池運行時間,并在不使用應用程序時盡可能節省電池電量。除了超低功耗外,充電器還配備了一個充電定時器,允許在正常充電周期以上進行額外充電,從而為電池最大容量充電。
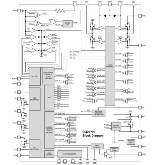
BQ25790 和 BQ25792 多節降壓-升壓充電器使用不到 1 µA 的靜態電流。結合 8 mΩ 的極低電池 FET 電阻器,工程師可以進一步最大化需要長時間運行的應用的電池運行時間(圖 1)。

圖 1:BQ25790 框圖(圖片:TI)
“便攜式電子設計中的靜態電流有兩個主要挑戰:第一種靜態電流是關斷模式,可在設備運輸和儲存期間延長保質期,”Samuel Wong 說!癇Q25790 和 BQ25792 提供低至 0.6 µA 的關斷模式。關斷模式不僅可以最大限度地減少 IC 電流消耗,還可以完全切斷系統與電池的連接,從而避免系統功耗。這使電池可以保持滿容量數月。第二種靜態電流是電池模式,在使用電池為系統供電時使用。為了提供較長的電池運行時間,這些升降壓電池充電器旨在最大限度地減少 IC 本身消耗的電流!
新型升降壓充電器完全集成了以下組件:金屬氧化物半導體場效應晶體管 (MOSFET)、電池 FET、電流感應電路和雙輸入選擇器開關。組件數量的減少對于智能揚聲器等應用尤為重要,隨著市場采用率的提高,這些應用的尺寸更小,價格也更低。
“在面積、成本和性能方面,組件集成總是需要權衡,”Wong 說。“BQ25790 和 BQ25792 分別在 <10-mm 2 (WCSP) 或 16-mm 2 (QFN) 封裝內集成了四個降壓-升壓轉換器 MOSFET、一個電池 FET 和兩個電流檢測電阻器。這極大地將解決方案尺寸縮小了 50% 以上,從而使 PCB 占位面積中的功率密度增加了一倍。憑借我們的高效電源轉換器和創新封裝,充電器支持高達 155 mW/mm 2。小型集成解決方案不僅提高了功率密度,還以簡單的設計和最小的 BOM 提供了更好的用戶體驗!
由于能夠從幾乎任何輸入源為電池充電并滿足 Type-C 和 PD USB 適配器的需求,升降壓充電器近年來變得越來越流行。USB Type-C 廣泛采用的一個關鍵優勢是通向通用適配器和相應減少電子垃圾的現實途徑。高功率密度降壓-升壓充電器不僅應集成通用功能充電模塊,還應集成DC/DC 轉換器等其他模塊,以簡化系統設計。圖 2顯示了 USB PD 充電解決方案的系統框圖。

圖 2:USB PD 充電解決方案的框圖(圖片: TI 的文章)
當適配器不存在時,DC/DC 轉換器對電池放電以創建 VBUS 調節電壓并為外部設備供電。在沒有適配器的情況下,放電電源路徑中的背對背 MOSFET 將開啟,將輸出電壓 U3 切換到 VBUS 并保持 VBUS 電壓。這使 DC/DC 轉換器始終處于開啟狀態。作為輸入過壓和過流保護電路的一部分,充電器中還集成了外部背對背 MOSFET 的控制邏輯和驅動電路。

圖 3:完全集成的升降壓充電(圖片: TI 的文章)
圖 3所示的完全集成的升降壓充電器可以簡化 USB PD 充電解決方案的系統范圍設計。作為輸入過壓和過流保護電路的一部分,外部背對背 MOSFET 的控制邏輯和驅動電路也集成到充電器中。這些功能消除了框圖中支持輸入電源路徑管理和輸入電流檢測的單元。

圖 4:通過單個升降壓充電器實現的 USB Type-C FRS(圖片: TI 的文章)

圖 5:從 VBUS 接收器到 VBUS 源的降壓-升壓充電器 FRS(圖片: TI 的文章)
為了支持Type-C USB端口的快速角色交換(FRS),這款集成升降壓充電器實現了一種新的備份模式,可以監控VBUS電壓;VBUS 電壓低于預設閾值表示移除了適配器。FRS 是 USB PD 3.0 的一項重要新功能,其中提供電源的設備可以快速改變其電源角色,成為能源消費者,以保持一致的數據連接。FRS 有助于防止設備意外斷電時可能發生的任何數據丟失(圖 4和5)。 |