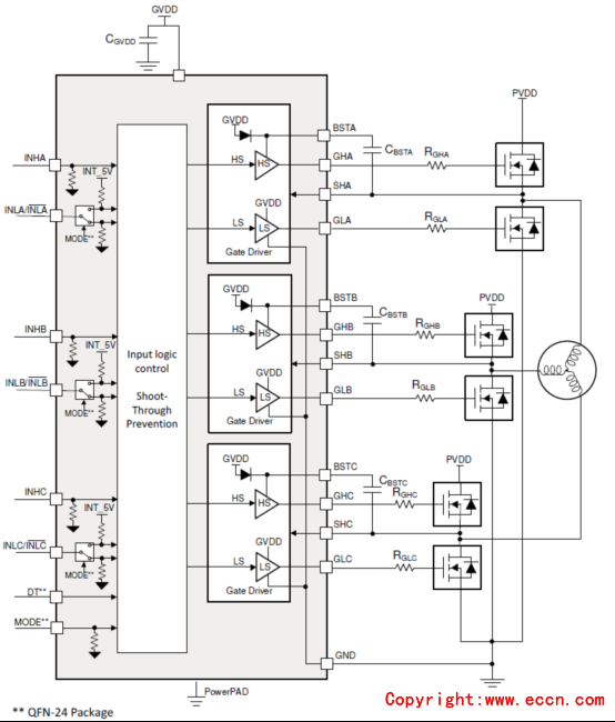
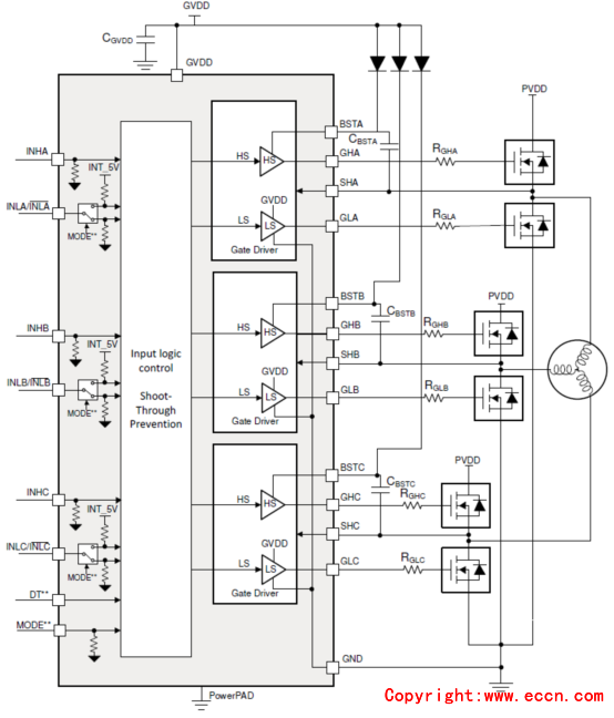
TI公司的DRV8300是100V三個半橋柵極驅動器,能驅動高邊和低邊N溝功率MOSFET. DRV8300D能采用外接的陰極負載二極管和外接電容產生正確的柵極驅動電壓,用于高邊MOSFET;而DRV8300N能采用外接的陰極負載二極管和外接電容產生正確的柵極驅動電壓,用于高邊MOSFET. GVDD用來產生驅動低邊MOSFET的柵極電壓.柵極驅動架構支持峰值高達750mA源電流和1.5-A沉電流.柵極驅動電源(GVDD)為 5-20 V,MOSFET電源(SHx)支持高達100V,支持反向和非反向INLx輸入,內置防止交叉導通,通過DT引腳調整死區時間(QFN封裝),固定死區時間200ns插入(TSSO P封裝),支持3.3V和5V邏輯輸入,20V絕對最大值,傳輸延遲匹配值為4ns.主要用在電動自行車, 電動滑板車和電動交通,風扇,泵和伺服驅動器,BLDC馬達模塊和PMSM,無繩花園電動工具和割草機,無繩真空吸塵器,無人機,機器人和RC玩具,工業和后勤機器人.本文介紹了DRV8300主要特性, DRV8300D和DRV8300N簡化電路圖及其框圖, 應用電路圖, 評估模塊DRV8300Dxxx-EVM主要特性和框圖,電路圖,材料清單和PCB設計圖.
DRV8300 is 100-V three half-bridge gate drivers, capable of driving high-side and low-side N-channel power MOSFETs. The DRV8300D generates the correct gate drive voltages using an integrated bootstrap diode and external capacitor for the highside
MOSFETs. The DRV8300N generates the correct gate drive voltages using an external bootstrap diode and external capacitor for the high-side MOSFETs.
GVDD is used to generate gate drive voltage for the low-side MOSFETs. The Gate Drive architecture supports peak up to 750-mA source and 1.5-A sink currents.
The phase pins SHx is able to tolerate the significant negative voltage transients; while high side gatedriver supply BSTx and GHx is able to support to higher positive voltage transients (125-V) abs max voltage which improves robustness of the system. Small propagation delay and delay matching specifications minimize the dead-time requirement
which further improves efficiency. Undervoltage protection is provided for both low and high side through GVDD and BST undervoltage lockout.
DRV8300主要特性:
• 100-V Three Phase Half-Bridge Gate driver
– Drives N-Channel MOSFETs (NMOS)
– Gate Driver Supply (GVDD): 5-20 V
– MOSFET supply (SHx) support upto 100 V
• Integrated Bootstrap Diodes (DRV8300D devices)
• Supports Inverting and Non-Inverting INLx inputs
• Bootstrap gate drive architecture
– 750-mA source current
– 1.5-A sink current
• Supports up to 15S battery powered applications
• Low leakage current on SHx pins (<55 μA)
• Absolute maximum BSTx voltage upto 125-V
• Supports negative transients upto -22-V on SHx
• Built-in cross conduction prevention
• Adjustable deadtime through DT pin for QFN package variants
• Fixed deadtime insertion of 200 nS for TSSOP package variants
• Supports 3.3-V and 5-V logic inputs with 20 V Abs max
• 4 nS typical propogation delay matching
• Compact QFN and TSSOP packages
• Efficient system design with Power Blocks
• Integrated protection features
– BST undervoltage lockout (BSTUV)
– GVDD undervoltage (GVDDUV)
DRV8300應用:
• E-Bikes, E-Scooters, and E-Mobility
• Fans, Pumps, and Servo Drives
• Brushless-DC (BLDC) Motor Modules and PMSM
• Cordless Garden and Power Tools, Lawnmowers
• Cordless Vacuum Cleaners
• Drones, Robotics, and RC Toys
• Industrial and Logistics Robots

圖1. DRV8300D簡化電路圖

圖2. DRV8300N簡化電路圖

圖3. DRV8300D框圖

圖4. DRV8300N框圖

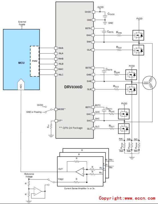
圖5. DRV8300D應用電路圖
The DRV8300 is a gate driver IC for three-phase motor drive applications. It provides three high-accuracy trimmed and temperature compensated half-bridge drivers, each capable of driving high-side and low-side Ntype MOSFETs.
Along with the hardware of the DRV8300, the TMS320F280049C microcontroller-based board has reference software that sends necessary signals to the DRV8300 to spin a 3-phase Brushless-DC motor. GuiComposer software allows the user to program settings, enable the motor to spin, and monitor the system from fault conditions.

圖6.評估模塊DRV8300Dxxx-EVM外形圖

圖7.評估模塊DRV8300Dxxx-EVM框圖

圖8.評估模塊DRV8300Dxxx-EVM概述框圖

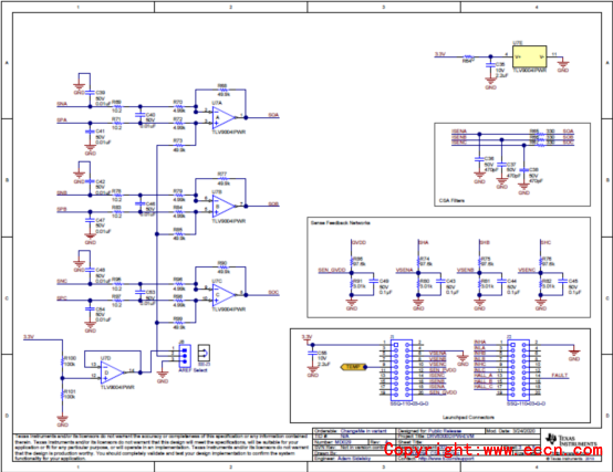
圖9.評估模塊DRV8300Dxxx-EVM電路圖(1)

圖10.評估模塊DRV8300Dxxx-EVM電路圖(2)

圖11.評估模塊DRV8300Dxxx-EVM電路圖(3)

圖12.評估模塊DRV8300Dxxx-EVM電路圖(4)

圖13.評估模塊DRV8300Dxxx-EVM PCB設計圖(1)

圖14.評估模塊DRV8300Dxxx-EVM PCB設計圖(2)

圖15.評估模塊DRV8300Dxxx-EVM PCB設計圖(3)

圖16.評估模塊DRV8300Dxxx-EVM PCB設計圖(4)

圖17.評估模塊DRV8300Dxxx-EVM PCB設計圖(5)

圖18.評估模塊DRV8300Dxxx-EVM PCB設計圖(6)

圖19.評估模塊DRV8300Dxxx-EVM PCB設計圖(7)

圖20.評估模塊DRV8300Dxxx-EVM PCB設計圖(8)

圖21.評估模塊DRV8300Dxxx-EVM PCB設計圖(9)

圖22.評估模塊DRV8300Dxxx-EVM PCB設計圖(10) |