作者:Doctor M
前不久,世界氣象組織(WMO)在最新的氣象通報中表示,未來5年,全球年均溫度將有50%的概率至少有一年暫時比工業化前水平高1.5攝氏度。該機構提示這會帶來嚴重的影響,70%-90%珊瑚礁將消失,海平面上升等等。二氧化碳含量增加是最大的罪魁禍首。
為了避免全球年均溫度進一步上升,突破《巴黎協定》所規定的2攝氏度目標,在21世紀下半葉實現“碳中和”,不僅是世界各國的國際責任擔當,也是降低人類生存威脅必須要做的。
為實現“碳中和”目標,每一個高耗能的環節都需要得到改善,比如電機。根據國際能源署最近的一項調查,電機耗電量占工業領域耗電量的大約2/3,占全球耗電量的大約46%。因此,提升電機能效、高效驅動電機是實現“碳中和”的關鍵。今天我們就來聊一聊如何系統地改善電機能效,貿澤電子網站上在售的電子元器件如何能夠幫助廣大設計者。
高效電機助力“碳中和”
電機是指依據電磁感應定律實現電能轉換或傳遞的一種電磁裝置。從定義可以看出,電機是靠電力來驅動的,正如上述數據所體現的,電機是世界上耗電量最大的單種類設備。
上述數據已經提到,電機耗電在全球工業耗電中占比很高,在中國情況也是類似的。統計數據顯示,中國電機每年耗電量占全社會用電量的69%,占工業用電的75%。造成這種情況的主要原因是中國綠色電機滲透率不足,《電機能效提升計劃2018》中提到,2018年中國高效電機滲透率僅為3%。參考中國工業經濟聯合會方面的數據,目前這一關鍵指標仍不足10%。而《工業能效提升計劃2022》則要求,2025年新增高效電機的占比要達到70%以上。
如果高效電機能夠普及,將對實現“碳中和”目標有重要意義。根據中國國家統計局數據統計,2021年中國火力發電占發電總量的71.13%。全球方面,2021年全球化石能源發電占總發電量的62%。從這一維度看,電機間接導致了全球二氧化碳含量的上升,提升電機能效將會顯著減少能源需求,降低全球二氧化碳的排放量。
想要提升電機的能效水平,首先可以從電機適配角度去考慮。比如永磁同步電機就比較適用于負載變化比較頻繁、且空載情況較多的應用場景,比如車床、機床和拉絲設備等,能夠起到很好的節能效果。
也可以從電機設計角度入手,通過改良相關設計來降低損耗并提升散熱效果。一般電機的損耗主要包含以下幾種——鐵心損耗、定子/轉子銅損、風磨損耗以及雜散損耗,每一個環節都有持續改良的空間。比如使用銅繞組的電機可以通過增大銅線的線徑,大幅減少銅線的繞組,進而降低損耗,并減少散熱。
為了能夠降低電機的能耗,廠商也會專門打造節能技術,變頻調速就是一項典型的節能技術。傳統電機在工作的過程中,當負載大幅減小或者空載時,輸入功率并沒有改變,只是輸出功率發生了變化,這樣就浪費了大量的電能。通過采用變頻技術,電機的能效能夠得到大幅提升。相關電機廠商的數據顯示,變頻技術一般能節電10%-50%。
另外,更智能、精準的電機控制系統也可以幫助提升電機能效。電機控制講究“一升一降”,其中“一升”是指提升電機FOC(field-oriented control,磁場導向控制)控制算法效率,“一降”則是要降低功率器件損耗和電機損耗。目前,在電機FOC控制算法里,已經廣泛出現深度學習和人工智能算法相結合,這些算法能夠持續優化電機的效率,提升控制位置的精準度,減少不必要的電流損耗。
最后,就要談到我們今天的“主角”——電機驅動。觀察各大原廠的解決方案后不難發現,目前“電機控制和驅動”是一個融合概念,這其實很好理解,因為電機控制是“決策系統”,和控制算法強相關,而電機驅動是“執行系統”,后者接收到前者的控制信號,然后將電機轉動到特定的角度,送到特定的位置。電機驅動有專門的驅動器以及配套的驅動電路,要想從這一點上提升電機能效,就要從以下幾個方面入手。
針對電機驅動器,導通和開關損耗小的驅動器能夠幫助設計者顯著降低系統損耗,同時電機驅動的變頻化也是大趨勢。比如在交流電機的驅動上,通過使用變頻驅動器取代單速控制,也能夠實現電機的電子速度控制和更高的驅動能效。在配套電路上,專門優化的電路結構往往能夠起到很好的節能效果。比如電機驅動電路對于橋電路的使用,我們進一步以汽車電機驅動為例,這里驅動系統實際上就是逆變器,在逆變器電路中往往會使用多個半橋電路,以此來提升系統效率。還有一個重要的方向是提升電機輸入電壓值,這樣便能夠大大減小恒功率時段電機的損耗,不過這種趨勢也對電機驅動保護電路提出了更高的要求,需要更高性能的保護元器件。
通過上述方法,便能夠大幅降低電機的能耗,對實現“碳中和”目標有巨大的賦能價值。接下來,我們就來看一下,貿澤電子網站上在售的元器件,如何在一些具體的環節中發揮重要價值。
Littelfuse柵極驅動器
在電機驅動的過程中,驅動信號來自微控制器或者微處理器,但是這個信號并不能夠直接啟動電機驅動系統,需要經過柵極驅動器將電壓或者電流放大。因此,柵極驅動器是電機驅動系統里的基礎器件,也是不可或缺的器件。
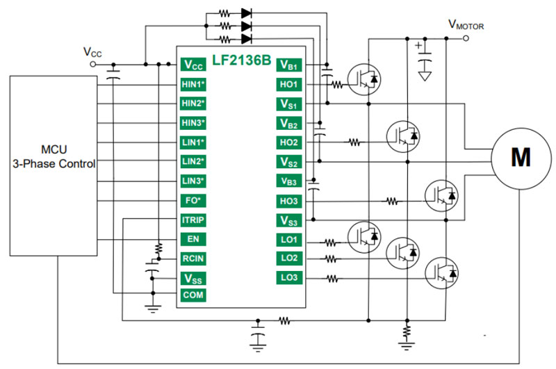
我們今天推薦的第一款器件便是來自制造商Littelfuse的柵極驅動器,貿澤電子網站上的制造商編號為LF2136BTR。
LF2136BTR
LF2136BTR是一款三相柵極驅動器IC,專為高壓、高速應用而設計,可用于驅動半橋配置。該器件基于高壓工藝打造,高壓側能夠在自舉操作中切換到600V的高壓。同時,LF2136BTR具有很好的驅動特性、兼容特性和保護特性。該器件具有高脈沖電流緩沖器,旨在實現最小的驅動器交叉傳導;能夠和CMOS電平(低至3.3V)兼容,可輕松與控制設備連接,并在高噪聲環境中啟用低電平以更好地工作;提供多種保護功能,包括直通保護、欠壓鎖定、過流保護等。

圖1:LF2136BTR典型應用框圖(圖源:Littelfuse)
LF2136BTR是Littelfuse柵極驅動器系列中的一款,除了LF2136BTR這種三相柵極驅動器IC,還包括高壓高速柵極驅動器,均具有高壓屬性,以及優質的驅動特性、兼容特性和保護特性,并且都能夠在-40°C至+125°C的寬溫度范圍內工作,可用于打造半橋柵極驅動器、三相半橋柵極驅動器和高側/低側柵極驅動器。其中,半橋柵極驅動器和高側/低側柵極驅動器可經過進一步設計用于DC-DC轉換器、交流-直流逆變器電機控制、電機驅動器、D類功率放大器等應用;三相半橋柵極驅動器則可以用于三相電機變頻器驅動器、白色家電-空調、洗衣機、冰箱、工業電機逆變器-電動工具、機器人,以及通用三相變頻器等。
在助力“碳中和”實現方面,LF2136BTR的高壓特性以及最小的驅動器交叉傳導都能夠發揮重要價值。
雙路H橋電機驅動器
在經典電機驅動電路中,其中有一種電路的造型長得像字母H,如下圖所示,因此也被稱為“H橋驅動”。綜合來看,H橋電機驅動電路具有高效、方向控制和制動等突出優點。

圖2:H橋電機驅動電路(圖源:硬件攻城獅博文)
今天要介紹的第二款器件便是一款雙路H橋電機驅動器,來自制造商Texas Instruments,貿澤電子網站上的制造商編號為DRV8428PPWPR,大家可以通過搜索此編號找到這款器件。
DRV8428PPWPR
DRV8428PPWPR是適用于各種工業應用的雙路H橋電機驅動器,可用于驅動一個雙極性步進電機、兩個雙向有刷直流電機或四個單向有刷直流電機。根據PCB設計方案的不同,該器件能夠驅動高達1A滿量程或0.7A RMS輸出電流。

圖3:DRV8428PPWPR簡化示意圖(圖源:Texas Instruments)
DRV8428PPWPR是一款集成度非常高的器件,輸出級包括N溝道功率MOSFET(配置為兩個全H橋)、電流檢測/調節以及保護電路。其中,集成式電流感應功能采用內部電流鏡架構,無需檢流電阻,滿量程電流精度為±6%;保護特性包括VM欠壓鎖定、過流保護和熱關斷,在有刷直流應用中,還能夠實現浪涌電流限制。高集成度以及領先的工藝,讓DRV8428PPWPR具有更小的封裝尺寸,更小的占板面積,降低系統成本。
在應用方面,DRV8428PPWPR領先的產品特性可以賦能有刷直流電機、打印機和掃描儀、點鈔機和EPOS、辦公和家居自動化、工廠自動化和機器人、小家電、掃地機器人、類人機器人等領域。
DRV8428PPWPR也有很多優秀的性能幫助降低系統功耗和損耗,其中高集成特性能夠減少電路板和其他器件消耗,同時該器件具有低功耗休眠模式,可通過關斷大部分內部電路實現超低靜態電流消耗。
即用型電機控制套件
接下來,我們進一步延伸到系統方案的介紹。開發人員都有明顯的感受,在方案開發的過程中,如果有一款出色的開發套件可以使用的話,那么整個開發進程將大大提速,縮短產品的上市周期。而我們接下來要介紹的是一款即用型電機控制套件。
這款套件來自制造商Infineon Technologies,貿澤電子網站上的制造商編號為MOTORCONTROLKIT12VTOBO1。
MOTORCONTROLKIT12VTOBO1
為什么說MOTORCONTROLKIT12VTOBO1為即用型套件呢,因為套件里除了MOTIX™嵌入式功率IC,還有360°角度傳感器以及集成式霍爾效應開關,面向低壓電機控制應用,可以直接用于快速原型設計和評估。
MOTORCONTROLKIT12VTOBO1可以視為TLE9879評估套件,上面的TLE9879QXA40器件是MOTIX™嵌入式功率IC和單芯片三相電機驅動器、片上系統(SoC)解決方案的一部分。這款器件具有非常高的集成度,內部集成LIN收發器、橋接驅動器和電源等,基于Arm® Cortex- M3內核打造,可支持實施高級電機控制算法,例如無傳感器磁場定向控制(FOC)。
MOTORCONTROLKIT12VTOBO1上的角度傳感器型號為TLE 5012B-E1000,可以實現360°角度測量,具有0.01°的分辨率,在整個使用壽命和溫度范圍內的最大角度誤差為1.0°。集成式霍爾效應開關的具體型號為TLE 4968- 1L,專門用于高精度應用。其具有出色的電源電壓能力,采用非穩壓電源供電,過壓能力高達42V,無需外部電阻器,并且通過有源誤差補償進一步提高了器件精度。該套件可用于泵、風扇和三相BLDC電機應用等。
如上所述,MOTORCONTROLKIT12VTOBO1在各個環節都彰顯了自己的高精度特性,能夠大幅減少系統中不必要的電流損耗,進而提升電機能效。
讓電機控制更安全的TVS二極管
為了實現電機的精準控制,降低電機不必要的能耗,電機控制和驅動電路中的元器件變得越來越精細,因而也就需要更全方位的保護。下面為大家帶來一款常用的保護性元器件——TVS二極管。
這款TVS二極管依然是來自制造商Littelfuse,貿澤電子網站上的制造商編號為SZ1SMA30CAT3G。
SZ1SMA30CAT3G
SZ1SMA30CAT3G是單向和雙向器件,設計用于保護電壓敏感電子產品免受高電壓、高能量瞬變的影響。該器件具有出色的鉗位能力、高浪涌能力、低齊納阻抗和快速響應時間,峰值功率可達400W(1ms時),正向浪涌電流最高為40A。

圖4:SZ1SMA30CAT3G功能框圖(圖源:Littelfuse)
SZ1SMA30CAT3G采用Littelfuse獨有、具有成本效益、高度可靠的封裝,通過平面處理表面,幫助用戶實現準確貼裝,可用于頂部滑動或底部電路板安裝的封裝設計。
通過出色的產品性能,SZ1SMA30CAT3G能夠為電機驅動帶來更可靠的安全防護,幫助打造控制更精確、能耗更低的電機方案。
電機驅動的未來趨勢
實現“碳中和”目標是一個長期且艱巨的任務,如以上數據所述,電機作為最大的單體耗能設備,未來隨著汽車電動化和工業自動化等趨勢,電機的需求依然會高速增長,其能耗是一個需要持續優化的重點方向。各國政策對此非常關注,比如在中國,除了上述提到的由中國工信部印發的《工業能效提升計劃》,還有國家市場監督管理總局和工信部聯合印發的《電機能效提升計劃》等等,其中都對提升電機能效做出了關鍵性指示。
比如《電機能效提升計劃(2021-2023年)》要求,以電機系統生產制造、技術創新、推廣應用和產業服務為重點方向,積極實施節能改造升級和能量系統優化,不斷提升電機系統能效,支撐重點行業和領域節能提效,助力實現“碳達峰”、“碳中和”目標。
面向未來,電機將朝著數字化、輕量化、小型化、高效率、高功率密度等方向繼續發展,而電機控制和驅動環節在其中扮演著重要角色。因此,除了電機驅動芯片和其他配套芯片的出貨量將大幅增加之外,技術發展趨勢也較為明確。為了讓整個電機控制和驅動系統外部看起來更加簡潔,減少耗材,相關元器件的集成度將再次提高。電機驅動也將更加智能、靈活,對電機各個驅動輪的控制將會是獨立且精準的;反饋電路將更加完整、多元,使得動力輸出更加合理;為了減少系統發熱,會不斷追求更高壓的驅動技術;對安全性要求更高,要做到高度可靠。
當然,所有這些趨勢的目標都是為了打造更加高效節能的電機系統,而貿澤電子網站上銷售的電子元器件將為此提供強力支持,攜手設計者們一起為打造“綠色地球”貢獻力量。 |