共模抑制比(CMRR)是最重要的規格參數,它表示將要測量的共模信號量。CMMR的值經常取決于信號頻率和指定的功能。CMMR功能專門用于降低傳輸線上的噪聲。例如,當在嘈雜的環境中測量熱電偶的電阻時,來自環境的噪聲表現為兩條輸入引線上的偏移,并使其成為共模電壓信號,CMRR儀器測量應用于噪聲的衰減。
什么是CMRR?
運算放大器中的CMRR是共模抑制比。一般來說,運放作為兩個輸入端,即正負端,兩個輸入應用在同一點上,這將在輸出端提供相反極性的信號。因此,端子的正負電壓將相互抵消,從而產生輸出電壓。理想的運算放大器將具有無限的CMRR,并具有有限的差分增益和零共模增益。
CMRR英文全稱是Common Mode RejecTIon RaTIo,符號為Kcmr,單位是分貝db。

CMMR = 差模增益 / 共模增益
CMRR公式
共模抑制比由具有相同直流電壓符號的兩個輸入形成。假設一個輸入電壓是8v,另一個9v,這里8v是通用的,輸入電壓應通過V+ – V- 等式計算,結果將為9v-8v=1v,但兩個輸入之間的公共直流電壓具有非零增益。
差分增益Ad放大了兩個輸入電壓之間的差異,但是共模增益Ac放大了兩個輸入之間的共模直流電壓,兩個增益之比稱為共模抑制比,值以db為單位,共模抑制比的公式由下式計算:
CMRR = 20log|Ad/Ac| db
電源抑制比
電源抑制比定義為每單位直流電源電壓變化時輸入失調電壓的變化,電源也以dB為單位計算,下面給出電源抑制比的數學公式:
PSRR= 20log|ΔVDc/ΔVio| db
運算放大器的共模抑制比
共模抑制比是一個差分放大器,運算放大器與差分輸入一起放大。因此,CMMR比率可以應用于運算放大器。利用共模抑制比的條件,即當放大器的兩個輸入端具有相同的電壓時,放大器的輸出應該為零或者放大器應該對信號進行抑制。下圖顯示了MCP601的共模抑制比放大器:

運算放大器CMRR的失調誤差
CMRR可以在配置在同相放大器中的運算放大器中建立并聯失調電壓,如下圖所示。同相運算放大器會有少量CMRR誤差,因為兩個輸入都接地,不存在CM動態電壓。

誤差 (RTI) = Vcm / CMRR = Vin / CMRR
Vout = [1 + R2/R1] [Vin + Vin/CMRR]
誤差 (RTO) = [1+R2/R1] [Vin/CMRR]
測量共模抑制比簡單方法
有不同的方法來測量共模抑制比。在下圖中,小編將運算放大器配置為差分放大器的四個精密電阻。一個信號應用于兩個輸入,測量輸出的變化,一個具有無限CMRR的放大器也沒有輸出變化。
該電路的固有困難在于電阻的比率匹配與運算放大器的CMRR一樣重要。電阻對之間有0.1%的失配,結果將是66dB的CMR。因此,大多數放大器的CMR低頻在80dB到120Db之間。在這個電路中,很明顯對測量CMRR的作用很小。

ΔVout = ΔVin / CMRR (1 + R2/R1)
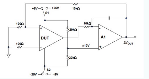
不使用精密電阻器的CMRR測量方法
與上述電路相比,以下電路更為復雜,無需使用精密電阻即可測量CMRR。通過切換電源電壓來改變共模抑制比。實際上,該電路可以很容易地實現,并且通過使用相同的電路,可以應用不同的電源電壓來測量電源抑制比。
如下圖所示,電源來自+-15 DUT運算放大器,共模電壓范圍為+-10V,從電路來看,集成放大器A1應該具有高增益、低Vos和低IB,并且運放是097設備。

總結
不難看出,共模抑制比的定義是放大電路對差模信號的電壓增益與對共模信號的電壓增益之比的絕對值。因為需要抑制零點漂移,所以共模電壓增益越小越好,而差模電壓增益越大越好。 |