所述LTM4675是雙9A或單18A降壓微型模塊(微型組件)的DC / DC調節器設有的電力系統管理(PSM)參數上的PMBus-一個開放標準的遠程可配置性和遙測監測余2的基于C的數字接口協議。其6mm x 11.9mm x 3.51mm BGA封裝包含模擬控制回路,精密混合信號電路,EEPROM,功率MOSFET,電感器和支持組件。它具有4.5V至17V的寬輸入電壓范圍,以及0.5V至5.5V的輸出電壓范圍,在整個溫度范圍內具有±0.5%的直流精度。LTM4675的功率輸出可以通過數字調節,裕量調節并以可編程擺率和時序延遲時間進行上電/下電。長開機時間為70毫秒。遙測讀回參數包括VIN,I IN,V OUT,I OUT,溫度,運行峰值,正常運行時間,故障和警告。在9A溫度下,當前讀回精度為±2.5%。
LTM4675有助于為電信,數據通信和存儲系統以及工業和儀器電源設計高效率,高功率密度和高可靠性解決方案。LTM4675采用16mm x 11.9mm x 3.51mm BGA封裝,提供符合SnPb或RoHS標準的終端面板。
具有數字電源系統管理功能的雙通道9AμModule穩壓器
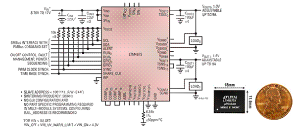
圖1顯示了典型的LTM4675應用。輸入電壓范圍為5.75V至17V,輸出為1V / 9A和1.8V / 9A。圖2顯示了LTM4675各種輸出電壓對負載電流的效率。LTM4675可以在很寬的工作范圍內實現高效率,并具有高可靠性。圖3顯示,當模塊在12V輸入,1V / 9A和1.8V / 9A輸出下運行時,外殼溫度為84.1°C,無氣流。

圖1.具有串行接口的9A,1V和9A,1.8V輸出DC / DCμModule穩壓器

圖2. V IN = 12V時的LTM4675單通道效率

圖3. LTM4675在V IN = 12V時的熱性能,V OUT0 = 1V / 9A,V OUT1 = 1.8V / 9A,無氣流,
經DC2053A測試。溫度上升= 61.1°C,TA = 23°C
LTM4675提供內部補償或外部補償,可用于優化在寬工作范圍內對負載電流階躍的瞬態響應。
LTM4675支持高達400kHz的符合PMBus的SMBus串行接口。可讀數據包括輸入和輸出電壓,電流,溫度,運行峰值,正常運行時間,故障,警告和板載EEPROM故障日志記錄。可寫入數據和可配置參數包括輸出電壓,電壓排序和容限,數字軟啟動/停止斜坡,OV / UV / OT,UVLO,頻率和相位。LTM4675通過集成的16位ΔΣADC保證高精度遙測回讀。
適合高電流應用的多模塊操作
LTM4675采用恒定頻率峰值電流模式控制架構,可在并行操作通道時實現逐個周期的電流限制和各相間的均流。為了獲得更高的輸出電流能力,很容易并聯多個LTM4675模塊。此外,LTM4675可用作主控器件來驅動非PSM電源模塊,以提供更高的輸出電流。例如,LTM4675可以驅動三個LTM4630提供高達125A的輸出電流。圖4顯示了此應用程序的熱圖。使用400LFM的氣流時,熱點溫升僅為66.2°C。模塊之間均勻的熱量分配是由于良好的均流性能。

圖4. V IN = 12V,V O = 1.0V / 125A,400LFM氣流,溫升= 66.2°C,TA = 23°C時的熱圖
結論
LTM4675是一款高效率,高功率密度μModule穩壓器,內置數字電源系統管理。借助上述所有功能,LTM4675非常適用于電信,數據通信和存儲系統,工業和儀表應用。 |