近年來,快充技術得到迅猛發展,尤其是在手機市場中,充電功率從傳統的5W、10W、18W發展至如今的30W、65W、120W甚至240W,手機充電時間大幅度減少,為用戶帶來了極致體驗。
手機充電功率之所以能突飛猛進,一方面是電池技術的改進,另一方面則是高功率鋰電池充電管理芯片技術快速提升。以南芯半導體為代表的國產電源芯片廠商也在這期間開始發力,量產了多款高性能電荷泵充電芯片,并被各大手機廠商廣泛采用。
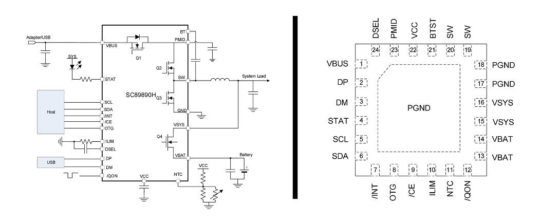
充電頭網獲悉,近日南芯半導體針對單節電池手機快充應用,再次推出一款5A降壓充電芯片SC89890H,以應對不斷拓展的手機快充市場。

據了解,南芯SC89890H采用QFN 4×4-24封裝,輸入端支持高達22V耐壓。芯片集成了反向阻斷管(RBFET)、降壓功率管(HSFET及LSFET)、功率路徑管理管(BATFET)、功率管驅動供電及自舉二極管,可在應用是大幅度簡化了系統設計。南芯SC89890H支持高達5A充電電流以及2.4A反向OTG電流,并且充電參數可通過I²C接口由手機處理器靈活配置。

值得一提的是,南芯SC89890H支持NVDC功率路徑管理,確保系統電壓不低于3.5V,電池電壓完全耗盡甚至取出時,手機仍可正常使用。當系統負載較大時,DPM會自動降低充電電流至電池放電,優先滿足系統功率需求,且保證輸入源不會發生過載。
在沒有任何外部軟件控制下,南芯SC89890H可自動完成電池的整個充電周期,包含低電壓充電(50mA充電電流)、預充、恒流充、恒壓充、充電截止;當電池電壓低于設定的門限后,芯片可自動啟動新的充電周期。

以上為基于南芯SC89890H芯片開發的測試板(配合2520 1μH 30mΩ DCR電感)。南芯半導體官方測試數據顯示,當電池電壓為3.8V時,以5V1A充電,轉換效率高達94.1%;以5V 2A充電,效率92.9%;以5V3A充電,轉換效率為90.2%。

此外通過效率曲線可以看到,當以9V或者12V輸入時,其中1-3A充電電流范圍內,效率均保持在87%以上;而對于常見的9V2A、12V1.5A的快充狀態,轉換效率均在90%以上。

南芯SC89890H芯片支持3.9V至14V寬輸入電壓;支持BC1.2檢測及可調高壓適配器,同時具備適配器最大功率自動跟蹤功能以及VINDPM支持電池電壓自動跟蹤。
在USB OTG模式下,南芯SC89890H支持最高2.4A輸出電流,5V/1A OTG輸出效率高達93.5%;同時支持超低壓差模式,OTG輸出電壓3.9V-5.4V,具備Hiccup過流及短路保護;擁有高達500μF容性負載軟起動能力。
南芯SC89890H擁有完整的保護機制,包括Program JEITA、輸入端過壓、欠壓保護;電池端過壓、低壓、過流保護;系統端過壓、過流保護;OTG過壓、過流、電池電壓保護;Thermal loop及Thermal SD保護等。
充電頭網總結
南芯SC89890H主體架構為支持動態功率路徑切換的降壓型充電IC,可搭載市面上主流的適配器進行快充,最大充電電流可達5A,并且具有高效率的特點。該芯片不僅可以用于手機電池充電,還可應對剃須刀、潔面儀等采用單節電芯的產品應用,讓更多的鋰電池產品實現快充功能。
更值得一提的是,SC89890H還可搭南芯半導體旗下的電荷泵類充電芯片,構成一套完整的手機急速快充方案,在保證安全與可靠的前提下,滿足客戶對快充的極致體驗。 |