TI公司的BQ25798是I2C兼容一節到四節電池5A降壓/升壓電池充電器,具有雙輸入選擇器,太陽能板MPPT和快速備份模式. BQ25798是全集成的開關模式降壓-升壓充電器,用于1-4節鋰電池和聚合物鋰電池.集成包括4個開關MOSFET,輸入和充電電流檢測電路,電池FET和所有的降壓/升壓轉換器的回路補償.它采用NVDC功率通路管理,調整系統不會降落到可配置的最低系統電壓.當系統功率超過輸入源額定指標時,電池補充模式支持系統不會超過輸入源指標.采用內置的VOC縮放MPPT算法BQ25798最大化光伏電池板的最大功率.BQ25798在備份模式支持從適配器到轉換器電池電壓的超快切換.器件具有大功率密度,支持USB PD 3.0,開關頻率750-kHz 或1.5-MHz,5A充電電流,10mA分辨率,96.5%效率,支持廣泛的輸入源,從電池(USB OTG)的供電USB端口,2.8V-22V OTG輸出電壓,分辨率10mV,支持USB-PD PPS,OTG輸出電流調整高達3.32A,分辨率40mA,器件集成了16位ADC用于電壓,電流和溫度監測,僅工作時靜態電流為17 μA,充電關斷模式為500nA.2節電池充電電壓調整為-0.25%到+0.65%,充電電流調整為±5%,輸入電流調整為 ±5%,29引腳4mmx4mm QFN封裝.主要用在可視門鈴,智能家庭控制,數據集中器,割草機器人,財產跟蹤,移動POS,多參數病人監視器,心電儀(ECG)和超聲波智能探針.本文介紹了BQ25798主要特性, 功能框圖和簡化電路圖,多種應用框圖,以及評估板BQ25792/8EVM主要特性,電路圖,材料清單和PCB設計圖.
BQ25798 I2C Controlled, 1- to 4-Cell, 5-A Buck-Boost Battery Charger with Dual-Input
Selector, MPPT for Solar Panels and Fast Backup Mode
The BQ25798 is a fully integrated switch-mode buck-boost charger for 1-4 cell Li-ion batteries and Li-polymer batteries. The integration includes 4 switching MOSFETs, input and charging current sensing circuits, the battery FET and all the loop compensation of the buck-boost converter. It uses NVDC power path management, regulating the system not dropping below a configurable minimum system voltage. When system power exceeds the input source rating, battery supplement mode supports the system without overloading the input source. BQ25798 It also maximizes power from photovoltaic panels using its built-in VOC scaling MPPT algorithm. BQ25798 supports ultra-fast switchover from the adapter to a converted battery voltage in Backup Mode.
The charger supports the narrow VDC power path management, in which the system is regulated at a voltage slightly higher than the battery voltage without being allowed to drop below the minimum system voltage. The minimum system voltage allows the system to operate even when the battery is completely discharged or removed. When system power exceeds the input source rating, battery supplement mode supports the system
power requirement without overloading the input source.
The device charges a battery from a wide range of the input sources including legacy USB adapter to high voltage USB PD adapter and traditional barrel adapter. The charger automatically sets converter to be buck, boost or buck-boost configurations based on input voltage and battery voltage without the host control. The dual input source selector manages the power flowing from two different input sources. The inputs selection is controlled by the host through I2C with default source #1 (VAC1) as the primary input and the source #2 (VAC2) as the secondary input.
To support fast charging using adjustable high voltage adapter, the device provides D+/D- handshake. The device is compliant with USB 2.0 and USB 3.0 power delivery specification with input current and voltage regulation. In addition, the Input Current Optimizer (ICO) allows the detection of maximum power point of an unknown input source. The BQ25798 also provides a Maximum Power Point Tracking (MPPT) algorithm to optimize the power drawn when connected to a solar cell.
Besides the I2C host controlled charging mode, this charger also supports autonomous charging mode. After power up, the charging is enabled with default register settings. The device can complete a charging cycle without any software engagements. It detects battery voltage and charges the battery in different phases: trickle charging, pre-charging, constant current (CC) charging and constant voltage (CV) charging. At the end of the
charging cycle, the charger automatically terminates when the charge current is below a pre-set limit (termination current) in the constant voltage phase. When the full battery falls below the recharge threshold, the charger will automatically start another charging cycle.
In the absence of input sources, this device supports USB On-the-Go (OTG) function, discharging battery to generate an adjustable 2.8-V to 22-V voltage on VBUS with 10-mV step size, which is compliant to the USB PD 3.0 specification defined programmable power supply (PPS) feature. The BQ25798 also provides backup mode to supply a system load at PMID using the adjustable OTG voltage when the adapter is removed.
The charger provides various safety features for battery charging and system operations, including battery temperature negative thermistor monitoring, trickle charge, pre-charge and fast charge timers and over-voltage/overcurrent protections on battery and input. The thermal regulation reduces charge current when the junction temperature exceeds a programmable threshold. The STAT output of the device reports the charging status and
any fault conditions. The PG output indicates if a good power source is present. The INT pin immediately notifies host when fault occurs.
It is available in a 29-pin 4mm × 4mm QFN package.
BQ25798主要特性:
• High power density, high integration buck-boost charger for 1-4 cell batteries supporting any USB PD 3.0 profile
– Integrates four switching MOSFETs, BATFET
– Integrates input and charging current sensing
• Highly efficient
– 750-kHz or 1.5-MHz switching frequencies
– 5-A charging current with 10-mA resolution
• 96.5% efficient: 16-V battery at 3A from 20V
• Supports a wide range of input sources
– Autonomously sampled VOC maximum power point tracking (MPPT) for charging from a photovoltaic panel
– 3.6-V to 24-V wide input operating voltage range with 30-V absolute maximum rating
– Detects USB BC1.2, HVDCP and non-standard adapters
• Dual-input power mux controller (optional)
• Narrow voltage DC (NVDC) power path
• Backup Mode with Ultra-fast switchover to adjustable voltage
• Powers USB port from battery (USB OTG)
– 2.8-V to 22-V OTG output voltage with 10-mV resolution to support USB-PD PPS
– OTG output current regulation up to 3.32 A with 40-mA resolution
• Flexible autonomous and I2C mode for optimal system performance
• Integrated 16-bit ADC for voltage, current, and temperature monitoring
• Low battery quiescent current
– 17 μA for battery only operation
– 500 nA in Charger Shutdown Mode
• High accuracy
– -0.25% to +0.65% charge voltage regulation for 2S batteries
– ±5% charge current regulation
– ±5% input current regulation
• Safety
– Thermal regulation and thermal shutdown
– Input/battery OVP and OCP
– Converter MOSFETs OCP
– Charging safety timer
• Package
– 29-Pin 4 mm × 4 mm QFN
BQ25798應用:
• Video doorbell, Smart home control
• Data concentrators, Robotic lawn mower
• Asset tracking, Mobile POS
• Multiparameter patient monitor, Electrocardiogram (ECG), Ultrasound smart probe

圖1. BQ25798簡化電路圖

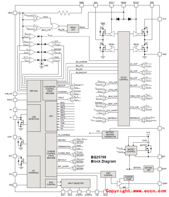
圖2. BQ25798功能框圖

圖3. BQ25798應用框圖:單輸入源和無FET

圖4. BQ25798應用框圖:雙輸入源和有FET

圖5. BQ25798應用框圖:單輸入源,備份模式和有FET
評估板BQ25798BKUPEVM (BMS034)
BQ25792EVM, BQ25798EVM and BQ25798BKUPEVM (BMS034) Evaluation Module
The BQ25792 and BQ25798 (BQ25792/8) is an integrated switched-mode buck-boost battery charge management device in QFN package. It is intended to charge 1- to 4-series cell Li-ion and Li-polymer batteries.
The charger features a narrow VDC architecture (NVDC) which allows the system to be regulated to a minimum value even if the battery is completely discharged. Additionally, the BQ25792/8 supports input source detection through D+ and D- which is compatible with USB2.0, USB3.0 power delivery, non-standard adapters, and high voltage adapters. With dual input source selection, USB OTG support, and an integrated 16-bit multi-channel analog-to-digital converter (ADC), the BQ25792/8 is a complete charging solution.
評估板BQ25792/8EVM主要特性:
The BQ25792/8EVM is a complete module for evaluating the BQ25792/8 charger IC in the QFN package. Key features of this EVM include:
• Synchronous Switch Mode Buck-Boost Charger for 1s-4s Battery Configuration for 5-A Charging with 10-mA Resolution
• Support for 3.6-V to 24-V Wide Range of Input Sources USB Auto-Detect, USB PD and Wireless Input
• Dual Input Source Selector to Drive Bi-Directional Blocking NFETs
• Power up USB Port from Battery (USB OTG) with 2.8-V to 22-V OTG Output Voltage with 10-mV Resolution
• Low Battery Quiescent Current < 1 μA in Shutdown Mode
• BQ25798 has MPPT and backup mode features

圖6. 評估板BQ25792/8EVM測試電池充電建立圖

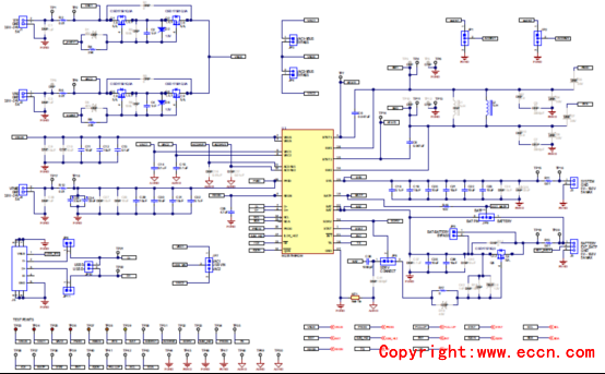
圖7.評估板BQ25792EVM(BMS034A/B-001)和BQ25798EVM(BMS034A/B-003)電路圖(1)

圖8.評估板BQ25792EVM(BMS034A/B-001)和BQ25798EVM(BMS034A/B-003)電路圖(2)

圖9.評估板BQ25798BKUPEVM (BMS034A/B-002)電路圖
評估板BQ2579XEVM材料清單:




圖10.評估板BMS034A/B PCB設計圖:頂層

圖11.評估板BMS034A/B PCB設計圖:信號層1

圖12.評估板BMS034A/B PCB設計圖:信號層2

圖13.評估板BMS034A/B PCB設計圖:底層 |