Steven Martin,電池充電器設計經理
引言
處理電源電壓反轉有幾種眾所周知的方法。最明顯的方法是在電源和負載之間連接一個二極管,但是由于二極管正向電壓的原因,這種做法會產生額外的功耗。雖然該方法很簡潔,但是二極管在便攜式或備份應用中是不起作用的,因為電池在充電時必須吸收電流,而在不充電時則須供應電流。
另一種方法是使用圖 1 所示的 MOSFET 電路之一。

圖 1:傳統的負載側反向保護
對于負載側電路而言,這種方法比使用二極管更好,因為電源 (電池) 電壓增強了 MOSFET,因而產生了更少的壓降和實質上更高的電導。該電路的 NMOS 版本比 PMOS 版本更好,因為分立式 NMOS 晶體管導電率更高、成本更低且可用性更好。在這兩種電路中,MOSFET 都是在電池電壓為正時導通,電池電壓反轉時則斷開連接。MOSFET 的物理“漏極”變成了電源,因為它在 PMOS 版本中是較高的電位,而在 NMOS 版本中則是較低的電位。由于 MOSFET 在三極管區域中是電對稱的,因此它們在兩個方向上都能很好地傳導電流。采用此方法時,晶體管必須具有高于電池電壓的最大 VGS 和 VDS 額定值。
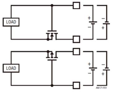
遺憾的是,這種方法僅對負載側電路有效,無法配合能夠給電池充電的電路工作。電池充電器將產生電源,重新啟用 MOSFET 并重新建立至反向電池的連接。圖 2 展示了采用 NMOS 版本的一個實例,圖中所示的電池處于故障狀態。

圖 2:具有一個電池充電器的負載側保護電路
當電池接入時,電池充電器處于閑置狀態,負載和電池充電器與反向電池安全去耦。然而,如果充電器變至運行狀態 (例如:附聯了輸入電源連接器),則充電器在 NMOS 的柵極和源極之間產生一個電壓,這增強了 NMOS,從而實現電流傳導。這一點在圖 3 中更形象。

圖 3:傳統的反向電池保護方案對電池充電器電路無效
負載和充電器雖與反向電壓隔離,但是起保護作用的 MOSFET 現在面臨的一大問題是功耗過高。在這種情況下,電池充電器變成了一個電池放電器。當電池充電器為 MOSFET 提供了足夠的柵極支持以吸收由充電器輸送的電流時,該電路將達到平衡。例如,如果一個強大 MOSFET 的 VTH 約為 2V,而且充電器能夠在 2V 電壓下提供電流,則電池充電器輸出電壓將穩定在 2V (MOSFET 的漏極處在 2V + 電池電壓)。MOSFET 中的功耗為 ICHARGE • (VTH + VBAT),因而使 MOSFET 升溫發熱,直到產生的熱量散逸離開印刷電路板。該電路的 PMOS 版本也是一樣。
下面將介紹該方法的兩種替代方案,這些替代方案各有優缺點。
N 溝道 MOSFET 設計
第一種方案采用一個 NMOS 隔離器件,如圖 4 所示。
該電路的算法是:如果電池電壓超過了電池充電器輸出電壓,則必須停用隔離 MOSFET。
如同上述的 NMOS 方法一樣,在該電路中,MN1 連接在介于充電器/負載和電池端子之間接線的低壓側。然而,晶體管 MP1 和 Q1 現在提供了一個檢測電路,該電路在電池反接的情況下將停用 MN1。反接電池將 MP1 的源極升舉至高于其連接至充電器正端子的柵極。接著,MP1 的漏極通過 R1 將電流輸送至 Q1 的基極。然后,Q1 將 MN1 的柵極分流至地,防止充電電流在 MN1 中流動。R1 負責控制在反向檢測期間流到 Q1 的基極電流,而 R2 則在正常操作中為 Q1 的基極提供泄放。R3 賦予了 Q1 將 MN1 的柵極拉至地電位的權限。R3/R4 分壓器限制 MN1 柵極上的電壓,這樣柵極電壓在反向電池熱插拔期間不必下降那么多。最壞情況是電池充電器已經處于運行狀態、產生其恒定電壓電平,附聯了一個反接電池時。在這種情況下,必需盡可能快地關斷 MN1,以限制消耗高功率的時間。該電路帶有 R3 和 R4 的這一特殊版本最適合 12V 鉛酸電池應用,但是在單節和兩節鋰離子電池產品等較低電壓應用中,可以免除 R4。電容器 C1 提供了一個超快速充電泵,以在反向電池附聯期間下拉 MN1 的柵極電平。對于最差情形 (附聯一個反向電池時充電器已使能的狀況再次出現),C1 非常有用。
該電路的缺點是需要額外的組件,R3/R4 分壓器在電池上產生了一個雖然很小、但卻是持續的負載。
此類組件大多是纖巧的。MP1 和 Q1 不是功率器件,而且通?刹捎 SOT23-3、SC70-3 或更小的封裝。MN1 應具有非常優良的導電性,因為它是傳輸器件,但是尺寸不必很大。由于它在深三極管區工作,并且得到了大幅的柵極強化,因此其功耗即使對于導電性中等的器件來說也很低。例如,100mΩ 以下的晶體管也經常采用 SOT23-3 封裝。

圖 4:一款可行的反向電池電路
不過,采用一個小傳輸晶體管的缺點是:與電池充電器串聯的額外阻抗延長了恒定電壓充電階段的充電時間。例如,如果電池及其配線具有 100mΩ 的等效串聯電阻,并且采用了一個 100mΩ 的隔離晶體管,那么恒定電壓充電階段中的充電時間將加倍。
MP1 和 Q1 組成的檢測和停用電路停用MN1 的速度不是特別快,而且它們無須如此。雖然 MN1 在反向電池附聯期間產生高功耗,但是關斷電路只需“在最后”斷開 MN1 連接。它必需在 MN1 升溫幅度大到導致受損之前斷開 MN1 連接。幾十微秒的斷開連接時間可能比較適合。另一方面,在反接電池有機會將充電器和負載電壓拉至負值之前停用 MN1 至關重要,因而需要采用 C1;旧,該電路具有一條 AC 和一條 DC 停用路徑。
用一個鉛酸電池和 LTC4015 電池充電器對此電路進行了測試。如圖 5 所示,當反向電池熱插拔時電池充電器處于 OFF 狀態。反向電壓不會被傳送至充電器和負載。

圖 5:充電器處于關斷狀態的 NMOS 保護電路
值得注意的是,MN1 需要一個等于電池電壓的 VDS 額定值和一個等于 1/2 電池電壓的 VGS 額定值。MP1 需要一個等于電池電壓的 VDS 和 VGS 額定值。
圖 6 顯示了一種更加嚴重的情況,就是在反向電池進行熱插拔時電池充電器已處于正常運行狀態。電池反接將下拉充電器側電壓,直到檢測和保護電路使其脫離運行狀態,從而讓充電器安全返回至其恒定電壓電平。動態特性將因應用而異,而電池充電器上的電容將對最終結果起到很大的作用。在該測試中,電池充電器兼具一個高 Q 值陶瓷電容器和一個 Q 值較低的聚合物電容器。

圖 6:充電器處于運行狀態的 NMOS 保護電路
總之,建議在電池充電器上采用鋁聚合物電容器和鋁電解電容器,以改善正常的正向電池熱插拔期間的性能。由于極度的非線性,純陶瓷電容器會在熱插拔期間產生過高的過沖,背后的原因是:當電壓從 0V 升至額定電壓時,其電容的降幅可達驚人的 80%。這種非線性在低電壓條件下激發高電流的流動,而當電壓上升時則使電容快速遞減;這是一種導致非常高電壓過沖的致命組合。憑經驗,一個陶瓷電容器與一個較低 Q 值、電壓穩定的鋁電容器甚至鉭電容器的組合似乎是最穩健的組合形式。
P 溝道 MOSFET 設計
圖 7 示出了第二種方法,即采用一個 PMOS 晶體管作為保護器件。

圖 7:PMOS 晶體管傳輸元件版本
在此電路中,MP1 是反向電池檢測器件,MP2 是反向隔離器件。利用 MP1 的源極至柵極電壓來比較電池的正端子與電池充電器輸出。如果電池充電器端子電壓高于電池電壓,則 MP1 將停用主傳輸器件 MP2。因此,如果電池電壓被驅動至低于地電位,則顯然,檢測器件 MP1 將把傳輸器件 MP2 驅動至關斷狀態 (將其柵極干擾至其源極)。不管電池充電器是使能并形成充電電壓還是停用 (0V),它都將完成上述操作。
該電路的最大優勢是 PMOS 隔離晶體管 MP2 根本不具備將負電壓傳送至充電器電路和負載的權限。圖 8 對此做了更加清晰的圖解。

圖 8:共源共柵效應的圖解
通過 R1 在 MP2 的柵極上可實現的最低電壓為 0V。即使 MP2 的漏極被拉至遠低于地電位,其源極也不會施加顯著的電壓下行壓力。一旦源極電壓降至晶體管高于地電位的 VTH,晶體管將解除自身偏置,而且它的傳導性逐漸消失。源極電壓越接近地電位,晶體管的偏置解除程度越高。這種特性加上簡單的拓撲,使得這種方法比前文介紹的 NMOS 方法更受青睞。與 NMOS 方法相比,它確實存在著 PMOS 晶體管導電性較低且成本較高的不足。
盡管比 NMOS 方法簡單,但是該電路還有一個很大的缺點。雖然它始終提供針對反向電壓的保護作用,但是它可能不會總是將電路連接到電池。當柵極如圖所示交叉耦合時,該電路形成了一個閉鎖存儲元件,此元件有可能選擇錯誤的狀態。雖然難以實現,但存在這樣一種情況:充電器正在產生電壓 (比如 12V),在一個較低的電壓 (比如 8V) 附聯電池,電路斷開連接。
在這種情況下,MP1 的源極至柵極電壓為 +4V,因而強化 MP1 并停用 MP2。這種情況如圖 9 所示,并在節點上列出了穩定的電壓。

圖 9:采用 PMOS 保護電路時可能的阻塞狀態圖解
為了實現該條件,電池接入時充電器必須已經處于運行狀態。如果電池在充電器使能之前接入,則 MP1 的柵極電壓完全由電池上拉,因而停用 MP1。當充電器接通時,它產生一個受控的電流 (而不是高電流沖擊),這降低了 MP1 接通、MP2 關斷的可能性。
另一方面,如果充電器在電池附聯之前啟用,則 MP1 的柵極只需簡單地跟隨電池充電器輸出,因為它是由泄放電阻器 R2 上拉的。未接入電池時,MP1 根本沒有接通和使 MP2 脫離運行狀態的傾向。
當充電器已經啟動并運行、而電池附聯在后時,就會出現問題。在這種情況下,在充電器輸出和電池端子之間存在瞬間差異,這將促使 MP1 使 MP2 脫離運行狀態,因為電池電壓強制充電器電容進行吸收。這使 MP2 從充電器電容器吸取電荷的能力與 MP1 使 MP2 脫離運行狀態的能力之間形成了競爭。
該電路也用一個鉛酸電池和 LTC4015 電池充電器進行了測試。將一個承受重負載的 6V 電源作為電池模擬器連接至一個已經使能的電池充電器絕對不會觸發“斷開連接”狀態。所做的測試并不全面,應在關鍵應用中更加全面徹底地進行測試。即使電路確已鎖定,停用電池充電器并重新啟用它仍將始終導致重新連接。
故障狀態可通過人為操控電路 (在 R1 的頂端和電池充電器輸出之間建立臨時連接) 進行演示。然而,普遍認為該電路更傾向于連接。如果連接失敗確實成為一個問題,那么可以設計一款利用多個器件停用電池充電器的電路。圖 12 給出了一個更加完整的電路例子。
圖 10 示出了充電器被停用的 PMOS 保護電路的效果。
請注意,不論什么情況,電池充電器和負載電壓都不會出現負電壓傳送。
圖 11 示出了該電路處于“當反接電池進行熱插拔時充電器已進入運行狀態”這種不利情況下。
與 NMOS 電路的效果相差無幾,在斷開電路連接使傳輸晶體管 MP2 脫離運行狀態之前,反向電池略微下拉充電器和負載電壓。
在電路的這個版本中,晶體管 MP2 必須能夠經受兩倍于電池電壓的 VDS (一個用于充電器,一個用于反接電池) 和等于電池電壓的 VGS。另一方面,MP1 必須能夠經受等于電池電壓的 VDS和兩倍于電池電壓的 VGS。這項要求令人遺憾,因為對于 MOSFET 晶體管來說,額定 VDS始終超過額定 VGS?梢哉业骄哂 30V VGS 容限和 40V VDS 容限的晶體管,適合鉛酸電池應用。為了支持電壓較高的電池,必須增添齊納二極管和限流電阻器來修改電路。
圖 12 示出了一個能夠處理兩個串聯堆疊鉛酸電池的電路實例。

圖 10:充電器處于關斷狀態的 PMOS 保護電路

圖 11:充電器處于運行狀態的 PMOS 保護電路
ADI 公司確信其所提供的信息是準確可靠的。但是,對于其使用以及任何可能因其使用而導致的對第三方專利或其他權利的侵犯,ADI 公司概不負責。規格如有變更,恕不另行通知。不得暗示或以其他方式授予 ADI 公司任何專利或專利權的使用許可。

圖 12:較高電壓反向電池保護。
D1、D3 和 R3 保護 MP2 和 MP3 的柵極免受高電壓的損壞。當一個反接電池進行熱插拔時,D2 可防止 MP3 的柵極以及電池充電器輸出快速移動至地電位以下。當電路具有反接電池或處于錯誤斷開連接閉鎖狀態時,MP1 和 R1 可檢測出來,并利用缺失的 LTC4015 的 RT 特性來停用電池充電器。
結論
可以開發一種面向基于電池充電器應用的反向電壓保護電路。人們開發了一些電路并進行了簡略的測試,測試結果令人鼓舞。對于反向電池問題并不存在什么高招,不過,希望本文介紹的方法能夠提供充分的啟示,即存在一種簡單、低成本的解決方案。 |