TI公司的TPS543620是高效率4V-18V輸入6A同步SWIFT降壓轉換器,具有內部補償的固定頻率先進電流模式控制,開關頻率高達2.2MHz.器件是小型2.5-mm x 3-mm HotRod VQFN封裝,和高效率和高昂頻率一起,使它最適合用在小型解決方案的地方.固定頻率控制器工作從500 kHz 到 2.2 MHz,采用SYNC引腳能和外時鐘同步.其它特性還包括高精度基準電壓,可選擇軟起動時間,單調起動進入預偏壓輸出,可選擇電流限制,通過EN引腳可調UVLO和全套的故障保護.器件集成了25-mΩ和6.5-mΩ MOSFET,輸入電壓范圍4V到18V,輸出電壓0.5V到5.5V,三種可選擇PWM斜率,以優化控制回路性能,五種可選擇的開關頻率:500 kHz,750 kHz, 1 MHz, 1.5 MHz和2.2 MHz.整個溫度范圍內的確基準電壓精度為0.5-V, ±0.5%.可選擇的軟起動時間為0.5 ms, 1 ms, 2 ms和4 ms.可選擇限流以支持6A和3A工作,提供輸出過壓保護,輸出欠壓保護,輸入欠壓保護,過流保護和超溫保護.引腳和TPS543820和TPS543320兼容,結工作溫度–40C到150C,采用2.5-mm × 3-mm 14引腳VQFN-HR封裝,0.5-mm間距.本文介紹了TPS543620主要特性,功能框圖和五種應用電路圖,以及SWIFT™降壓轉換器評估模塊TPS543620EVM主要特性,電路圖,材料清單和PCB設計圖.
TPS543620 4-V to 18-V Input, 6-A Synchronous SWIFT™ Step-Down Converter with
Internally Compensated Advanced Current Mode Control
The TPS543620 is a high-efficiency 18-V, 6-Asynchronous buck converter employing an internallycompensated,fixed-frequency Advanced CurrentMode control. It is capable of providing high efficiencywhile running at a switching frequency up to 2.2 MHz.
The device is in a small 2.5-mm x 3-mm HotRod™VQFN package, which coupled with high efficiency athigh frequency, makes it optimal for designs requiringa small solution size. The fixed frequency controllercan operate from 500 kHz to 2.2 MHz and can be
synchronized to an external clock using the SYNCpin. Additional features include a high accuracyvoltage reference, selectable soft start times,montonic start-up into pre-biased outputs, selectablecurrent limits, adjustable UVLO through the EN pin,and a full suite of fault protections.
TPS543620主要特性:
• Fixed-frequency, internally-compensated advancedcurrent mode (ACM) control
• Integrated 25-mΩ and 6.5-mΩ MOSFETs
• Input voltage range: 4 V to 18 V
• Output voltage range: 0.5 V to 5.5 V
• Three selectable PWM ramp options to optimizethe control loop performance
• Five selectable switching frequencies: 500 kHz,750 kHz, 1 MHz, 1.5 MHz, and 2.2 MHz
• Synchronizable to an external clock
• 0.5-V, ±0.5% voltage reference accuracy over fulltemperature range
• Selectable soft start times: 0.5 ms, 1 ms, 2 ms,and 4 ms
• Monotonic start-up into pre-biased outputs
• Selectable current limits to support 6-A and 3-Aoperation
• Enable with adjustable input undervoltage lockout
• Power good output monitor
• Output overvoltage, output undervoltage, inputundervoltage, overcurrent, and overtemperatureprotection
• Pin-to-pin compatible with TPS543820 andTPS543320
• –40C to 150C operating junction temperature
• 2.5-mm × 3-mm, 14-pin VQFN-HR package with0.5-mm pitch

圖1. TPS543620功能框圖

圖2. TPS543620應用電路:12V輸入,1.0V輸出,1MHz

圖3. TPS543620應用電路:12V輸入,1.0V輸出,1.5MHz

圖4. TPS543620應用電路:12V輸入,3.3V輸出,1MHz

圖5. TPS543620應用電路:12V輸入,1.8V輸出,1MHz

圖6. TPS543620應用電路:12V輸入,5.0V輸出,1MHz
SWIFT™降壓轉換器評估模塊TPS543620EVM
TPS543620 SWIFT™ Step-Down Converter Evaluation Module
The TPS543620EVM is an evaluation module (EVM) for the TPS543620. The TPS543620 is a synchronous buck converter, integrating both power MOSFETs with low drain to source resistance to minimize solution size and provide high efficiency at full load. The TPS543620 uses fixed frequency Advanced Current Mode control with low minimum on-time for high switching frequency to minimize solution size and achieve fast transient response.
評估模塊TPS543620EVM主要特性:
Two circuits: one designed to demonstrate small solution area and one designed for easy evaluation of the TPS543620
Small solution area design uses 1.5-MHz switching frequency and fits within 100 square mm
Easy evaluation design includes jumpers to evaluate different settings selected by the FSEL and MODE pins of the TPS543620
3-state buffers to easily synchronize both designs to an external clock source
4.0-V to 18-V input voltage, 12-V nominal
1.0-V output at 6 A

圖7.評估模塊TPS543620EVM外形圖(正面)

圖8.評估模塊TPS543620EVM外形圖(背面)
評估模塊TPS543620EVM小型(U1)性能特性:

評估模塊TPS543620EVM高效率(U2)性能特性:

 
圖9.評估模塊TPS543620EVM PCB設計圖:左:底面元件;右:正面元件

圖10.評估模塊TPS543620EVM PCB設計圖:左:頂層布局;右:中1層布局

圖11.評估模塊TPS543620EVM PCB設計圖:左:中2層布局;右:底層布局

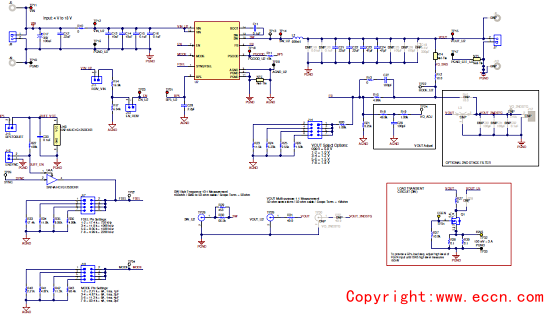
圖12.評估模塊TPS543620EVMU1電路圖

圖13.評估模塊TPS543620EVM U2電路圖
評估模塊TPS543620EVM材料清單:


|