麥克風是將聲音信號轉換為電信號的能量轉換器件,作為電聲系統的輸入部分,對于整個系統是非常重要的,決定著最終音質的好壞。
當前主流的麥克風包括動圈式和電容式。動圈式麥克風利用電磁感應現象制成,當聲波使膜片振動時,連接在膜片上的線圈隨著一起振動,音圈在磁場里振動,其中就產生感應電流(電信號),感應電流的大小和方向都變化,變化的振幅和頻率由聲波決定,這個信號電流經擴音器放大后傳給揚聲器,從揚聲器中就發出放大的聲音;電容式麥克風內有兩塊金屬極板,膜片振動感應音壓,引起電壓的變化,將聲信號轉換為電信號。從設計原理不難發現,電容式麥克風將聲音直接轉換成電信號,更能展現原音,具有寬頻帶、快速響應、高靈敏度的優點,是專業領域及錄音師的首選方案。
電容麥克風的內部電路需要使用幻象電源來驅動,給電容板施加外部偏壓,幻象電源可由獨立的設備提供,也可以通過聲卡或調音臺提供,麥克風通過一條線纜接收電力同時發送聲音信號,供電無需單獨的電纜而是在信號線中,因此稱為“幻象”。

圖1. 幻象電源
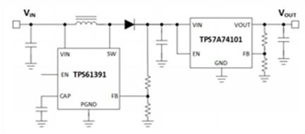
本文介紹的是德州儀器推出的48V輸出的幻象電源應用。方案由DCDC升壓TPS61391和線性穩壓TPS7A4101兩部分組成,原理圖如圖2所示。TPS61391是一款700kHz PWM控制升壓轉換器,可將3.3V或5V的鋰電池、USB等輸入升高到48.5V;TPS7A4101是一款耐壓達到50V的LDO,將48.5V穩壓到48V并能顯著降低輸出電壓紋波。

圖2. 原理框圖
該幻象電源的設計方案具有以下優勢:
輸入3V到5V,適合單節鋰電池,USB接口等輸入。
48V穩定輸出,適合電容式麥克風的供電。
低噪聲,低紋波,在5V輸入,20mA負載下,最大紋波約4mV如圖3所示,,這相當于0.0175%的噪聲含量,足以滿足嚴苛的應用要求。

圖3. 最大輸出紋波
方案尺寸小,成本低:
TPS61391采用3mm × 3mm × 0.75mm的QFN封裝,內部集成開關FET。
相比市面其他的方案:例如需外置FET的升壓控制器,或者需增加倍壓電路的升壓變換器,TPS61391無需外置FET或增加倍壓電路,整體電路簡單。
TPS7A4101采用HVSSOP-8封裝且使用的輸出電容也較小,占用的電路板空間非常小。