制造商制造輕混電動車(MHEV)的最終目標是減少溫室氣體(GHG)排放。輕混電動車包含一個連接到車輛變速器系統的48V電機驅動系統。為了減少溫室氣體排放,輕混電動車中的內燃機(ICE)會在車輛滑行時關閉,同時該48V電機系統會為48V電池充電,以便為車輛供電。在本文中,我將討論48V電機驅動器的一種設計方法,該設計可提供大功率的電機驅動,實現功能安全并且尺寸更加小巧。
大功率電機驅動的注意事項
對于汽車動力總成應用,典型的48V電機驅動系統需要10kW至30kW的電功率。傳統的12V電池系統無法滿足該功率水平,因此必須采用48V架構來支持大功率電機驅動。
閱讀白皮書《如何構建功能安全的小型48V、30kW輕混電動車電機驅動系統》,詳細了解如何解決電機驅動系統驅動電路中的重大設計難題。
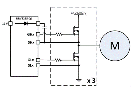
如圖1所示,48V電機驅動器控制外部金屬-氧化物半導體場效應晶體管(MOSFET),以使電機旋轉。這些外部MOSFET必須支持600A以上的電流才能實現30kW的功率目標。有效減小MOSFET的RDS(on)可減小熱耗散和導通損耗,在某些情況下,每個通道中并聯多個MOSFET將有助于分散熱量,如應用手冊《使用DRV3255-Q1驅動并聯MOSFET》中所述。MOSFET的總柵極電荷可能高達1,000nC。
設計人員還需要優化由開關損耗引起的功率耗散,以使整個解決方案符合汽車電磁兼容性(EMC)規范。高柵極電流柵極驅動器(如DRV3255-Q1)可以驅動高柵極電荷MOSFET,其峰值源電流高達3.5A,峰值吸電流高達4.5A。即使在柵極電荷為1,000nC的情況下,如此高的輸出電流也可以實現很短的上升和下降時間。可選的柵極驅動器輸出電流水平使您可以微調上升和下降時間,從而在開關損耗和電磁兼容性(EMC)之間進行優化。

圖1:大功率48V電機驅動器的最常見電源架構
即使電池的標稱電壓為48V,電源電壓也可能因運行期間的瞬態情況而發生很大的變化;請參閱圖2中國際標準化組織 (ISO) 21780 規定的電壓水平。此外,考慮到MOSFET寄生體二極管的反向恢復時間,電機驅動器引腳需要能夠承受負瞬態電壓。

圖2:ISO 21780規定的48V系統的電壓水平
憑借能夠承受105V電壓的高側自舉引腳,DRV3255-Q1能夠在90V的電壓下支持真正的連續工作,并支持高達95V的瞬態電壓。自舉的高側MOSFET源極和低側MOSFET源極的額定瞬態電壓為–15V,從而提供大功率電機驅動器系統所需的強大保護。
48V電機驅動器的功能安全注意事項
48V電機驅動系統存在產生不必要功耗的風險,這可能會導致出現過壓情況,從而損壞系統。正常的系統響應是使所有高側或低側MOSFET導通,使電機電流再循環,避免產生更多電流。如果出現故障,系統必須具有適當地切換功能性MOSFET的機制,以避免進一步損壞。實施此類保護通常需要外部邏輯和比較器。
利用集成在DRV3255-Q1中的主動短路邏輯,您可以決定在檢測到故障情況時應如何響應。可以將該邏輯配置為啟用所有高側MOSFET、啟用所有低側MOSFET或在低側和高側MOSFET之間動態切換(具體取決于故障情況),而不是通過禁用所有MOSFET來響應故障情況。此外,DRV3255-Q1符合ISO 26262規定的功能安全標準,并包含診斷和保護功能,可支持ASIL D級的功能安全電機驅動器系統。
48V電機驅動器的尺寸注意事項
發動機艙中的空間有限,因此要求48V電機驅動器系統的電路板具有較小的尺寸。圖3展示了傳統48V大功率電機驅動器設計的典型電機驅動器方框圖。要實現具有強大保護功能的安全電機驅動器系統,需要使用鉗位二極管、外部驅動電路、匯路電阻器和二極管、比較器以及外部安全邏輯。這些外部器件會導致布板空間增大并使系統成本升高。

圖3:典型的48V大功率電機驅動器方框圖
在采用DRV3255-Q1后,通過集成外部邏輯和比較器、可調節高電流柵極驅動器以及對大電壓瞬態的支持(無需額外的外部器件),可以提供顯著的優勢來有效減小總體電路板尺寸,如圖4所示。

圖4:簡化的DRV3255-Q1電機驅動器方框圖
隨著48V輕混電動車日益普遍,您是否考慮為下一輛汽車采用輕混電動車? |