| 外部元件放置
接地問題
電源和去耦
PWM濾波器
散熱問題
I2C/ I2S 通信
1.組件放置
D類放大器產生PWM脈沖,揚聲器端子橋接負載配置,揚聲器驅動器大約是電源的兩倍。 工作頻率一般為384Khz至768Khz,快速切換對具有快速上升時間(nS)和短脈沖寬度,因此這可能會出現嚴重的RF發射干擾,使芯片到揚聲器之間的走線成為天線,所以 處理組件放置很重要。
Output Filter




2.接地問題
- 與組件放置密切相關的是接地問題。 理想情況下,所有組件都放置在理想的位置,堅固的接地平面具有零阻抗,因此不會干擾任何其他因素,并且不會產生任何影響,并且會對接地返回電流造成EMI威脅。
-理想情況下,可能需要將敏感元件放置在遠離噪聲元件的地方,地平面具有有限的阻抗。 這是可能需要將接地隔離到一定程度的地方,但是由于隔離產生不需要的天線而存在引起EMI危險的風險。
在芯片內部,模擬和數字域需要相互通信。 下面的紅色環路是地電流。 這意味著存在從不同接地流入和流出的返回電流。 由于這些接地回路電流和每個電路之間的連接阻抗,以避免噪聲從數字電路耦合到模擬電路。 建議使用不同的接地以避免開關耦合通過地面的噪聲, 即使連接一個小電阻來增加分離也可

-如果可能,請使用小電阻器以改善電源接地與模擬接地之間的距離
-避免數字電源和模擬電源連接在一起
-添加電源濾波器
3供電和解耦
由于這些音頻放大器直接連接PVDD供電,因此電源阻抗很高,因為電流消耗很大。 內置有大量保護功能的內部電路,如UVP(欠壓保護),OCP(過流保護),OTP(過溫保護),UVP和OCP都會因電源尖峰而產生錯誤觸發,因此 正確的耗材去耦可能有助于它。
PWM Wavform邊緣
D類芯片輸出上升時間的正常PWM約為2nS,邊沿電流的頻率將在200Mhz,此芯片上的電源去耦至關重要,以保持電流回路盡可能小并避免傳播 干擾。 開關瞬態可能非常高,因此我們建議在每個放大器供應引腳旁邊放置陶瓷電容。 由于電流很大,建議每個引腳至少使用1uF + 0.1uF。 需要從VDD到具有相同層的主電容的直接跡線,電容器接地連接應與放大器芯片接地相同。

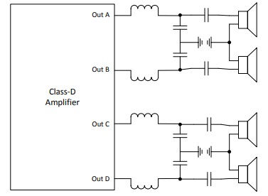
在更高功率的D類放大器中,通常輸出功率大于10 W,輸出端的濾波器放大器是必需的。 濾波器本質上是無源的,并且每個濾波器都使用電感器和電容器輸出終端。 因此,它被稱為LC濾波器。 選擇適當的LC濾波器元件對于滿足所需的音頻性能,效率,EMC / EMI要求和最終成本至關重要應用。 本應用報告可作為輔助LC濾波器組件部分的指南D類放大器,以滿足終端系統的目標設計目標。一些TI D類音頻放大器在單個器件中支持多種輸出配置。 這允許最終應用程序的高度靈活性。
PWM濾波器可以采用不同的模式,以支持板放大器類型,如AD調制,BD調制,1SPW,混合......等。 此外,PWM具有匹配BTL模式,PBRL模式和SE模式的不同配置。

橋接負載(BTL)

并聯橋接負載(PBTL)

單端(SE)

TI開發了LC計算工具,用于優化價值,方便最終客戶設計自己的濾波器。 以下是下載地址。 請確保您的電路與您選擇的調制方法匹配。

- 散熱問題
- 由于功率放大器是高電流器件,因此熱量對于那些設計者來說是一個挑戰。
- 在D類音頻放大器中,PWM開關頻率主要影響MOSFET損耗和電感器損耗。 采用大電感降低PWM開關頻率,提高散熱性能。 •在大輸出情況下,LC濾波器可以實現比鐵氧體磁珠更好的熱性能。
- - 將功率放大器設備放置在遠離PCB邊緣的位置,避免使用走線或串線切斷從音頻放大器設備到周圍區域的熱量流。
解決方案:
- 使用1SPW模式減少開關丟失
- 避免在放大器附近放置其他發熱元件或結構。
- 使用更多層PCB,為器件提供更
- 銅的厚度和PCB層對熱性能有很大影響。 對于EVM板,它是4層和2Oz銅。
- I2C / I2S 通訊
- 軟件配置了錯誤設備地址
- 數據邊緣更改錯誤
- 錯誤/弱信號或電壓電平錯誤
- 地拉高電阻或電容錯誤導致緩慢上升以觸發電路錯誤
- 接地不良或連接到噪音地

- 設置錯誤的I2S格式,因為I2S格式有很多不同,例如DSP,左對齊,右對齊和TDM,位長和偏移也不同
- 錯誤電平/ 噪音太大
- 走線太長而受到干擾
解決方案:
- 降低電阻值
- 降低電容值
- 配置匹配的格式
- 減少信號噪音

|