| 當前位置:首頁->方案設計 |
|
| 同步NVDC降壓/升壓電池充電控制器BQ25713的解決方案 |
|
|
| 文章來源:永阜康科技 更新時間:2020/3/26 11:06:00 |
在線咨詢: |
| |
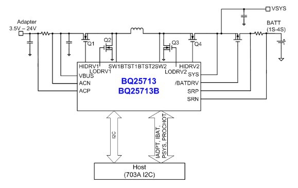
BQ25713/BQ25713B可通過USB適配器、高電壓USB PD源和傳統適配器等各種輸入源為電池充電。此器件是一款同步NVDC降壓/升壓電池充電控制器,可為空間受限的1至4節電池充電應用提供所含元件數較少的高效解決方案。
通過NVDC配置,可將系統電壓穩定在電池電壓水平,但無法將其降至低于系統最低電壓。即便在電池完全放電或被取出時,系統也仍會繼續工作。當負載功率超過輸入源額定值時,電池會進入補電模式并防止系統崩潰。
在加電期間,充電器基于輸入源和電池狀況,將轉換器設置為降壓、升壓或降壓/升壓配置。充電器自動在降壓、升壓、降壓/升壓配置間轉換,無需主機控制。
同步NVDC降壓/升壓電池充電控制器BQ25713的解決方案

在無輸入源的情況下,BQ25713/BQ25713B 可支持適用于1到4節電池的USB On-the-Go(OTG)功能,從而在 VBUS上生成具有8mV分辨率的3V至20.8V可調電壓。OTG輸出電壓壓擺率是可配置的,這符合USB PD 3.0 PPS規范。
當僅通過電池為系統供電且 USB OTG端口未連接任何外部負載時,BQ25713/BQ25713B支持Vmin主動保護 (VAP) 特性,借助該特性,該器件會從電池向VBUS處充電,從而將部分能量存儲在輸入解耦電容器中。在系統峰值功率尖峰期間,大量電流從電池流出,導致從電池到系統的阻抗上出現較大壓降。存儲在輸入電容器中的能量會為系統補電,從而防止系統電壓下降到最低系統電壓之下進而導致系統崩潰。該Vmin主動保護(VAP)特性旨在SOC高功率需求期間吸收系統功率峰值,Intel 強烈建議為具有1至2節電池的平臺配備此特性。
BQ25713/BQ25713B會監控適配器電流、電池電流和系統功率。靈活編程的PROCHOT輸出直達CPU,可根據需要降低其頻率。
適用于USB電力輸送 (PD) 電池充電應用,例如移動電源或其他便攜式設備。它采用降壓/升壓充電器 BQ25713為USB PD充電實現廣泛的輸入和輸出范圍。USB PD控制器卡(PMP40442)可以將充電器配置為通過同一個電源路徑進行充電或OTG。PMP40441/2與PD2.0 兼容。它還展示了 BQ25713能夠滿足PD的可編程電源(PPS)標準。在OTG方向(也就是將移動電源用作電源),USB端口可輸出5/9/15/20V的固定USB PD電壓以及 3.3V至5.9/11/21V 的USB PD PPS電壓,階躍小于20mV。還包含一個專門為 OTG 供電的USB-A端口。 |
| |
|
|
|
|
|
| |
| |
| |
 |
您可能對以下產品感興趣 |
 |
|
 |
| 產品型號 |
功能介紹 |
兼容型號 |
封裝形式 |
工作電壓 |
備注 |
| CS4056 |
CS4056E是面向空間受限的便攜應用的高度,集成鋰離子和鋰聚合 物 線性充電器件。該器件由USB端口或交流適配器供電。帶輸入過壓保護的高輸入電壓范圍支持低成本、非穩壓適配器。 |
TP4056 |
ESOP-8 |
4.5V-6.6V |
耐壓28V,低電池泄露電流,1.4A單節鋰離子和鋰聚合物電池線性充電電路 |
| CS5095 |
CS5095E是一款5V輸入,最大1.2A充電電流,支持三節鋰電池串聯應 用,鋰離子電池的升壓充電管理IC. |
CS5080/CS8082/CS5090 |
ESOP-8 |
3.5V-6.0V |
5V USB輸入,最大1.5A充電電流,帶NTC,三節鋰電升壓充電管理電路 |
| CS5090 |
CS5090E是一款5V輸入,最大1.5A充電電流,支持雙節鋰電池串聯應 用,鋰離子電池的升壓充電管理IC.CS5090E集成功率MOS,采用異步開關架構,使其在應用時僅需極少的外圍器件,可有效減少整體方案 尺寸,降低BOM成本 。 |
CS5080/CS5082 |
ESOP-8 |
4.5V-6.5V |
5V USB輸入,最大1.5A充電電流,帶NTC,雙節鋰電升壓充電管理電路 |
|
| |
|
| |
|
|