對于小功率電機應用,成本比復雜性更為重要,并且對轉矩的平順性要求較低,因此單相無刷直流(BLDC)電機是三相電機或兩相電機不錯的替代方案。此類電機結構簡單,易于制造,因此成本較低。此外,它只需要使用一個電樞位置傳感器和幾個 MOSFET 即可控制電機繞組。


本文介紹的基于 MCU 的驅動電路實現對單相無刷電機的控制,它會利用兩個反饋回路。一個是內層回路,負責控制換向;另一個是外層回路,負責控制轉速。電機轉速以外部模擬電壓。作為參考,而且會檢測出過流和過溫故障。

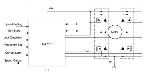
圖 1 顯示了基于 Microchip 的 8 位單片機 PIC16F1613 的單相驅動器。選擇這款單片機是因為其引腳數較少,并且片上外設可以控制驅動器開關、測量電機轉速、預測轉子位置以及實現故障檢測。本應用使用以下外設:互補波形發生器(CWG)、信號測量定時器(SMT)、模數轉換器(ADC)、數模轉換器(DAC)、捕捉 / 比較 / 脈寬調制(CCP)、固定參考電壓(FVR)、定時器、比較器和溫度指示器。上述外設通過固件在內部進行連接,因此可減少所需的外部引腳數。其中值得一提的是,互補波形發生器是一個好東西,由專門的硬件電路產生適合驅動馬達的互補信號,大大簡化了程序設計。
全橋電路由 CWG 輸出進行控制驅動電機繞組,霍爾傳感器用于確定轉子位置。流過電機繞組的電流通過檢測電阻 Rshunt 轉換為電壓,從而實現過流保護。轉速以外部模擬輸入作為參考。圖 2 顯示了電機驅動器控制框圖。

對于本設計,電機額定電壓為 5V,額定轉速為 2400 轉 / 分鐘。電機驅動器電源電壓為 9V。改變 MOSFET 的額定電壓和導通電阻可以輕易適應從 3.3V~100V 不同的電壓和對應的功率等級。參考轉速可以是任一模擬輸入,比如一個電位器和固定電阻組成的分壓器,非常方便調速。PIC16F1613 單片機的 ADC 模塊具有 10 位分辨率以及最多 8 個通道,因此適用于各類模擬輸入。ADC 模塊用于提供參考轉速和初始 PWM 占空比,從而根據參考轉速源對電機轉速進行初始化。

內層回路
內層反饋回路負責控制換向。
馬達驅動就好像猴子推秋千一樣,需要在恰當的時候用力。霍爾傳感器負責告訴單片機何時用力。全橋驅動就好像在左邊還有一個猴子,我們還要決定是哪邊的猴子要用力。CWG 輸出用于控制定子繞組的激勵,它取決于霍爾傳感器輸出的狀態(霍爾傳感器輸出將通過比較器與 FVR 進行比較)。將使能比較器遲滯,以屏蔽傳感器輸出中的噪聲。比較器輸出可在正向全橋模式與反向全橋模式之間切換,從而使電機實現順時針或逆時針旋轉。CWG 輸出將饋入全橋電路的開關的輸入。要生成一個電氣周期,必須執行一次正反向組合。電機機械旋轉一周需要兩個電氣周期,因此必須執行兩次正反向組合電機才能完成一次順時針旋轉。

全橋電路
圖 3 所示的全橋電路主要由兩個 P 溝道 MOSFET(用作上橋臂開關)和兩個 N 溝道 MOSFET(用作下橋臂開關)組成。P 溝道晶體管的主要優勢在于可以在上橋臂開關位置輕松實現柵極驅動,從而降低上橋臂柵極驅動電路的成本。但這種組合上橋臂開關和下橋臂開關有可能同時導通,就是常說的跨越導通,應極力避免這種狀況,否則將產生直通電流,導致驅動器元件損壞。
為避免跨越導通,可使用 CWG 的計數器寄存器來實現死區延時。這樣可避免輸出信號發生重疊,繼而防止上橋臂和下橋臂同時導通。理想情況下,N 溝道 MOSFET 和 P 溝道 MOSFET 應具有相同的導通電阻(RDSon)和總柵極電荷 QG,以便獲得最佳的開關特性。因此,最好選擇一對互補的 MOSFET 來匹配上述參數。
但實際上,由于互補 MOSFET 的結構不同,無法完全達到此要求;P 溝道器件的芯片尺寸必須是 N 溝道器件的 2 到 3 倍才能匹配 RDSon 性能。但是,芯片尺寸越大,QG 的影響也越大。因此,選擇 MOSFET 時,務必先確定 RDSon 和 QG 二者中哪個對開關性能的影響更大,然后再相應地進行選擇。
故障檢測
若轉矩負載超出允許的電機轉矩負載最大值,可能會導致電機停轉,從而使近似短路電流流過繞組。因此,為保護電機,必須實現過流和停轉故障檢測。為了實現過流檢測,本設計中有 Rshunt,該電阻會根據流過電機繞組的電流提供相應的電壓。電阻兩端的壓降隨電機電流線性變化。該電壓將饋入比較器的反相輸入并與參考電壓進行比較,參考電壓基于 Rshunt 電阻與允許的電機停轉電流最大值之積。參考電壓可由 FVR 提供,并可通過 DAC 進一步縮小。這樣便可以使用非常小的參考電壓,從而將電阻保持在較低水平,進而降低 Rshunt 的功耗。為了濾除噪聲和保護單片機的 IO,Rshunt 上的信號通過 R8,C5 這個低通濾波器接入單片機,會造成一定時間的延遲觸發,可以根據需要略微調整低通濾波器的時間常數。
如果 Rshunt 電壓超出參考電壓,比較器輸出會觸發 CWG 的自動關斷功能,并且只要故障存在,CWG 的輸出便會保持無效狀態。過溫故障可通過器件的片上溫度指示器進行檢測,溫度指示器的測量范圍為 -40˚C 至+85˚C。指示器的內部電路會隨著溫度的不同而產生不同的電壓,然后通過 ADC 將此電壓轉換為數字量。為提高溫度指示器的精確度,可實施單點校準。
下圖是馬達繞向和電流圖,供 debug 使用。

外層回路
圖 2 中所示的外層回路用于控制電機在不同條件下的轉速,例如負載需求、干擾和溫度漂移變化等。轉速由 SMT 測量。SMT 是一款具有時鐘和門控邏輯的 24 位計數定時器,經配置可用于測量多種數字信號參數,如脈沖寬度、頻率、占空比以及兩輸入信號邊沿之間的時間差。可通過 SMT 的周期和占空比采集模式測量電機的輸出頻率。在此模式下,SMT 信號的占空比或周期都可基于 SMT 時鐘進行采集。SMT 會計算單個電機旋轉周期內的 SMT 時鐘數,然后將結果存儲于捕捉周期寄存器中。使用該寄存器可獲得電機的實際頻率。將實際轉速與參考轉速進行比較時,如果實際轉速高于設定的參考轉速,則產生正誤差;如果實際轉速低于設定的參考轉速,則產生負誤差。此誤差會饋入 PI 控制器。PI 控制器是一種固件算法,用于計算轉速偏差的補償值。在初始 PWM 占空比的基礎上加減此補償值可得到新的占空比值。
主程序框圖:

速度控制框圖:

中斷處理流程:

結論
在成本敏感型電機控制應用中,高效而靈活的單片機可大顯身手。器件效率可針對外設集成度進行測量,從而優化控制任務、引腳和存儲器數量以及封裝尺寸。此外,如果需要不同的設計,易用性和上市時間也會顯得尤為重要。本文介紹了低成本單片機如何滿足上述需求,以及如何通過驅動器設置所需的參考轉速、預測轉子位置、實現控制算法、測量電機實際轉速以及執行故障檢測。 |