| 當前位置:首頁->方案設計 |
|
| NXP NTBMS電池管理系統安全參考設計 |
|
|
| 文章來源:永阜康科技 更新時間:2019/9/6 10:13:00 |
在線咨詢: |
| |
nxp公司的NTBMS電池管理系統,適用于汽車電池管理系統,用作鋰電池的起動電池或輔助電池. NTBMS平臺設計具有高度可靠性和安全性,和ISO 26262 ASIL C兼容.鋰電池管理系統包括電池監測,電流測量,無源電池平衡,電池斷路器控制,電池參數提取(充電狀態,健康狀態)的計算單元以及通過CAN和其它ECU通信.平臺集成了高達ASIL C的系統診斷,過流保護,過充電保護,超溫保護,過壓保護,欠壓保護(短路),非預期繼電器關閉保護,非預期繼電器開路保護和碰撞檢測輸入.主要用在汽車BMS鋰電池起動電池,汽車輔助電池BMS,智能電網以及其它電池管理系統(醫療,電動自行車,輕型運輸和工業).本文介紹了NTBMS主要特性,技術數據,框圖和系統框圖,系統連接框圖與電路圖.
NTBMS is a Battery Management System for manufacturer ofautomotive Battery Systems, used as Starter Battery or AuxiliaryBattery with Li-Ion cells.
The NTBMS platform is designed for systems with high demandon reliability and safety in compliance with ISO 26262 ASIL C.
NTBMS is a generic safety reference design for BMS developedin cooperation with NXP. The Battery Management System of Li-Ion battery includes cell monitoring, current sensing, passive cellbalancing, battery breaker control, computation unit for Batteryparameter extraction (such as State of Charge, State of Health)and communication to other ECU through CAN.
Battery management systems (BMS) are responsible to steerand control high-voltage batteries of Electric and Hybrid ElectricVehicles. This control unit is essential since several battery cellsare unified to a cluster to enhance battery capacity. It is a chargeregulator which should guarantee a stringent power supply ofthe engine.
BMS are essential to monitor state of charge, load distribution,temperature of each battery cell as well as of the whole batterypackage and development of the charging capacity.
NTBMS主要特性:
_ Integrated system diagnostic functions up to ASIL C
_ Overcurrent protection
_ Overcharge protection
_ Over-temperature protection
_ Over-voltage protection
_ Under-voltage protection (short circuit)
_ Protection against unintended relay close
_ Protection against unintended relay open
_ Crash detection input
NTBMS用戶優勢:
_ Accelerate time to market
_ Reduction in costs for development and certification
_ Safety Development Platform for BMS
_ Reference Design in compliance to ISO 26262 ASIL C
NTBMS典型應用:
_ Automotive BMS for Starter Battery with Li-Ion battery
_ Automotive BMS for Auxiliary Battery
_ Smart Grids
_ Other Battery Management opportunities (medical, e-Bike,light transportation, industrial)

圖1.NTBMS基板和NT SafeSOMmicro外形圖
NTBMS基板主要技術數據:
電源
The device is designed for operation with 12V to 18V DC powerSupply. Operation with other supply voltages is not permitted.The supply voltage is connected via the connection cable providedfor this purpose.
環境條件
溫度
The device is designed for storage and operations at the followingtemperature ranges:
_ Storage temperature: -15℃ to +70℃
_ Operating temperature: 0℃ to +40℃
電池特性
電流載流能力
_ 250 A permanent;
_ 600 A for 40 s;
_ 1400 A for 1 s
電池管理系統電流
_ operating current < 25 mA@RT
其它特性
_ Intrusive diagnostics (performed by MCU)
_ Memory storage (RAM& flash)
_ Power management (low power and normal mode)
_ LIN for starter batteries
_ CAN for the auxiliary batteries.

圖2.NTBMS系統框圖
The application is a Battery Management System (BMS) evaluation platform for a 14V Li-Ion battery (including cell monitoring, current sensing, passive cell balancing, battery breaker control, computation unit for Battery parameter extraction and communication to other ECU through CAN.
The NT BMS consists of a general purpose Safety System on Module (NT SafeSOMmicro) which is an ASIL C ready microcontroller platform, including two microcontrollers which are supervising each other and an ASIL D qualified System Basis Chip providing all necessary voltages, CAN PHY and Watchdog functionality.
Second part is the NT BMS Baseboard where all battery management specific components are located. The three main components are:
Battery Cell Controller
Current measurement shunt resistor
Breaker control circuit

圖3.NTBMS框圖

圖4.NTBMS系統連接框圖

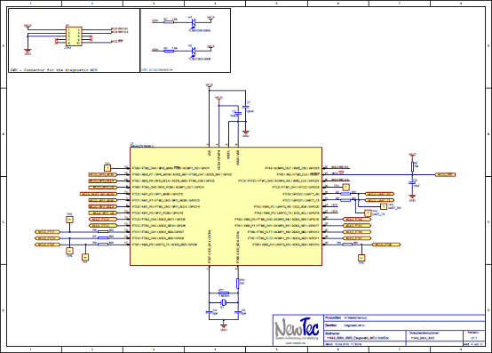
圖5.NTBMS電路圖(1)

圖6.NTBMS電路圖(2)

圖7.NTBMS電路圖(3)

圖8.NTBMS電路圖(4)

圖9.NTBMS電路圖(5) |
| |
|
|
|
|
|
| |
| |
| |
 |
您可能對以下產品感興趣 |
 |
|
 |
| 產品型號 |
功能介紹 |
兼容型號 |
封裝形式 |
工作電壓 |
備注 |
| VAS5118 |
VAS5118 是一顆多節串聯鋰電池組監控芯片,通過I2C通信接口與主控制器配合,形成電池管理系統(BMS)。 |
|
TSSOP-24 |
0.3V-40V |
3節至28節串聯電池監控芯片 |
| VAS5176 |
VAS5176 是一款8.5V-24V 輸入,高度集成的開關型鋰離子/聚合物電池充電管理芯片, 以高精度調節2A充電電流,和電池電壓。 |
VAS5175A/VAS5176 |
ESOP-8 |
8.5V-24V |
8.5V-24V輸入2A開關降壓型2節/3節4節鋰電池充電管理IC |
| VAS5175H |
VAS5175H 是一款5V-24V 輸入,開關降壓型1節4.35V/2節8.7V鋰離子/聚合物電池充電芯片, 以高精度調節2A 充電電流,和電池電壓。它密切監測電池組的溫度只在設置安全溫度范圍下允許充電,還提供電池檢測、預充電調節、充電飽充和充電狀態指示等功能。 |
VAS5175A/VAS5176 |
ESOP-8 |
5V-26V |
2A開關降壓型1節4.35V/2節8.7V鋰電池充電管理IC |
| VAS5175A |
VAS5175A 是一款5V-24V輸入,高度集成的開關型鋰離子/聚合物電池充電芯片, 以高精度調節2A充電電流,和電池電壓。它密切監測電池組的溫度只在設置安全溫度范圍下允許充電,還提供電池檢測、預充電調節、充電飽充和充電狀態指示等功能。 |
VAS5175H/VAS5176 |
ESOP-8 |
5V-24V |
2.0A, 1/2節鋰電池開關型充電器 |
|
| |
|
| |
|
|