無線電這個術語現在意味著比過去更多。早期的無線電發射機只不過是振蕩器,它只是通過幅度,頻率或相位將信號信息調制到載波上。設計并使用了簡單的單芯片或晶體管發射器和接收器,功率晶體管可以提供足夠的功率以滿足大多數需求。今天,普通人普遍使用多個RF收發器的個人移動設備是司空見慣的。
這些現代無線電具有很高的性能和可靠性。我們的無線鏈接必須工作以及有線鏈接。這意味著在我們的接收信號被仔細檢查和解碼的同時,許多在后臺運行的子系統需要擺動。隨著數字時代的到來,甚至模擬信號也以數字形式處理。數字系統,尤其是密集且具有多個時鐘的數字系統,可能會產生噪聲,增加高功率發射器也會降低對接收信號的敏感度。
其他要求,如跳頻,擴頻,協議前導碼,CRC,ECC,ACK/NOACK,僅舉幾例,使簡單的晶體管RF鏈路過時。因此,RF鏈路需要比以往更復雜的芯片。對于工程師來說,就像背著沉重的石頭一樣,每一代都會越來越重,因為增加了復雜性。
設計過程也經歷了復雜程度的提高。多個地平面需要收斂。數字地平面可能充滿開關噪聲。模擬地平面應盡可能安靜,因此傳感器可以將可靠的電平傳遞到數據采集系統的敏感A/D級。 RF接地平面還應策略性地保護低電平無線電信號,同時保持一致的傳輸線阻抗。這在分層電源和地平面設計以及布局電路板時的功能劃分方面提出了更多的思考。
本文介紹了可以從現代高端無線電芯片中獲取預先形成的復雜RF信號的離散RF增益模塊階段并提升水平以實現更高的范圍和可靠性。此外,雖然特定頻段和協議的功率輸出水平確實由政府機構決定,但如果我們想要充分利用我們允許傳輸的功率電平,增益模塊可以實現這一點。
增益塊的優點
現代數字無線電允許使用的增加的發射功率量是一種混合的祝福。由于采用擴頻技術,與10 mW的發射功率相比,無線電可以發射高達1.5 W的發射功率,而較舊的窄帶AM和FM發射機是允許的。這有利于增加范圍和信號接收可靠性,但增加了對設計的更多功率要求,以及另一個可能噪聲源由于對低電平信號的敏感性和不斷增長的功能集成,只有太多功率復雜的無線電SoC可以處理。逆平方功率定律表明將天線移動到安靜點可以降低數字系統的噪聲,從而優化接收效果。因此,RF開關(參見TechZone文章RF開關增加靈活性)可以是用于將無線電信號從嘈雜的SoC引導到更優化的位置,并允許使用多個天線(圖1)。對于傳輸信號,增益天線可以增加范圍和功率輸出,但增益模塊可以將原始RF用于傳輸,并將其提升到更高的水平,以達到其符合標準所允許的最大功率。

實現無線電傳輸范圍和可靠性的RF增益模塊介紹圖1:RF開關可以允許多個天線,以提高接收靈敏度和三角測量,以及更好的發射輻射模式。地平面的戰略分離有助于保持模擬和射頻部分的安靜。注意模擬和數字地平面在微型AVss引腳上連接在一起。
將更高功率的發射器移動到電路板上的遠程或外圍位置有許多優點。差分信號可以通過電路板將低電平無線電信號干凈地傳遞到邊緣安裝的PC板天線,外部天線連接器或兩者。外圍是用于傳輸(和接收)信號的暢通路徑的最佳鏡頭,并且在選擇外殼材料時允許更多控制,以便不會削弱性能。此外,冗余天線可用于改善發射覆蓋范圍,以及在多個平面上接收靈敏度。
各種應用的設計可利用增益模塊,包括GSM,蜂窩,本地多點分配服務(LMDS) ),多通道多點分配服務(MMDS),CATV等。
已經出現了增益塊,以解決通用和頻段特定的需求。在這兩種情況下,它們都采用低電平RF信號,并為具有非常特定特性的天線提供功率增益。一些制造商(如ADI公司)制造了一系列針對特定設計以及通用和寬帶應用的增益模塊。
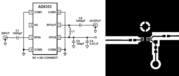
ADI公司AD8353ACPZ-REEL7是一款基本輸入/輸出兩級反饋放大器,結構緊湊8-VFDFN封裝,帶有裸露焊盤。它針對蜂窩,LMDS和MMDS設計。良好的1 MHz至2.7 GHz,它是一個相當寬的放大器,能夠運行標準的3或5 V電源,并提供固定的20 dB增益。其緊湊的尺寸和簡單的“直通”布局使其可以輕松放置在自己的地平面上(圖2)。

實現無線電傳輸范圍和可靠性的RF增益模塊介紹圖2:無源元件可用于在單端或差分配置中將單端輸出耦合到天線。另一個類似的例子是Analog Devices ADL5530ACPZ-R7,它支持CDMA2000,W-CDMA,GSM和細胞。仔細觀察,您會發現它從0 Hz到1 GHz都很好,非常適合928 MHz ISM頻段設計,以及醫療植入物,工業控制等的低頻段。更高頻率仍然合理寬帶ADL5542ACPZ-R7可處理50 MHz至6 GHz,并針對蜂窩和CATV設計。
ADI公司推出的新型ADL5610,ADL5611,ADL5544和ADL5545器件將寬頻率范圍擴展至30在保持高頻6 GHz高端的同時達到MHz。它們的增益水平不同,都采用非常緊湊的SOT89-3封裝。
Avago Technologies還生產一種帶有MGA-30689-TR1G扁平增益高線性度SOT-89器件的RF增益模塊芯片。它的工作頻率范圍為40 MHz至3 GHz,它包含了所有當前的2.4 GHz協議和標準,并采用了直通布局(圖3)。它需要一個5 V單電源,在40 MHz至2.6 GHz范圍內具有平坦的14 dB(±0.5 dB)增益響應。
實現無線電傳輸范圍和可靠性的RF增益模塊介紹圖3:SOT封裝也適用于良好的直通放大,與裸露焊盤VFDFN封裝一樣,提供與地平面的牢固連接。
Hittite也在這個舞臺上播放并提供一些感興趣的部分。例如,可比較的SOT-89寬帶HMC311ST89E,從0 Hz到6 GHz都很好。其50Ω增益級可級聯,以實現非標準調節設計的更高輸出電平。如果使用達林頓輸出對提供16 dB增益,與其他技術相比可顯著降低電流消耗。
Hittite還提供2 x 2 mm的超高頻率(0至10 GHz)增益模塊GaAs pHEMT HMC788LP2E增益阻滯級。該器件還具有50Ω阻抗的級聯功能,可直接驅動單平衡或雙平衡混頻器的本地振蕩器端口,輸出功率高達20 dBm。它還采用5 V電源和達林頓反饋對,在溫度范圍內具有出色的增益穩定性。
Hittite的增益模塊評估板,標記為119394-HMC636ST89,可以使用直通外部連接器演示器件的性能(圖4) )。
實現無線電傳輸范圍和可靠性的RF增益模塊介紹圖4:RF增益塊評估單元演示了“理想的”地平面使用情況,以及使用外部連接器直接連接到天線或阻抗控制布線到目標的直通架構設計。這簡化了原型設計和測試。
在接收端
有趣的是,增益塊不僅用于發送器級,還可用于與接收鏈相關的目的。一個很好的例子是Linear Tech LTC6430BIUF-15PBF。該部分調節原始接收數據并針對超高速差分A/D轉換器級進行優化(圖5)。軟件定義無線電(SDR)和直接DSP類型的解調方案(如正交頻分復用(OFDM))的理想選擇,該器件采用24引腳QFN封裝,可直接耦合到外部A/D或微控制器的高性能A/D級。請注意,4 x 4 mm尺寸仍然相當小,可用于手持式和便攜式設備(但功耗為800 mW)。
實現無線電傳輸范圍和可靠性的RF增益模塊介紹圖5:RF增益模塊對于接收部分,用于放大和調節低電平接收信號為全擺幅差分信號對,用于基于DSP解調的直接高速差分A/D轉換器。
總之,本文討論了為什么增益塊是一項了解的好技術,并向您展示如何利用可用部件來實現最大傳輸范圍,同時保持接收靈敏度。正如我們已經注意到的那樣,RF增益模塊進一步為工程師提供了更大的靈活性和自由度,可用于布置可容納您設計的物理PC板。
|