什么是PFC?
功率因數校正(PFC)源于開關模式電源(SMPS)之前的時代,與電機等線性功率負載有關,因為這些負載能夠為線路增加電感性負載。電機增加的影響是能夠使電流與線路電壓不再同相,而是滯后一定角度,這樣如果再測量電壓和電流RMS值,“視在”功率會比所預期的要大。這可以在數學上表示為兩個線頻電流,一個與線路電壓同相,另一個相差90度。同相電流為負載提供“實際”功率,而移相電流代表“無功”功率,這些功率無用,只會導致電流從電源流出并返回電源。該電流導致電阻性損耗,并且在極端情況下會出現連接或熔斷器故障。 “功率因數”定義為實際功率與視在功率之比。幸運的是,至少對于線性電機負載,所需的修復只是添加補償電容器。
電動汽車電池充電器等應用中使用的開關電源(SMPS)也會使電流與電源電壓不同相,但其機制與電機不同。在SMPS中,交流(AC)線路被整流,并且隨后的大容量電容器在AC周期的峰值處被“充滿”能量。這意味著負載是非線性的,電流僅在電源周期的一小部分以短脈沖方式獲得,通常實際上扭曲了標稱正弦電壓波形,使其峰值“變平”(見圖1)。

圖1:無功率因數校正SMPS的典型線電壓(上圖)和電流波形(下圖)。
電流波形現在與線頻的同相分量,表示“實際”功率,但是相差為90度的無功部分包括由非線性負載引起的許多不同幅度的諧波。我們現在很難應用功率因數的定義,因此EN 61000-3-2等現代國際標準定義了在指定線路諧波頻率下的“諧波電流輻射”限定值[1] [2]。 因此,功率因數校正仍然適用。
PFC級的演變
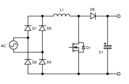
改善SMPS電流失真的早期方法是在大容量電容器之前串聯線頻電感器,但這種方法對于超過100W的應用來說非常笨重且不實用。現在最常見的解決方案是將整流線電壓通過升壓轉換器,之后它會輸出一個高于AC線路峰值的穩壓DC(見圖2)。線電流一直在得到檢測,并且升壓轉換器的脈沖寬度調制迫使電流與線電壓保持同相,從而減少諧波電流并改善功率因數。但所帶來的一個副作用是大容量電容器需要工作在恒定的高電壓下,其中的能量存儲密度會更高,在線路中斷后具有更長的“擊穿(ride-through)”時間。

圖2:基本的升壓PFC電路。
雖然圖2中的橋式整流器和升壓轉換器組合方法已經使用了多年,但它已經成為系統提高效率的限制因素,因為隨后的轉換器級已經提高到大約97%的效率。在實際運行中,橋電路中的兩個二極管始終以大約1V的壓降工作,因此,對于1 kW功率, 115 V輸入的轉換器,橋電路至少消耗18W的功率。這大約占效率損失約為2%,系統效率最高也只能達到95%。對于80PLUS Titanium效能標準,在高線路電壓和半負載下,要求完整轉換器的效率超過96%,因此橋電路已經是一個問題所在之處。
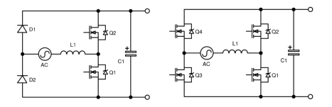
已經采用線路同步MOSFET代替橋式二極管的方案,這種方案比較昂貴,并且需要專用的自供電控制器。業界已經認識到一種更好的解決方案是將主開關也用作同步整流器,其中器件溝道被配置為僅從源極到漏極導通,這就是所謂“無橋圖騰柱”配置。如圖3(左)所示,通過重新排列組件能夠實現這種配置。D5用類似Q1的開關代替,現在Q1和Q2用作升壓開關,同步整流器通過交流電源極性而實現交換功能。在這種配置中,只有一個二極管和開關的RDS(on)形成電流串聯,從而顯著降低了傳導損耗。
甚至可以更進一步,用同步開關代替D1和D2,以獲得更高的效率。 (見圖3右)。

圖3:無橋圖騰柱配置(左)和進一步的改進(右)。
挑戰和解決方案
幾個無橋圖騰柱PFC技術固有的問題已經得到確定[3],這些包括特殊的電流監測要求,可靠的交流過零檢測和軟啟動問題?刂艻C可用于解決上述問題,但是,有一個特殊的問題與使用的開關有關。Q1和Q2在都不導通時必須始終有“死區時間”,以便不會發生災難性的“擊穿”電流。在死區時間內,MOSFET的固有體二極管充當整流器Q1或Q2,傳導全部輸出電流。當器件在開關周期的下一階段反向偏置時,會產生較大的“反向恢復”電流,導致能量損耗和EMI問題,從而抵消效率的提升。高壓MOSFET可能具有特別差的體二極管反向恢復特性,因此,無橋圖騰柱電路一般不宜在較高功率下使用。這里假定為連續導通模式(CCM)。臨界和非連續模式不會強制體二極管導通,但由于涉及過高的峰值電流而不適合于高功率應用。
隨著寬帶隙(WBG)開關的出現,現在情況發生了變化。 SiC MOSFET具有低溝道傳導損耗、較高的速度和快速體二極管。但是,二極管的正向電壓可以為2.5V~ 3V,從而導致高的導通損耗。器件電容中的存儲能量EOSS通常是Si-MOSFET等效值的兩倍,從而產生額外的開關損耗。增強型GaN器件是SiC MOSFET的競爭技術,它們沒有體二極管,但針對ON電阻(RDSA)的歸一化芯片面積幾乎是SiC MOSFET的兩倍,并且沒有雪崩或短路額定值,這使得它們在實際應用中的可靠性成為一個大問題。 SiC MOSFET和E-GaN器件也都具有臨界柵極驅動電壓,能夠實現可靠和高效的運行。
SiC共源共柵:最好的WBG解決方案?
通過使用SiC共源共柵(級聯)器件,有一種方法可以充分利用寬帶隙技術的優勢。SiC共源共柵是高壓SiC J-FET與高性能共同封裝的低壓Si-MOSFET的組合。低開關損耗是與極低輸入、輸出和米勒電容以及低EOSS相關的特性,最終源于小晶片尺寸。SiC共源共柵的RDSA值比Si超級結MOSFET好十倍,比增強型GaN或者SiC MOSFET高2~4倍。
SiC共源共柵中的Si-MOSFET引入了一個體二極管,但是它屬于低電壓型,該二極管可以非常快速,因而具有低的反向恢復電流和損耗。圖4比較了650V額定值的UnitedSiC UJC06505T SiC共源共柵和650V的IPP65R045C7硅超級結MOSFET的恢復特性,顯示出大約60倍的回收電荷差異。

圖4:反向恢復特性比較:SiC共源共柵與Si-MOSFET。
用于SiC共源共柵的柵極驅動并不是非常關鍵,工作電平通常為0 ~12V,絕對最大值為±25 V,器件具有雪崩額定值,短路能力,并且沒有dV/dt限制......
真實世界的結果
UnitedSiC的一個演示板額定功率為1.5 kW,使用工作頻率為100 kHz的UJC06505K SiC共源共柵,演示結果表明,達到了80PLUS Titanium效能目標,并具有一定的余量(見圖5)。

圖5:使用SiC共源共柵實現的無橋圖騰柱PFC級效率。
雙向電源轉換
電動汽車電池充電器與其他SMPS類似,因為它們需要PFC和轉換級來提供受控的電池充電。但是也需要將電力從電池返回到本地電網以用于能量平衡或家庭使用,并為用戶帶來相應的經濟利益。無橋圖騰柱PFC級在拓撲結構上實際上與H型橋式逆變器相同,因此通過適當的高頻PWM驅動到以線路頻率調制的開關,使DC總線成為電源,線路連接成為負載,形成反向能量流動。電池通過傳統的雙向隔離DC-DC轉換器產生DC總線,同樣,SiC共源共柵由于具有低導通和體二極管損耗,因而非常適合于這種應用。
總結
無橋圖騰柱PFC級一直在等待合適的半導體技術拓撲結構的出現。作為一種牢固的解決方案,SiC共源共柵開關實現了這種拓撲結構潛在的效率階躍提升,并具有配置為雙向功率轉換的巨大潛力。UnitedSiC能夠提供理想適用于這些應用的多種SiC共源共柵器件。
UnitedSiC是今年由Electronics Weekly主辦的Elektra Awards的決賽入圍廠商。 |