本文作者:德州儀器Sean Zhou
隨著電動汽車、個人電子產品和電網系統的日益普及,人們對鋰離子(Li-ion)電池的需求正以指數級增長。隨著消費者需求的增長,對高精度電池化成測試能力的需求也在增長。
電池化成測試需要多個充電和放電周期; 為了最大限度延長電池壽命并擴大存儲容量,此過程中必須實現高精度控制。在每個周期中,電池的電流和電壓必須得到精確控制,許多制造商要求滿量程控制精度超過0.05%。然而,隨著對電池電流要求的增加,保持如此高的精確度變得越來越困難。
TI適用于高電流應用的電池測試儀參考設計利用恒定電流(CC)和恒定電壓(CV)校準環路實現0.01%滿量程充電和放電電流控制精度。它支持高達50A的充電和放電速率,并針對需要更高電流或多相的應用提供可修改的平臺。例如,目前的汽車電池規格正在急劇增長,甚至可能需要超過50A的電流。
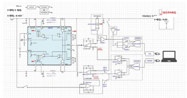
如圖1所示,參考設計采用LM5170-Q1,可調節流入或流出電池的電流。INA188實現并監控CC控制環路,由于電流可向任一方向流動,SN74LV4053A多路復用器可對INA188輸入作相應調整。將檢測到的電流與DAC80004數模轉換器(DAC)產生的精密基準進行比較,并將這兩個信號饋入由TLV07實現的誤差放大器(EA)。EA的輸出反饋到LM5170的ISETA模擬電流編程引腳,該引腳將流經電流檢測電阻的電流調節為電流參考信號。
圖 1:電池測試儀參考設計方框圖
CV控制回路以類似的原理工作。ADS131A04模數轉換器(24位、128kSPS、4-Ch同時采樣Δ-Σ模數轉換器(ADC)監控電池電壓和電流,并由DAC80004為CV控制回路設置高精度電壓基準。ADC監控電池的電壓和電流,并提供簡單的圖形用戶界面(GUI)以便查看電池的狀態。DAC還提供GUI以設置不同應用的參考信號。
許多因素都會影響系統精度,包括溫度漂移、電壓漂移和偏移電壓。電池測試儀參考設計使用三點校準來計算不同的影響來源或任何錯誤。圖2顯示了在寬電流范圍內實現的滿量程精度。該系統在電池充電時以降壓模式運行,放電時以升壓模式運行。
圖 2:電流控制精度
通電后,由于電池電壓低,CV控制回路向電池輸出高電壓。該輸出信號導致CC環路優先控制系統。隨著電池電壓的升高,當系統達到參考電壓電平時,系統逐漸由CC控制轉換到CV控制。
圖3顯示了在降壓模式下工作時校準系統的電壓控制精度。
圖 3:降壓模式下的電壓控制精度
圖4顯示了在不同電流條件下,具有相同電壓設置的轉換曲線。在不同的條件下,圖4中的轉換點是不同的,因為功率傳輸路徑上的電壓降會隨著電流設置的增加而增加。圖5顯示了在不同電壓條件下,具有相同電流設置的轉換曲線。這兩條曲線顯示了從CC到CV的平滑過渡,表明控制系統是穩定的。
圖 4:具有不同電流的CC / CV轉換
圖 5:具有不同電壓的CC / CV轉換
該參考設計展示了如何利用CC和CV校準環路來實現0.01%滿量程充放電電流控制精度,而且支持高達50A的充放電速率。有關更多詳細信息,請參閱參考設計的工具文件夾。
相關產品:
適用于高電流應用的電池測試儀參考設計
德州儀器TIDA-01040
