| 當前位置:首頁->方案設計 |
|
| TBC03鋰電池充電器解決方案 |
|
|
| 文章來源:永阜康科技 更新時間:2018/6/12 9:23:00 |
在線咨詢: |
| |
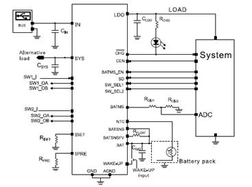
ST公司的TBC03是具有低靜態電流的LDO穩壓器和負載開關的鋰電池充電器,包括150mA LDO,2個SPDT負載開關,以及保護電路模塊(PCM),采用CC/CV算法進行充電電池,快速充電電流高達650mA,預充電電流從1mA起,可調浮電壓高達4.45V,主要用在智能手表和可穿戴設備,健身和醫療設備,以及鋰電池和其它Li-Poly電池可再充電設備.本文介紹了TBC03主要特性,框圖,應用電路圖及其材料清單,Li-Ion/Li-Po電池電源管理評估板STEVAL-ISB035V1主要特性,電路圖,材料清單和PCB設計圖.
The STBC03 is a highly integrated power management, embedding a linear batterycharger, a 150 mA LDO, 2 SPDT load switches, and a protection circuit module(PCM) to prevent the battery from being damaged under fault conditions.
The STBC03 uses a CC/CV algorithm to charge the battery; the fast charge and the pre-charge current can be both independently programmed using dedicatedresistors. The termination current is set to 5% of the programmed fast charge current,but has fixed values for fast charge currents lower than 20 mA. The battery floatingvoltage value is programmable and can be set to a value up to 4.45 V.
The STBC03 also features a charger enable input to stop the charging processanytime.The STBC03 is automatically powered off from the connected battery when the IN pinis not connected to a valid power source (battery mode).A battery under/overtemperature condition can be detected by using an externalcircuitry (NTC thermistor).
The STBC03 draws less than 10 nA from the connected battery in shipping modeconditions, so to maximize the battery life during shelf life of the final application. Thedevice is available in the Flip Chip 30 package.
TBC03主要特性:
• Charges single-cell Li-Ion batteries with CC/CV algorithm and chargetermination
• Fast charge current up to 650 mA adjustable by external resistor
• Pre-charge current from 1 mA
• Adjustable floating voltage up to 4.45 V
• Integrated low quiescent LDO regulator
• Automatic power path management
• Auto-recharge function
• Embedded protection circuit module (PCM) featuring battery overcharge, batteryover-discharge and battery overcurrent protections
• Charging timeout
• Shipping mode feature allows battery low leakage when over-discharged
• Very low battery leakage in over-discharge and shutdown mode
• Charger enable input
• Charge/fault status output
• Battery voltage pin to allow external gauging
• Two 3 Ω SPDT load switches
• Available in Flip Chip 30, 400 μm pitch package
• Rugged ±4 kV HBM, ESD protection on the most critical pins
TBC03應用:
• Smart watches and wearable devices
• Fitness and medical accessories
• Li-Ion and other Li-Poly battery rechargeable equipment

圖1.TBC03框圖

圖2.TBC03應用電路圖
TBC03應用電路圖材料清單:

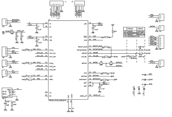
基于STBC03的Li-Ion/Li-Po電池電源管理評估板STEVAL-ISB035V1
The STEVAL-ISB035V1 is an evaluation board based on the STBC03 battery power management IC, integrating a linearcharger for single-cell Li-Ion batteries with battery protection functions, an LDO regulator and two SPDT load switches.
The device uses a CC-CV algorithm to charge the battery; the fast-charge and pre-charge currents can be programmed usingan external resistor.
The input supply voltage is used to charge the battery and provide power to the LDO regulator. When a valid input voltage is notpresent and the battery is not empty, the device automatically switches to battery power.
When shutdown mode is activated, battery power consumption falls to less than 100 nA.
Two 3-Ω SPDT load switches with dedicated control input are embedded to intelligently manage overall system powerconsumption. The STEVAL-ISB035V1 can work in standalone mode, but several digital inputs can be used to control theSTBC03 for full operation.
The STEVAL-ISB035V1 evaluation board provides full access to STBC03 functions through header connectors and can besupplied through a micro-AB USB connector.

圖3.評估板STEVAL-ISB035V1外形圖
The STEVAL-ISB035V1 evaluation board size is 50 mm x 50 mm.
The PCB is made by using FR4 glass epoxy support with 4 copper layers.
評估板STEVAL-ISB035V1主要特性:
• Charges single-cell Li-Ion/Li-Po batteries with CC-CV algorithm and charge termination
• Fast charge current programmable from 1 mA to 650 mA
• Pre-charge current programmable from 1 mA to 650 mA
• Adjustable floating voltage up to 4.45 V
• Integrated always-ON low quiescent LDO regulator
• Battery overcharge and over-discharge protections
• Overcurrent protection
• Shipping mode entry and exit inputs
• Integrated dual 3 Ω SPDT load switches
• Digital control inputs
• RoHS compliant

圖4.評估板STEVAL-ISB035V1電路圖
評估板STEVAL-ISB035V1材料清單:


圖5.評估板STEVAL-ISB035V1 PCB設計圖(1):頂層

圖6.評估板STEVAL-ISB035V1 PCB設計圖(2):底層 |
| |
|
|
|
|
|
| |
| |
| |
 |
您可能對以下產品感興趣 |
 |
|
 |
| 產品型號 |
功能介紹 |
兼容型號 |
封裝形式 |
工作電壓 |
備注 |
| CS5082 |
CS5082E是一款5V輸入,支持雙節鋰電池串聯應用,鋰離 子電池的升壓充電管理IC.CS5082E集成功率MOS,采用異步開關架構,使其在應用 時僅需極少的外圍器件,可有效減少整體方案尺寸,降低BOM成本。 CS5082E的升壓開關充電轉換器的工作頻率為600KHz最大2A輸入充 電,轉換效率為90%。
|
CS5080 |
ESOP-8 |
3.44V-7.0V |
帶NTC功能、5V USB輸入、雙節鋰電池串聯應用、升壓充電管理IC,管腳兼容CS5080 |
| CS5080 |
CS5080E是一款5V輸入,支持雙節鋰電池串聯應用,鋰離子電池的升壓充電管理IC.CS5080E集成功率MOS,采用異步開關架構,使其在應用時僅需極少的外圍器件,可有效減少整體方案尺寸,降低BOM成本。CS5080E的升壓開關充電轉換器的工作頻率為600KHz最大2A輸入充電,轉換效率為90%。 |
|
ESOP-8 |
3.44V-7.0V |
5V USB輸入、雙節鋰電池串聯應用、升壓充電管理IC |
|
| |
|
| |
|
|